Кость и надкостница протезного ложа
Добавил пользователь Владимир З. Обновлено: 23.11.2025
Современные гистохимические методы исследования позволяют изучить содержание и распределение в тканях слизистой оболочки твердого неба гликогена, нейтральных мукополисахаридов, нуклеопротеидов (РНП и ДНП) и неспецифической фосфомоноэстераз.
Как показали исследования Р.Ш. Шаймерденовой, содержание гликогена в слизистой оболочке протезного ложа на верхней челюсти у лиц, пользовавшихся съемными пластиночными протезами, значительно увеличивается. С увеличением времени пользования съемными протезами количество гликогена нарастает. Так, при пользовании протезами до 5 лет гликоген обнаруживается в клетках верхних рядов шиповатого слоя и в зернистом слое в большем количестве, чем у лиц, не пользовавшихся протезами. При пользовании протезами в течение 6-10 лет гликоген встречается во внутренних рядах клеток шиповатого слоя. При пользовании протезами 12-18 лет он выявляется во всех слоях эпителиального пласта.
Эти данные согласуются с результатами исследований В.В. Жилиной, В.В. Гемонова и др., установивших, что при хронических воспалениях содержание гликогена в десне увеличивается. Наряду с этим отмечается угнетение процессов ороговения. В связи с этим роль гликогена сводится к обеспечению энергией тех синтетических процессов, которые лежат в основе ороговения. Накопление же гликогена является следствием нарушения местного углеводного обмена, вызванного хроническим воспалением.
При пользовании протезами до 5 лет кислые мукополисахариды обнаруживаются не только в соединительной ткани, но и в цитоплазме клеток зернистого слоя. С увеличением срока пользования протезами до 6-18 лет накопление мукополисахаридов происходит, как считает Е.И. Гаврилов, в результате физико-химической трансформации коллагеновых и ретикулярных волокон при их набухании и гомогенизации, вызванных расстройством кровообращения. Гипоксия тканей протезного ложа, возникающая с возрастом и прогрессирующая под воздействием съемных пластиночных протезов, оказывает значительное влияние на усиление биосинтеза мукополисахаридов.
С увеличением срока пользования съемными пластиночными протезами отмечается тенденция к постепенному снижению РНП в эпителии слизистой оболочки протезного ложа. При пользовании протезами до 5 лет они исчезают в зернистом слое, после 6-10 лет они уже не обнаруживаются в клетках верхних рядов шиповатого слоя, а после 12-27 лет исчезают в клетках нижних рядов шиповатого слоя.
Определенные изменения происходят и в подлежащей соединительной ткани: возникает ее уплотнение, развиваются изменения сосудов и слизистых желез. Нарастает круглоклеточная инфильтрация, что свидетельствует о наличии хронического воспаления. Возрастает количество плазматических и тучных клеток, гистиоцитов, фибробластов и лейкоцитов, содержащих в цитоплазме РНП.
Следует отметить, что параллельно с морфологическими изменениями в слизистой оболочке под базисом протеза начинает изменяться и обмен веществ, т.е. развиваются структурно-функциональные сдвиги. Они проявляются накоплением в глубоких слоях эпителия и в подлежащей соединительной ткани гликогена. Исчезая в эпителиальном пласте, нуклеопротеиды скапливаются в клеточных элементах и в промежуточном веществе соединительной ткани. Происходит изменение в активности ферментов - неспецифической фосфомонэстераз.
Причину структурно-функциональных сдвигов в тканях протезного ложа следует искать прежде всего в нарушениях кровообращения, вызванных непосредственным воздействием жевательного давления, передаваемого через базис съемного пластиночного протеза на подлежащие ткани. Определенное влияние оказывают и нарушения иннервации, связанные с деструктивными изменениями нервных проводников слизистой оболочки протезного ложа, возникающих вторично.
Нарушения кровообращения ограничивают возможность нормального течения окислительно-восстановительных процессов в тканях протезного ложа.
Подтверждение ведущей роли сосудов в общей реакции слизистой оболочки полости рта на съемные протезы получено Х.И. Ирсалиевым. Примерно через 2 недели после наложения частичных съемных протезов он установил достоверное падение реографического индекса и существенное снижение показателя тонуса сосудов. В последующем наблюдается постепенное возрастание этих показателей, но без полного восстановления контрольного уровня даже через год после протезирования, что свидетельствует о стойких морфологических нарушениях сосудов слизистой оболочки протезного ложа после наложения съемных протезов.
Как отмечает Гаврилов Е.И., хроническое воспаление, протекающее в слизистой оболочке твердого неба и альвеолярных отростках под влиянием съемных пластиночных протезов, теснейшим образом связано с состоянием организма в целом.
Состояние альвеолярного отростка и надкостницы при пользовании съемными протезами
Исследования, проведенные К.Д. Дуйшалиевым позволили установить, что атрофия альвеолярного отростка под съемными протезами в большей степени выявляется в его переднем участке и значительнее выражена у лиц с неправильной артикуляцией зубов.
Убыль тканей альвеолярного отростка идет быстрее в первые 3 года, замедляясь в дальнейшем. При объяснении этого процесса следует учитывать влияние трех факторов;
атрофия за счет воздействия протеза;
атрофия за счет утраты физиологического раздражителя, т.е. жевательного давления;
развитие атрофии возрастного характера.
Надкостница также отвечает определенной реакцией на воздействие пластиночного протеза. При пользовании протезами до 3 лет вследствие выраженной очаговой пролиферации остеобластов происходит выраженное утолщение ее. При этом остеобласты увеличиваются в размерах и иногда приобретают особую ориентацию, располагаясь параллельно поверхности кости.
При длительном пользовании протезами надкостница твердого неба и альвеолярных отростков подвергается атрофии, истончается, превращаясь в плотный слой фиброзной ткани. Количество остеобластов в ней также заметно уменьшается. Нетрудно заметить, что имеется определенная аналогия в реакции слизистой оболочки и надкостницы: вначале отмечается компенсаторное утолщение этих тканей, а затем их истончение.
Кость и надкостница протезного ложа
Отдел диагностики и реабилитации нарушений слуха Санкт-Петербургского НИИ уха, горла, носа и речи
Научно-клинический центр оториноларингологии ФМБА России, Москва, Россия, 123182
Научно-клинический центр оториноларингологии ФМБА России, Москва
Научно-клинический центр оториноларингологии ФМБА России, Москва, Россия, 123182
Отдел разработки и внедрения высокотехнологичных методов лечения Санкт-Петербургского научно-исследовательского института уха, горла, носа и речи Минздрава России, Россия, 190013
Научно-клинический центр оториноларингологии ФМБА России, Москва, Россия, 123182
Научно-клинический отдел заболеваний уха ФГБУ «НКЦ оториноларингологии ФМБА России», Москва, Россия, 123182
Научно-клинический центр оториноларингологии ФМБА России, Москва, Россия, 123182
Междисциплинарный подход к реабилитации пациентов с врожденной атрезией наружного слухового прохода и микротией
Журнал: Вестник оториноларингологии. 2018;83(2): 17‑21
Отдел диагностики и реабилитации нарушений слуха Санкт-Петербургского НИИ уха, горла, носа и речи
Цель исследования — создание и внедрение в практику эффективного способа комплексной эстетической и функциональной реабилитации пациентов с атрезией наружного слухового прохода (АНСП) и микротией. Прооперированы 8 пациентов в возрасте от 16 до 21 года с односторонней АНСП и микротией. В ходе оперативного вмешательства выполняли устранение атрезии трансмастоидальным доступом с тимпанопластикой аутофасцией, оссикулопластикой частичным титановым протезом с установкой краниальных остеоинтегрируемых титановых имплантов. Вторым этапом изготавливали индивидуальный силиконовый 3D-протез ушной раковины. Получены стойкие результаты формирования трубки наружного слухового прохода в отдаленные сроки наблюдения; величина костно-воздушного интервала составляла в среднем 15—20 дБ. Использование протеза ушной раковины полностью скрывало врожденной дефект и являлось зеркальным отображением здорового уха.
Отдел диагностики и реабилитации нарушений слуха Санкт-Петербургского НИИ уха, горла, носа и речи
Научно-клинический центр оториноларингологии ФМБА России, Москва, Россия, 123182
Научно-клинический центр оториноларингологии ФМБА России, Москва
Научно-клинический центр оториноларингологии ФМБА России, Москва, Россия, 123182
Отдел разработки и внедрения высокотехнологичных методов лечения Санкт-Петербургского научно-исследовательского института уха, горла, носа и речи Минздрава России, Россия, 190013
Научно-клинический центр оториноларингологии ФМБА России, Москва, Россия, 123182
Научно-клинический отдел заболеваний уха ФГБУ «НКЦ оториноларингологии ФМБА России», Москва, Россия, 123182
Научно-клинический центр оториноларингологии ФМБА России, Москва, Россия, 123182
Среди различных врожденных аномалий уха наиболее часто встречается комбинированный порок, известный как атрезия наружного слухового прохода (АНСП), который включает в себя аномалии развития наружного слухового прохода, среднего уха и сопутствующее этому дефекту недоразвитие ушной раковины [1]. АНСП встречается с частотой 1 случай на 10 000—15 000 новорожденных [2]. Пороки развития наружного и среднего уха в большинстве случаев (70—90%) являются односторонними, в основном затрагивают правую сторону (58—61%) [3]. Пациенты с данной патологией страдают не только от выраженной кондуктивной тугоухости, но и от грубого косметического дефекта.
Реконструктивно-пластические операции, направленные на формирование ушной раковины и наружного слухового прохода, восстановление структур среднего уха, являются технически сложными и далеко не всегда приносят ожидаемый эстетический и функциональный результат, особенно при отокранеостенозе [4, 5]. Кроме того, они сопряжены с высоким риском послеоперационных осложнений. Наиболее часто возникают рестеноз наружного слухового прохода и латерализация неотимпанальной мембраны, что требует повторных вмешательств в 30—46% случаев [6]. Костная облитерация слухового прохода создает дополнительные трудности при оперативном вмешательстве, поскольку ее устранение с помощью фрез нередко приводит к развитию сенсоневральной тугоухости (СНТ) вследствие чрезмерного вибрационного воздействия на рецепторный аппарат внутреннего уха, передающегося от атретической пластинки через цепь слуховых косточек [7]. Случаи врожденной АНСП также часто сопровождаются аномальным ходом канала лицевого нерва: тимпанальный сегмент нерва обычно смещен книзу, а мастоидальный расположен более кпереди, что повышает риск его травматизации [8, 9].
Кроме того, при микротии III типа по классификации H. Weerda, когда у пациента отсутствуют нормальные структуры ушной раковины, для комплексных реконструктивных вмешательств требуется использование дополнительных фрагментов кожи или хряща в большом объеме [10]. Большинство исследователей соглашаются с тем, что восстановление уха, глаз, носа, орбиты, скулоглазничного комплекса с помощью эктопротезирования на краниальных остеоинтегрируемых имплантах (КОИ) приводит к эстетически более удовлетворительному результату, чем применение аутогенной реконструкции, а в случаях онкологической потери органа является единственным возможным способом [11]. В отохирургии КОИ нашли широкое применение при слухопротезировании аппаратами костного звукопроведения [12]. Основными показаниями для эктопротезирования являются недостаточная развитость местных тканей для аутогенной реконструкции, неудовлетворительные результаты предыдущих реконструктивных вмешательств и выбор этой методики пациентом. Черепно-лицевая реабилитация на краниальных имплантах является безопасным, надежным и предсказуемым способом восстановления нормального внешнего вида пациента, поскольку приживаемость имплантов для фиксации эктопротезов в височной кости составляет приблизительно 95,7%, а частота осложнений со стороны мягких тканей в большинстве случаев не превышает II степени по шкале Холгерс [12—14]. Периимплантные реакции мягких тканей чаще всего связаны с недостаточностью гигиенических процедур.
Учитывая наличие функционального и эстетического дефекта при врожденной АНСП с микротией и высокой вероятности получения неудовлетворительных функциональных и эстетических результатов и осложнений при реконструктивно-пластической хирургии, вопрос о комплексном подходе к реабилитации таких пациентов является актуальным.
Цель исследования — создание и внедрение в практику эффективного способа комплексной функциональной и эстетической реабилитации пациентов с АНСП и микротией.
Пациенты и методы
На базе ФГБУ НКЦО ФМБА РФ сотрудниками научно-клинических отделов заболеваний уха и челюстно-лицевой хирургии прооперированы 8 пациентов в возрасте от 16 до 21 года с врожденной односторонней АНСП и микротией III степени. Пациентам проводилось стандартное предоперационное общеклиническое обследование, отоскопия, тональная пороговая аудиометрия и компьютерная томография (КТ) височных костей.

При прогнозировании результатов хирургического вмешательства использовали модифицированную нами шкалу R. Jahrsdoerfer [15, 16]. Балльная шкала оценки анатомических особенностей височной кости, основанная на анализе предоперационных КТ, представлена в табл. 1. Таблица 1. Особенности строения среднего и внутреннего уха Примечание. Модифицированная шкала R. Jahrsdoerfer [15, 16]. При сумме баллов от 14 до 18 прогноз оценивали как отличный, от 11 до 13 — хороший, от 8 до 10 — удовлетворительный, при сумме баллов менее 8 хирургическое вмешательство не было показано.

Операции проводились в условиях эндотрахеального наркоза с использованием системы мониторинга лицевого нерва и электромагнитной навигационной системы. Формирование наружного слухового прохода и тимпанопластику с оссикулопластикой выполнял отохирург, подготовку кожных лоскутов и установку КОИ выполнял челюстно-лицевой хирург. 3D-шаблон будущего протеза, который использовался для разметки операционного поля и места установки имплантов, изготавливал на этапе планирования операции медицинский инженер-математик (рис. 1). Рис. 1. Интраоперационная фотография. Для разметки операционного поля использован 3D-шаблон будущего протеза, в котором отмечены оптимальные места для установки имплантов (стрелки). Выполняли послойный разрез позади рудиментарных образований ушной раковины, отсепаровку кожного лоскута, удаление хряща, составляющего каркас рудимента (при этом хрящ сохраняли для последующего использования при тимпанопластике). Выполняли антромастоидотомию. Перед удалением атретической пластинки производили заднюю тимпанотомию с последующим ее расширением для достижения хорошей визуализации наковальнестременного сочленения. Затем осуществляли дезартикуляцию данного сустава для минимизации передачи колебаний, профилактики вибротравмы внутреннего уха и предотвращения развития СНТ в послеоперационном периоде [7]. После разъединения наковальнестременного сочленения режущим бором удаляли атретическую пластинку и единый костный конгломерат молоточка и наковальни. Расширение барабанной полости кпереди осуществляли до открытия устья слуховой трубы, книзу и кзади — до вертикальной порции (нисходящей части) канала лицевого нерва. Наружный слуховой проход формировали под контролем навигационной системы путем расширения трепанационной полости кверху до твердой мозговой оболочки средней черепной ямки, кпереди — до височно-нижнечелюстного сустава. Формировали воспринимающее костное ложе для неотимпанальной мембраны, в котором тонким алмазным бором создавали борозду для ее фиксации и предупреждения латерализации. После укладки фасциального лоскута в воспринимающее ложе выполняли оссикулопластику частичным титановым протезом. Дистальную часть протеза отграничивали от фасциального лоскута аутохрящевой пластинкой. Затем истонченный языкообразный лоскут на питающей ножке, сформированный из кожи рудиментов ушной раковины, укладывали на переднюю стенку трепанационной полости. Остальные стенки трепанационной полости покрывали свободными тонкослойными кожными трансплантатами, взятыми дерматомом с передней поверхности бедра. Фиксация созданной неотимпанальной мембраны и кожных лоскутов производилась путем тампонады трепанационной полости гемостатической губкой и марлевой турундой. В области фиксации имплантов (над верхушкой сосцевидного отростка и височной линией) выполняли иссечение подкожной жировой клетчатки для создания протезного ложа, отсепаровку надкостницы. В указанные участки височной кости устанавливали перкутанные краниальные титановые импланты с глубиной погружения 4,5 мм вместе с формирователями высотой 5 мм. Кожа вокруг имплантов вместе с надкостницей прошивалась П-образными швами.
Вторым этапом, через 3—5 мес, в отделении челюстно-лицевого протезирования изготавливали мягкий индивидуальный силиконовый протез ушной раковины с магнитной фиксацией (рис. 2, 3). Рис. 2. Внешний вид силиконового протеза ушной раковины на магнитной фиксации. а — наружная поверхность; б — внутренняя поверхность. Рис. 3. Балочная конструкция на двух краниальных имплантах с магнитной фиксацией протеза ушной раковины. При создании силиконового протеза применялся классический процесс изготовления, состоящий из следующих этапов:
1) получение оттиска-маски со здорового уха и дальнейшая отливка гипсовой модели репродукции ушной раковины;
2) изготовление воскового аналога будущего протеза с использованием 3D-прототипирования;
3) замена восковой модели протеза силиконовым протезом внутреннего окрашивания.
Полученный восковой аналог ушной раковины корректируется и припасовывается на протезном ложе. При этом учитываются симметричность расположения завитка раковины, мочки, а вертикальные и горизонтальные перемещения позволяют установить восковую модель в правильное положение. Правильно подобранные цвет и оттенок силиконового протеза наряду с его адекватной ретенцией являются важнейшими факторами повышения качества жизни пациента. Метод внутреннего многослойного окрашивания силиконового протеза придает последнему живые тона с умеренной прозрачностью и светопроницаемостью. Размешанный силикон упаковывается в гипсовую форму, прикрывается контрформой, прессуется и укладывается в сухой полимеризатор. После полимеризации протез распаковывается, при необходимости наносятся пигментные штрихи методом наружного нанесения и лакирования в полимеризаторе.
Для оценки функциональных результатов на втором этапе, при протезировании, выполнялась повторная пороговая тональная аудиометрия.
Результаты и обсуждение
В хирургической практике существуют три основных метода устранения атрезии наружного слухового прохода: восходящий, передний и трансмастоидальный или заушный [16—20]. При восходящем доступе, который применяется при значительных нарушениях анатомии височной кости, открытие барабанной полости производится по ходу канала лицевого нерва. Ряд авторов предлагают использовать передний доступ; при этой технике создание трепанационной полости борами начинают в области предполагаемой проекции наружного слухового прохода отступя от височно-нижнечелюстного сустава и ниже уровня средней черепной ямки. Наиболее распространен трансмастоидалный доступ с широким вскрытием антрума и аттика, который позволяет минимизировать такие послеперационные осложнении, как рестеноз канала, инфицирование среднего уха и повреждение лицевого нерва [20, 21].
Применяемый в нашей работе трансмастоидальный способ устранения атрезии подразумевает удаление большого массива сосцевидного отростка. Успешное взаимодействие отохирурга и челюстно-лицевого хирурга на этом этапе позволило обеспечить формирование широкого слухового прохода с сохранением участков кортикального слоя височной кости, достаточных для установки КОИ.

В исследование были отобраны пациенты с отличным (5 пациентов) и хорошим (3 пациента) прогнозом оперативного вмешательства по данным предоперационной КТ височных костей. Несмотря на атипичный ход канала лицевого нерва и отсутствие обзора ниш окон улитки и преддверия, что нередко затрудняет хирургическое вмешательство по поводу врожденной атрезии, не пришлось выполнять транспозицию лицевого нерва и после его обнажения в мастоидальном сегменте удалось установить оссикулярный протез (рис. 4) Рис. 4. Интраоперационная фотография. 1 — частичный титановый оссикулярный протез, установленный на суперструктуры стремени, 2 — аутохрящевая пластинка, которой будет отграничена шляпка протеза от фасциального лоскута, черная стрелка — тимпанальный сегмент канала лицевого нерва, белая стрелка — мастоидальный сегмент лицевого нерва. на обозримые суперструктуры стремени [22, 23]. Признаков пареза лицевой мускулатуры в послеоперационном периоде не отмечено.

Период послеоперационного наблюдения составил 12 мес. В результате применения описанной методики получены стойкие результаты формирования трубки наружного слухового прохода. Во всех случаях наблюдали хорошее заживление послеоперационной полости и ее полную эпидермизацию. Случаев стенозирования наружного слухового прохода после операции не отмечено, в одном случае наблюдалась умеренная латерализация неотимпанальной мембраны. Функциональные результаты представлены в табл. 2. Таблица 2. Динамика средних показателей порогов воздушного и костного звукопроведения у обследованных пациентов Примечание. * — средние пороги костного звукопроведения/средние пороги воздушного звукопроведения (дБ). Величина костно-воздушного интервала в послеоперационном периоде составляла в среднем 22,6 дБ, что следует расценивать как хороший функциональный результат.

Эктопротезирование с фиксацией на краниальных имплантах является отличным реконструктивным вариантом, который обеспечивает идеальную симметрию, цвет и анатомические детали. Использование нашими пациентами индивидуального протеза ушной раковины полностью скрывало врожденной дефект (рис. 5). Рис. 5. Внешний вид пациентки. а — до операции; б — после установки протеза ушной раковины.
Остеоинтегрируемые импланты обеспечивают надежную фиксацию эктопротеза, что устраняет необходимость применения клея, двухстороннего скотча или других методов фиксации, которые могут поставить под угрозу стабильность протеза. Использование эктопротезов улучшает внешний вид пациента, а хорошее качество удержания протеза и простота его использования обеспечивает высокий уровень активности пациента, за счет чего повышается качество жизни пациента. Тем не менее инфекция и воспаление могут привести к потере импланта. Состояние периимплантных мягких тканей является важным фактором для достижения хорошего долгосрочного результата лечения. Снизить частоту воспалительных реакций со стороны окружающих импланты мягких тканей позволяет создание тонкого подкожного слоя в периимплантной области в ходе операции и тщательная гигиена в послеоперационном периоде [24]. Таким образом, должный послеоперационный уход и тщательность хирургического этапа помогают избежать осложнений.
Заключение
Применение методики выстилки сформированных костных стенок наружного слухового прохода кожным лоскутом на питающей ножке и свободными кожными трансплантатами позволяет добиться стойкого формирования трубки наружного слухового прохода, а оссикулопластика титановыми протезами и тимпанопластика аутофасцией обеспечивают значительное улучшение слуха у пациентов с врожденной атрезией наружного слухового прохода.
Симультанное эктопротезирование на КОИ с устранением атрезии и тимпанопластикой может быть успешно применено для замещения отсутствующей ушной раковины, способствуя возвращению пациента к обычному образу жизни. Основными преимуществами эктопротезирования по сравнению с традиционными хирургическими методами реконструкции являются простота хирургической техники, предсказуемость полученного результата и минимальный срок реабилитации пациента.
СОСТОЯНИЕ НАДКОСТНИЦЫ И КОСТИ ПРОТЕЗНОГО ЛОЖА ПО ДАННЫМ ГИСТОЛОГИЧЕСКИХ ИССЛЕДОВАНИЙ
Материалом для гистологического исследования послужили ткани протезного ложа 50 умерших в возрасте от 43 до 77 лет с полным отсутствием зубов. Из них 30 пользовались съемными протезами: 9—от 1 года до 3 лет, 13—от 4 до 7 лет и 8—от 8 до 12 лет, 2 — являлись контрольными — не пользовались протезами.
Исследования надкостницы беззубой верхней челюсти (Дуйшалиев К. Д.) у не пользовавшихся съемными протезами показали, что на вершине альвеолярного отростка надкостница представлена одним фиброэластическим слоем, а у его основания и на твердом небе в ней можно различить два слоя: наружный — фиброзный и внутренний — фиброэластический.
Особо следует подчеркнуть неравномерное распределение кровеносных сосудов в надкостнице. Их меньше в надкостнице альвеолярного отростка и в области небного шва, но в большем числе они встречаются в адвентициальном слое надкостницы твердого неба.
С возрастом (в частности, после 60 лет) надкостница уплотняется за счет увеличения количества коллагеновых волокон, в последних наблюдаются, явления гиалиноза. Количество остеобластов уменьшается, что было отмечено также и Ю. Б. Гинзбургом (1951).
Стенки артериальных сосудов, залегающих как в слизистой оболочке, так и в надкостнице, с возрастом также утолщаются; иногда происходит разволокнение внутренних эластических мембран. При этом наблюдается уменьшение количества кровеносных сосудов, особенно в надкостнице. Как известно, нервы в надкостницу проникают из слизистой оболочки и со стороны кости. Последнее чаще выявляется в переднем участке альвеолярного отростка. Однако следует отметить, что Не все нервы, входящие в надкостницу из слизистой оболочки, в ней заканчиваются. Мы наблюдали проникновение нервных волокон и даже их пучков в косты Там они располагаются вместе с сосудами в прослойках соединительной ткани костно-мозговых пространств. Эти данные об общности источников иннервации верхнечелюстной кости, надкостницы, сосудов и костного мозга подтверждают выводы исследований Т. К. Зайсановой (1964). Кроме того, надкостница различных участков твердого неба и альвеолярных отростков иннервируется неравномерно. Наибольшее количество нервных ветвей вступает в надкостницу, покрывающую вестибулярную поверхность альвеолярного отростка.
Известный интерес представляет рецепторный аппарат надкостницы. По нашим данным, нервные волокна, проникающие в надкостницу как из слизистой оболочки, так и со стороны кости, располагаются в ней на различной глубине и образуют концевые аппараты в виде «клубочков», «кустиков» и «пуговчатых» утолщений. Наиболее распространенными рецепторами являются свободные нервные окончания, различные по калибру и длине. Последние образованы тонкими мякотными нервными волокнами, которые чаще встречаются в адвентициальном слое надкостницы.
Встречаются также сосудистотканевые рецепторы, которые образованы мякотными нервными волокнами среднего калибра. Отличительной чертой строения этого типа рецепторов для адвентициального слоя надкостницы является резкая извилистость их терминальных веточек. В фиброэластическом слое надкостницы также наблюдаются сосудистотканевые рецепторы, которые чаще представлены отдельными нервными волокнами, Они идут на большом расстоянии и по своему ходу истончаются. В этом же слое И. М. Дегтярев (1968) нашел инкапсулированные нервные окончания у лиц с интактными зубными рядами. Однако мы таких окончаний не обнаружили. По-видимому, с полной потерей зубов и возрастом они исчезают.
Обычно нервные элементы слизистой оболочки и надкостницы у лиц до 59 лет, не пользовавшихся съемными протезами, подвергаются в основном реактивному изменению и в меньшей степени — деструкции. В возрасте старше 60 лет наблюдаются более выраженные явления раздражения и Деструкции нервных воЛоКон. Вместе С тем уменьшается их количество, что согласуется с данными К. Balogh, A. Csiba (1967).
Дальнейший анализ результатов исследований показал, что кость твердого неба и альвеолярного отростка с возрастом также претерпевает определенные изменения. Так, у лиц 59 лет, не пользовавшихся съемными протезами, она представляется относительно мало измененной — лишь местами на края компактной кости наслаивается остеоидная ткань. Эти наслоения в основном выражены с небной поверхности альвеолярного отростка и в пластинчатой кости твердого неба. Однако на вершине и вестибулярной поверхности альвеолярного отростка процессы аппозиции костного вещества не наблюдаются, лишь местами имеются мелкие лакуны рассасывания. Последние не содержат остеокластов. Обращает на себя внимание незначительное сужение гаверсовых каналов за счет пристеночного наслоения пластинок. Костные балки местами истончаются, но встречаются и утолщенные балки за счет оппозиционного наслоения кости. На подобное наслоение новообразованной кости у лиц с полной потерей зубов, возраст которых не старше 60 лет, указывает А. И. Дойников (1967), исследовавший изменения макро- и микроскопического строения челюстных костей в связи с возрастом и потерей зубов.
Совершенно естественно, что с возрастом кость твердого неба и альвеолярного отростка подвергается значительному изменению. Прежде всего обращает на себя внимание атрофия кости, которая чаще всего происходит путем гладкой резорбции. Костные балки значительно истончаются, нарушается архитектоника, наблюдаются признаки пониженного содержания солей кальция, что, по-видимому, отражается на физической прочности кости. Стенки сосудов, проходящих в костном мозге, утолщаются.
Общие часто повторяющиеся находки при атрофии выражаются главным образом в пониженной аппозиции костной ткани, а также в резорбции ее по ходу линий склеивания. Понижение аппозиционного роста сопровождается исчезновением остеобластов и истончением костных балок. Наши наблюдения о понижении процессов аппозиции кости в этом возрастном периоде совпадают с данными И. М. Молоткова (1939), исследовав-

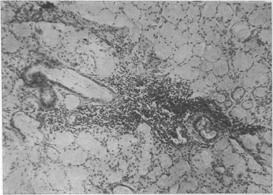
Рис. 38. Слизистые железы задней трети твердого неба женщины 53 лет, пользовавшейся протезом 6 лет. Круглоклеточная инфильтрация стромы. Окраска пикрофуксином. Х80 (Дуйшалнев К. Д.).
рации у разных лиц при одинаковых сроках пользования протезами различна. Последнее зависит, по-видимому, от качества протезов, режима пользования ими, характера артикуляционных взаимоотношений и многих других факторов. Выявить какую-либо закономерность в локализации воспалительных инфильтратов в железах нам не удалось. Поэтому мы не согласны с мнением R. Eisenring о том, что глубже лежащие железы подвергаются более резким изменениям. Мы полагаем, что причиной воспаления слизистой оболочки протезного ложа являются постоянно действующие механические факторы. По-видимому, определенную роль в воспалении желез твердого неба играет и застой секрета. Подобное мнение высказывали Е. Frohlich и W. Masshoff. Однако мы не согласны с О. Brinch и R. Eisenring, которые считают, что воспаление преимущественно распространяется на железы с собственной пластинки слизистой, а не возникает в них первично. По нашим данным, переход воспалительной инфильтрации на же-

Рис. 39. Слизистая оболочка твердого неба мужчины 76 лет. Липоматоз стромы желез. Окраска пикрофуксином. Х75 (Иванова H. С.).
лезы с субэпителиальной соединительной ткани возможен только при выраженном воспалении ее в средней и задней трети твердого неба, что отмечается редко. Данные, полученные нами, также не согласуются с данными S. Ostlund, который полагает, что устья выводных протоков всегда находятся в состоянии хронического воспаления. Мы наблюдали инфильтрацию их лишь при выраженном воспалении собственной пластинки слизистой оболочки. В большинстве исследованных слизистых оболочек при инфильтрации стромы самих желез выводные протоки, расположенные в собственной пластинке, оставались неизмененными.
Обширные инфильтрированные участки желез замещались жировой и соединительной тканью (рис. 39), что подтверждает данные Р. Ш. Шаймерденовой (1969), Н. Zander (1960). По сравнению с контрольной группой имело место некоторое увеличение клеток жировой ткани в подслизистой основе и разрастание соединительной ткани в междольковых прослойках. Увеличение жировой и соединительной ткани, по-видимому, не только

Изучение состояния надкостницы твердого неба и альвеолярных отростков беззубой верхней челюсти у лиц, пользовавшихся съемными протезами, показало следующее. При пользовании протезами до 3 лет надкостница альвеолярного отростка во всех возрастных группах утолщается вследствие очаговой пролиферации остеобластов. Последние резко увеличиваются в размере, иногда ориентируются параллельно поверхности кости, ядра их гиперхромны. В адвентициальном слое надкостницы коллагеновые волокна местами бледно окрашиваются, нередко разволокпяются. Аргирофильные волокна утолщаются. Эластические волокна нередко подвергаются фрагментации.
При увеличении сроков пользования протезами (более 3 лет) надкостница альвеолярного отростка и твердого неба заметно истончается (рис. 44), представляя собой плотную фиброзную ткань. Количество остеобластов

Рис. 45. Надкостница альвеолярного отростка беззубой верхней челюсти мужчины 54 лет, пользовавшегося протезами 6 лет. Деструктивные изменения нервных волокон. Четкообразные утолщения осевых цилиндров, натеки нейроплазмы. Импрегнация серебром по методу Бильшовского—Грос. Х400 (Дуйшалиев К. Д.).
уменьшается. При большем сроке пользования протезами (более 8 лет) количество остеобластов в камбиальном слое уменьшается.
Необходимо подчеркнуть, что артериальные сосуды, залегающие в слизистой оболочке и надкостнице, часто имеют утолщенные гиалинизированные стенки. Подобные сведения о состоянии слизистой оболочки под пластиночными протезами сообщают F. Sin, W. Ger, Н. Мегап (1961), Т. Maj, Т. Zebro (1963), М. Dechaume с соавт. (1966).
Нервные элементы (мякотные и безмякотные волокна, а также концевые аппараты) подвергаются реактивным и деструктивным изменениям. Эти изменения чаще встречались и были более выражены в слизистой оболочке и надкостнице у пользовавшихся съемными протезами (рис. 45). Особый интерес представляет изучение реакции кости твердого неба и альвеолярного отростка беззубой верхней челюсти у лиц этой группы. Так, у людей в возрасте от 40 до 59 лет при пользовании съемными протезами до 3 лет прежде всего обращает на себя внимание отсутствие зоны остеоидной ткани в отличие от состояния кости твердого неба и альвеолярного отростка у не пользовавшихся съемными протезми. Края компактной кости выглядят слегка базофильными. В костных балках отмечаются признаки пониженного содержания солей кальция. Края их ровные. Но в отдельных случаях этой группы обращает также внимание отчетливая пролиферация остеокластов на границе кортикального слоя и периоста. Эти данные противоречат наблюдениям Б. Н. Бынина (1949) и Е. Pendleton (1940) о том, что съемные протезы способны стимулировать регенераторные способности кости.
С возрастом (старше 60 лет) наблюдается более выраженное лакунарное рассасывание кости. При этом остеокласты обнаруживались не только с периостальной поверхности кости, но и в костных балках губчатой структуры. Удалось подметить, что остеокласты появлялись именно в тех балках, в которых были выражены признаки дистрофии кости. Эти находки соответствуют наблюдениям В. Г. Молоткова (1939), считающего, что остеокласты возникают вторично как реакция на разрушение кости. Следовательно, присутствие остеокластов в кости твердого неба и альвеолярного отростка— лишнее доказательство того, что под съемными пластиночными протезами развиваются дистрофические изменения в кости.
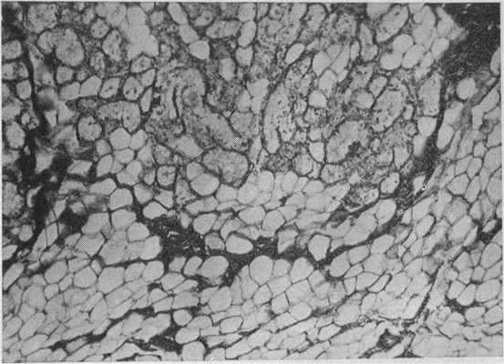
С увеличением сроков пользования протезами (более 4 лет) в кости твердого неба и альвеолярного отростка отмечаются более глубокие гистоструктурные изменения (рис. 46, а, б). Они в равной степени наблюдаются во всех возрастных группах. Наиболее выраженные изменения наблюдаются в кортикальном слое кости альвеолярного отростка, в котором происходит образование лакун различной формы и размера, выполненных рыхлой соединительной тканыо с большим количеством остеобластов и тонкостенных капилляров. Нередко на месте исчезнувшей кости остается плотноволокнистая ткань, сохраняющая частично конфигурацию бывшей кости. Такое состояние кости, по мнению Е. Frolich (1952), является выражением приспособительной реакции.

Рис. 46. Кость альвеолярного отростка. Мужчина 77 лет, срок пользования протезом 3 года, а — лакунарное рассасывание кости альвеолярного отростка со скоплением остеокластов. Окраска гематоксилин-эозином. Х400; б — резорбция костной балки остеокластами (1). Слева в углу полости (2) располагается остоидная зона, по краям которой расположены остеобласты. На месте исчезнувшей кости — соединительная ткань. Женщина 67 лет, срок пользования протезом 3 года. Окраска гематоксилин-эозином. Х80 (Дуйшалиев К. Д.)-
При длительном сроке пользования протезами (более 8 лет) процессы резорбции кости замедляются. При этом на месте бывших лакун рассасывания появляются незначительные остеоидные зоны. Такие картины также подмечены F. Singer, Н. Мегап (1961) и заставляют думать о том, что появление остеоидных зон в более поздние сроки пользования протезами отражает физиологическую перестройку кости в результате наступившего равновесия.
Таким образом, морфологические исследования показали, что ткани протезного ложа беззубой верхней челюсти отвечают определенной реакцией на те необычные условия, в которых они оказываются под базисом пластиночного протеза. При пользовании протезами до 3 лет надкостница альвеолярного отростка утолщается. Но с увеличением сроков пользования протезами она, наоборот, истончается, превращаясь в плотный слой фиброзной ткани. Остеобласты камбиального слоя исчезают. В кости твердого неба и альвеолярного отростка после 3-летнего пользования протезами отмечается выраженная резорбция за счет остеокластов, дистрофические изменения и понижение регенераторной потенции кости. Костные балки значительно истончаются, обычная архитектоника нарушается. Костномозговые полости заметно расширяются. Костный мозг замещается жировой и фиброзной тканью. Определенные морфологические изменения претерпевают также сосуды и нервы слизистой оболочки, надкостницы и костного мозга.
Виды имплантатов
В зависимости от метода имплантации и строения кости длина имплантата может быть разной. Также и резьба, ее форма, вид, шаг, и количество насечек, зависит от места вживления и структуры костной ткани.
По форме импланта:
По методу фиксации в тканях:
Корневидные импланты (эндоосальные)

Если костной ткани имеется в достаточном количестве, то применяются классические корневидные импланты. Это самый популярный вид имплантации. Корневидные импланты бывают двух видов - винтовые и цилиндрические.
- Винтовые имплантаты - самые распространённые и надежные из всех существующих типов имплантатов. Могут отличаться по видам резьбы, имеют шероховатую поверхность и покрыты специальными биоматериалами, которые способствуют остеоинтеграции ( приживлению имплантата).
- Цилиндрические импланты применяются в случаях, если зуб удалён недавно (две - три недели назад), удаление прошло успешно, воспалительных процессов нет и костной ткани достаточно. Имеют специальную пористую поверхность, имитирующую внутреннюю часть кости.
На приживление корневидных имплантатов требуется от трёх до шести месяцев.
Субпериостальные импланты
Данная технология имплантации зубов не относится к современным методикам, но в качестве исторической справки об имплантологии его стоит упомянуть.
Субпериостальная имплантация проводилась при недостаточной высоте альвеолярного отростка, костного ложа зуба, образованного частями верхней и нижней челюстей, в случаях, когда невозможно было провести костную пластику или пациент желал на ней сэкономить. Сама процедура на сегодняшний день практически не применяется, но про нее важно знать хотя бы для того, чтобы определиться с альтернативными вариантами
Данный вид имплантатов имеет весьма причудливую конструкцию. По виду они напоминают каркас челюсти и устанавливались под надкостницу – соединительную ткань, окружающую кость. Такие каркасы изготавливаются индивидуально для каждого клинического случая и требуют высоту кости не ниже 5 мм. Также вся процедура занимает довольно много времени и делают ее под общим наркозом.
Таким образом, все нюансы и сложности проведения операции привели к тому, что субпериостальная имплантация – это, скорее, информация к размышлению, чем сигнал к действию. К тому же имплантация конструкции субпериостального имплантата нуждается в двойной операции для своей установки. Сначала производится отделение надкостницы, получение слепков, после чего надкостница возвращается в естественное состояние. Субпериостальный имплантат имеет титановый контур и сетчатые пластины, которые возвышаются над слизистой оболочкой десны. К ним крепится съемный протез. После изготовления такого имплантата по индивидуальным параметрам надкостницу снова препарируют и устанавливают имплантат над костью. Все эти многочисленные иссечения тканей могут привести к развитию инфекционного процесса и затяжному заживлению, поэтому в настоящее время благоразумно применяют данные томографии и компьютерного 3D моделирования, чтобы сделать субпериостальный имплантат без снятия слепков и избежать первого этапа операции совсем.
Пластинчатые импланты
Представляют собой длинную пластинчатую конструкцию. Применяются, когда использование корневидных имплантатов невозможно и устанавливаются в костную ткань узкой формы. В основном это передние зубы.
Пластинчатые имплантаты имеют свои преимущества и недостатки:
Их основной плюс – цена. Стоимость установки данной конструкции в несколько раз ниже, чем классические корневидные.
Недостаток конструкции заключается в непродолжительном сроке службы. Травматичная и многоэтапная операция. Они ненадежны и не могут выдержать большую нагрузку во время процесса жевания. Небольшие размеры делают их менее устойчивыми, чем классические корневые импланты.
Трансостальные имплантаты
Сложная по виду и способу вживления конструкция. Представляет из себя пластинчатую конструкцию с разного размера штифтами. Устанавливаются в нижнюю челюсть так, чтобы штифты были направлены вверх, а пластинка прилегала к нижнему краю челюсти. Имеют ряд принципиальных особенностей:

- Очень высокая травматичность.
- Устанавливаются в стационаре под общей анестезией
Фактически применяется крайне редко и найти специалистов, которые могут установить данный вид имплантатов очень сложно.
Вопрос травматичности в стоматологии вцелом и имплантологии в частности стоит очень остро, так как человеку требуется принимать пищу, пить, разговаривать.
Комбинированные импланты

Используются при серьёзной адентии, при отсутствии большого количества зубов. В остальных случаях использование не оправдано. Представляются собой сложную комбинацию из пластинчатых и корневидных элементов. Имеют большие габариты.
Мини-импланты
Иначе называются внутрислизистыми. Используются для придания устойчивости зубным протезам. Визуально имеют схожую конструкцию с корневидными имплантатами, только меньше.
В современной имплантологии применяются редко.

Имеют ряд плюсов:
- Малая травматичность. Костная и десенная ткань практически не травмируется.
- Съёмная конструкция может быть установлена сразу после имплантации
- Нет необходимости наращивания кости в принципе
- Низкая стоимость. Дешевле обычных имплантатов в три - четыре раза
Базальные импланты
По сути это специального вида корневидные импланты. Особенности заключаются в вживлении имплантатов в глубокие слои кости, не подверженные атрофии, и возможностью дать на имплантат моментальную нагрузку. Таким образом жевательная функция возвращается уже через три дня.

Преимущества базальной имплантации
Преимуществом является и время установки – всю челюсть можно восстановить за несколько дней. Понятно, что в течение года придется носить металлопластиковые протезы, которые выглядят достаточно эстетично, но, тем не менее, отличаются от настоящих зубов. С другой стороны, такие протезы намного лучше, чем пустота. И полноценную нагрузку на зубы можно планировать уже через 2-3 дня после установки протезов.
Стоимость. Это существенный плюс – стоимость базальной имплантации в два раза меньше стоимости классической имплантации, аналогичной по объему работ.
Недостатки базальной имплантации
- Высокий риск отторжения имплантатов – риск намного выше, чем при использовании винтовых имплантатов.
- При единичных дефектах метод не используется.
- При отторжении имплантата в кости образуется большая выемка, и если пациент пожелает все-таки установить имплантат снова, придется выполнять костную пластику.
- Так как размер имплантатов больше, болевые ощущения, отек, кровоподтеки длятся дольше.
- От врача требуется высокая квалификация и солидный опыт, так как базальная имплантация сложнее классической. По сути, врач должен пройти специальное обучение работе с базальными имплантатами.
Таким образом, базальная имплантация не может применяться, как полноценная альтернатива классической. Все-таки классический метод был признан оптимальным стоматологами всего мира не просто так.
Основные виды зубных имплантатов

Что такое зубные импланты?
Стоматологические имплантаты разного типа — конструкции, которые вживляются в кость челюсти, проходят остеоинтеграцию, полностью срастаясь с тканями. Результат — имплант надежно зафиксирован, имитирует по всем характеристикам настоящий корень. Врач устанавливает абатмент. Это соединительное звено между разными видами прочных имплантатов зубов и коронкой.
Современные аналоги корней изготавливают из биоинертных, лишенных токсинов материалов. Они не отторгаются организмом. Структура поверхности некоторых моделей пористая, что гарантирует быструю и успешную остеоинтеграцию.
Материалы для производства имплантатов
Виды дентальных имплантатов в стоматологии классифицируются не только по форме, размеру. Главный показатель качества — материал. От его характеристик, чистоты будет зависеть, насколько быстро приживется конструкция, возникнут ли аллергические реакции. Сможет ли он выдержать жевательную нагрузку. Прочность и безопасность для пациента — приоритет при выборе лучшего типа имплантата зуба.
- Титан — прочный металл, полностью биоинертный, практически не отторгается организмом, минимальный риск возникновения аллергической реакции. Система для имплантации Nobel не имеет опасных примесей, искусственные корни на 98% состоят из чистого титана класса Grade 4.
- Сплавы титана — наличие в конструкции алюминия, ванадия, которые могут ухудшить характеристики, замедлить приживляемость. Эти виды имплантатов достаточно прочные.
- Титан-циркониевый сплав — инновационный материал, прочность которого превышает чистый титан, не уступает по основным характеристикам. Искусственные корни быстро проходят остеоинтеграцию, не провоцируют аллергию, служат многие годы. Компания Straumann изготавливает системы для имплантации из инновационного сплава Roxolid. Стоимость установки имплантата зуба будет выше, но производитель дает пожизненную гарантию на продукцию.
Виды зубных имплантатов по способу установки
В зависимости от способа установки различают виды имплантатов:
- Внутрикостные — хорошее решение для разных типов протоколов имплантации как с немедленной, так и с отсроченной нагрузкой. Установка — внедрение в кость челюсти. При малом объеме тканей требуется костная пластика. Особенность — отличная фиксация, равномерное распределение нагрузки, хорошая остеоинтеграция.
- Внекостные — разновидности имплантов, которые фиксируются в надкостнице или десне, минуя челюстную кость.
- Внутрислизистые — мини-модели, которые фиксируются в десне, слизистая оболочка должна иметь толщину не менее 2 мл.
- Субпериостальные — фиксация в надкостнице. Используют при выраженной убыли костной ткани.
- Стабилизационные — нужны для дополнительной фиксации живого зуба.
Как устроены импланты
Аналог корня — это система, которая имеет несколько конструктивных деталей:
- Часть, которая внедряется в кость — это искусственный корень, оснащенный резьбой для плотной фиксации в челюсти.
- Абатмент — соединительный элемент, представляющий собой заглушку, устанавливаемую поверх имплантата. Он частично погружается внутрь аналога корня и выступает над десной.
- Система крепления между имплантом и абатментом — соединительное звено в виде внутренних или внешних трехгранников, шестигранников, конусов.
После полного приживления конструкции будет установлен единичный зубной протез или мост.
Основные критерии при выборе имплантата
Планируя восстановить утраченные зубы, тщательно выбирайте клинику. От профессионализма стоматологов, типа оборудования, используемых систем для имплантации будет зависеть финальный результат. Опытный врач предложит вид искусственного корня, который соответствует клинической картине заболевания. Основные критерии выбора имплантата:
- Показатель приживаемости — лидируют системы Nobel, Straumann — случаи отторжения единичны.
- Наличие сертификатов соответствия.
- Гарантия качества — некоторые производители предоставляют пожизненную гарантию на модели. Не стоит выбирать аналог корня, если заявленный срок службы меньше 15-20 лет.
- Имплантат соответствует клиническому случаю — разные системы могут решать конкретные проблемы. Например, готовы к немедленной нагрузке, не требуют проведения костной пластики.
Искусственный корень должен иметь оптимальные характеристики сохранения уровня краевой кости. В области, где имплантат будет соприкасаться со слизистой оболочкой, со временем будет наблюдаться естественная усадка тканей. Производители систем для имплантации учитывают такой фактор.
Процедура установки импланта
Перед вживлением искусственных корней пациент проходит диагностику. Устанавливают клиническую картину, выявляют противопоказания к операции.
- требуется ли костная пластика;
- какая система будет внедрена;
- выбирает протокол — классический двухэтапный, одномоментный;
- тип нагрузки — немедленная, отсроченная;
- разновидность протезной конструкции.
Операцию проводят под анестезией, седацией, реже — под общим наркозом, разбивают на этапы.
Формирование ложа
Стоматолог разрезает ткани десны и надкостницы лоскутным методом, используя скальпель. Цель — получить доступ к оперируемой зоне кости. Лоскуты отслаиваются, участок кости обнажается, препарируется. Фрезой врач делает метку на месте, где будет вкручиваться имплантат. В некоторых случаях не требуется обработка кости.
Стоматолог формирует ложе путем высверливания канала, размером, точно соответствующим длине имплантата. Затем канал медленно расширяют, используют сверла разных диаметров. Иногда применяют специальные шаблоны для достижения ювелирной точности.
Как только ширина ложа совпадет с диаметром имплантата, врач нарежет резьбу, идентичную резьбе на искусственном корне зуба.
Вкручивание имплантата
На специальный прибор фиксируют имплант, вворачивают в подготовленную лунку, вспомогательный инструмент удаляют. Искусственный корень закрывают заглушкой, которая не позволит окружающим тканям врасти в полость конструкции.
Стоматолог зашивает десну, лоскуты ткани возвращаются в исходное положение, полностью покрывают поверхность внедренной корня.
Формирование десны
Через 3-5 месяцев после имплантации:
- анестезия;
- иссечение тканей десны над ранее установленной заглушкой и ее удаление;
- вкручивание формирователя десны — часть остается над поверхностью слизистой;
- наложение швов.
По истечении 14 дней вокруг внедренного формирователя образуется плотный валик из тканей, он обеспечивает нормальное функционирование зуба.
Установка абатмента
Промежуточный элемент между аналогом корня и коронкой будет зафиксирован в два этапа:
- удаление формирователя десны;
- вкручивание абатмента на его место.
На этом этапе процедура имплантации считается завершенной, планируется протезирование.
Стоматология Axioma Dental восстанавливает любое количество отсутствующих зубов разными видами имплантатов. Зуботехническая лаборатория, сертифицированные материалы, гарантия качества — приглашаем на консультацию.
- Назаров Сергей Григорьевич. Функциональная эффективность зубных протезов фиксированных на непосредственных имплантатах, 1990
- Ботабаев Б. К. Особенности зубного протезирования на дентальных имплантатах различных конструкций Автореф. дис. на соиск. учен. степ. к.м.н. Спец. 14.00.21, 2001
Информация, представленная в статье, размещена в справочных целях и не заменяет консультации квалифицированного специалиста.
Читайте также:
