Аэрация промышленных зданий. Тепловой и ветровой напор
Добавил пользователь Евгений Кузнецов Обновлено: 01.11.2025
Аэрация -
естественная,
организованная,
приточно-вытяжная,
бесканальная,
общеобменная
вентиляция, предназначенная для обеспечения нормируемых параметров
воздуха в рабочих зонах производственных помещений со значительными
избытками явной теплоты (более 23 Вт/м3), так называемых «горячих»
цехов.
Кафедра Теплогазоснабжения и вентиляции
ООО «Меди»
При аэрации перемещение воздуха происходит под действием
избыточного аэростатического давления, возникающего:
- либо вследствие разности плотностей воздуха внутри и снаружи здания,
- либо ветрового давления,
- либо их совместного действия.
При аэрации поступление воздуха в помещение и удаление из помещения
осуществляется через специальные отверстия (аэрационные проемы) в
наружных ограждениях (стенах, покрытиях).
При аэрации может осуществляться подача наружного воздуха в помещение
(приток), удаление загрязненного воздуха из помещения (вытяжка).
При аэрации для перемещения воздуха не используются воздуховоды (каналы).
При аэрации вентилируется весь объем помещения или здания.
ООО «Меди»
Кафедра Теплогазоснабжения и вентиляции
При расчете аэрации различают две задачи:
«прямую», связанную с определением площадей аэрационных проемов
при известных их расположении, характеристиках, расходах воздуха, его
параметрах
«обратную», связанную с определением расходов воздуха при заданных
площадях, расположении, характеристиках аэрационных проемов и других
граничных условиях.
Кафедра Теплогазоснабжения и вентиляции
ООО «Меди»
Аэрация, как приточно-вытяжная естественная вентиляция проектируется,
обычно,
для теплого периода года, характеризующегося
максимальными теплопоступлениями,
минимальными теплопотерями (последними, чаще всего, пренебрегают)
и
минимальным располагаемым давлением, затрачиваемым на перемещение
воздуха.
В отдельных случаях она применяется и в переходный, и в холодный
периоды года - как вытяжная, а при соответствующем обосновании и
организации и как приточная.
Кафедра Теплогазоснабжения и вентиляции
ООО «Меди»
При аэрации можно осуществить значительные воздухообмены
(от 20 до 150 обмен/час) при сравнительно небольших затратах.
Применение в этих случаях механической общеобменной
вентиляции, либо экономически не выгодно, либо практически
не осуществимо.
Исследования, проведенные в «натуре» и на моделях различных
производственных зданий, показали, что расход воздуха, например,
в кузнечном цехе автозавода может достигать 3 млн. м3/ч,
в корпусах электролиза алюминия - 12 млн. м3/ч,
в кислородно-конверторных цехах - 20 млн. м3/ч и т.д.
Кафедра Теплогазоснабжения и вентиляции
ООО «Меди»
Аэрация имеет все недостатки, присущие общеобменной вентиляции:
- сложность обеспечения равномерности полей температур, скоростей воздуха
в помещении;
- рабочие места, удаленные от мест выпуска приточного воздуха, находятся в
худшем положении (повышенные концентрации вредностей) и др.
Кроме того, при аэрации невозможна подготовка приточного воздуха перед
подачей его в помещение (очистка, нагревание и пр.), а также очистка удаляемого из помещения и выбрасываемого в атмосферу загрязненного воздуха.
Поэтому, чаще всего, аэрация проектируется в сочетании с местной вытяжной
вентиляцией (местные отсосы) и местной приточной вентиляцией (воздушное
душирование).
ООО «Меди»
Кафедра Теплогазоснабжения и вентиляции
Существует четыре основных метода аэродинамического расчета
аэрации, разработанных в 30-х годах прошлого века в нашей стране:
«Избыточных давлений» (автор профессор П.Н. Каменев);
«Нейтральной зоны» (автор профессор Г.А. Максимов);
«Фиктивных давлений» (автор профессор В.В. Батурин);
«Фиктивной нейтральной зоны» (автор профессор С.Е. Бутаков).
Кафедра Теплогазоснабжения и вентиляции
ООО «Меди»
В основе их лежат следующие допущения:
1) тепловые и аэродинамические процессы в помещении считаются
установившимися во времени;
2) аэростатическое (гравитационное) давление по высоте меняется по
линейному закону:
dpz = - g ρ dz
где: dpz - изменение давления по высоте, Па;
g - ускорение свободного падения, м/с2;
ρ - плотность воздуха, кг/м3;
dz - приращение расстояния по вертикали, м;
3) параметры воздуха в горизонтальном сечении помещения одинаковы
во всех точках;
4) потери давления при движении воздуха по помещению пренебрежительно
малы по сравнению с потерями давления в аэрационных проемах;
5) при определении расходов воздуха через проемы перепад давлений в них
считается постоянным по вертикали и равным разности давлений на их оси;
6) совместное действие ветрового и гравитационного давлений учитывается
их алгебраическим сложением (метод суперпозиции).
Кафедра Теплогазоснабжения и вентиляции
ООО «Меди»
Обычно рассматривают две естественные силы, приводящие в движение
воздух при аэрации:
ветровое давление и
гравитационное давление.
Полагая, что ветер увеличивает воздухообмен и может создать, тем самым,
более благоприятные условия в рабочей зоне, за расчетный вариант
принимают аэрацию под действием только гравитационного («теплового»)
давления, как наиболее «невыгодный».
ООО «Меди»
Кафедра Теплогазоснабжения и вентиляции
Аэрация под действием гравитационного давления
Метод «Нейтральной зоны»
Этот метод позволяет проанализировать работу аэрационных проемов
количественно и качественно.
Понятие «Нейтральная зона» было предложено Г.А. Максимовым и
обозначало плоскость внутри помещения, в которой разность давлений
снаружи и внутри равна нулю.
Кафедра Теплогазоснабжения и вентиляции
ООО «Меди»
Обозначим давления: на оси приточного отверстия (нижнего) снаружи Ра, а
внутри Рх. Тогда на оси вытяжного (верхнего) отверстия давление в помещении
будет
Тепловой баланс:
ООО «Меди»
Кафедра Теплогазоснабжения и вентиляции
На том же уровне снаружи давление
Текущая разность давлений (на любом уровне)
ООО «Меди»
Кафедра Теплогазоснабжения и вентиляции
Уровень нейтральной зоны
Располагаемое давление на оси приточного отверстия
В вытяжном отверстии перепад давлений представляет разность
между общим располагаемым и затраченным на преодоление сопротивления приточного отверстия
Кафедра Теплогазоснабжения и вентиляции
ООО «Меди»
При решении прямой задачи используют уравнение истечения
Кафедра Теплогазоснабжения и вентиляции
ООО «Меди»
Площади приточного и вытяжного отверстий будут соответственно
ООО «Меди»
Кафедра Теплогазоснабжения и вентиляции
Если принять равными расходы приточного и уходящего воздуха, то
соотношение площадей
Из рассмотренного следует, что:
-отверстия ниже нейтральной зоны (НЗ) «работают» на приток, а выше - на
вытяжку;
-чем меньше высота НЗ, тем больше площадь приточного и меньше площадь
вытяжного отверстия;
-расположение НЗ в плоскости проема приводит к не полной «работе»
отверстия на приток или вытяжку.
ООО «Меди»
Кафедра Теплогазоснабжения и вентиляции
Как правило, стоимость приточных проемов меньше, чем вытяжных. Площадь
последних стараются сделать минимальной.
Поэтому положением нейтральной зоны задаются в пределах:
Вычислив площадь приточных проемов, определяют
ООО «Меди»
Кафедра Теплогазоснабжения и вентиляции
Так как высота нейтральной зоны измеряется от оси приточного отверстия,
чтобы оно «работало» полным сечением необходимо выполнить условие:
Аналогично вычисляется высота вытяжных отверстий и проверяют:
Расчет заканчивается, если удовлетворены оба этих условия.
ООО «Меди»
Кафедра Теплогазоснабжения и вентиляции
Метод «Фиктивных давлений»
Более универсальным представляется метод «фиктивных давлений».
Поскольку истечение через отверстия определяется не собственно
давлениями, а их разностью, было предложено давление внутри помещения
условно считать постоянным по высоте, а давление снаружи переменным.
ООО «Меди»
Кафедра Теплогазоснабжения и вентиляции
При решении прямой задачи необходимо задаться:
Рекомендуется задаться:
ООО «Меди»
Кафедра Теплогазоснабжения и вентиляции
Аэрация под действием ветрового давления
hзд hа.ск
При действии ветра здание обтекается потоком воздуха, характеризуемым
тремя давлениями: динамическим, статическим и полным.
Образуются две характерные зоны: наветренная и заветренная.
X
pст
lа.т
X
Обтекание здания ветром и распределение ветрового давления
ООО «Меди»
Кафедра Теплогазоснабжения и вентиляции
Над зданием высота вихревой зоны называется «аэродинамическим скачком», а
протяженность ее за зданием - длиной «аэродинамической тени»
Переход части динамического давления в статическое обычно выражается с
помощью аэродинамических коэффициентов:
ООО «Меди»
Кафедра Теплогазоснабжения и вентиляции
Численные значения коэффициентов определяются экспериментально по
результатам исследований в аэродинамической трубе.
Для наветренной стороны (0,7 ÷ 0,8); для заветренной (- 0,3 ÷ - 0,4);
для верхней части в районе вытяжных отверстий (- 0,4 ÷ - 0,5).
Кафедра Теплогазоснабжения и вентиляции
ООО «Меди»
Расчетная схема аэрации под действием ветрового давления
ООО «Меди»
Кафедра Теплогазоснабжения и вентиляции
Составляется баланс массового расхода воздуха:
Давления с внешних сторон проемов:
Тогда
ООО «Меди»
Кафедра Теплогазоснабжения и вентиляции
Аэрация при совместном действии гравитационного и ветрового давлений
Расчет ведется на основе метода «фиктивных давлений».
В этом случае фиктивные давления рассматриваются как алгебраические суммы
гравитационного и ветрового давлений у соответствующих отверстий.
Кафедра Теплогазоснабжения и вентиляции
ООО «Меди»
Расчетная схема аэрации под действием гравитационного и ветрового давлений
Кафедра Теплогазоснабжения и вентиляции
ООО «Меди»
Давления с внешних сторон проемов:
Давление внутри:
ООО «Меди»
Кафедра Теплогазоснабжения и вентиляции
Принимается схема движения воздуха через отверстия и составляется
воздушный баланс:
ООО «Меди»
Кафедра Теплогазоснабжения и вентиляции
Взаимодействие аэрации и механической вентиляции
В производственных помещениях со значительными избытками теплоты обычно
помимо аэрации используются и другие виды вентиляции, например, местная
механическая приточная и вытяжная вентиляция. При этом локализующая
вентиляция может быть, как механическая, так и естественная.
Это накладывает определенный отпечаток на расчеты аэрации.
ООО «Меди»
Кафедра Теплогазоснабжения и вентиляции
Рассмотрим уравнение воздушного баланса такого помещения:
Расчетный воздухообмен, обеспечивающий нормируемые параметры
воздуха в рабочей зоне помещения:
Тогда естественные расходы воздуха через приточные и вытяжные
аэрационные проемы:
ООО «Меди»
Кафедра Теплогазоснабжения и вентиляции
В этом случае площади аэрационных отверстий равны:
Кафедра Теплогазоснабжения и вентиляции
ООО «Меди»
Наличие механической вентиляции (как приточной, так и вытяжной, так
и вытяжной) приводит к уменьшению площадей соответствующих аэрационных проемов.
ООО «Меди»
Кафедра Теплогазоснабжения и вентиляции
Аэрация многопролетных зданий
В многопролетных зданиях достаточно сложно правильно организовать
приток и удаление воздуха по пролетам.
Целесообразно располагать пролеты со значительными теплоизбытками:
либо по краям, либо в центре.
ООО «Меди»
Кафедра Теплогазоснабжения и вентиляции
Аэрация в зданиях под действием ветра
При ветровой нагрузке нейтральная зона исчезает. В этом случае при обтекании здания ветром с подветренной стороны возникает повышенное давление, а с заветренной — пониженное. В результате такого распределения давления с наружной стороны и при отсутствии тепловых источников в помещении наружный воздух будет поступать в помещение через все проемы, расположенные с подветренной стороны, а с заветренной — уходить наружу (рис. 2.14) [1].
Для решения вопроса аэрации под действием ветра используется понятие аэродинамического коэффициента, который представляет собой отношение давления или разряжения, создаваемого ветром на элементарной площади наружного ограждения, к динамическому давлению ветра:
Величины аэродинамических коэффициентов по периметру здания должны быть заданы по результатам продува здания на моделях при господствующем для данного района направлении ветра.
По известным величинам аэродинамических коэффициентов К определяют избыточные давления на ограждениях здания Ар и по ним определяют скорости прохождения воздуха через приточные и выходные окна в ограждениях здания по вышеприведенным формулам. Определив скорости входа и выхода воздуха и зная площади проемов, определяют объемы приточного и выходного воздуха

Рис. 2.14. Схема обтекания здания ветром
и составляют воздушный баланс. При его несовпадении необходимо соответствующим образом изменить размеры приточно-вытяжных проемов.
При осуществлении аэрации за счет тепловых источников и под действием ветра необходимо для каждого из имеющихся проемов определить избыточные давления снаружи и внутри помещения. Используя вышеприведенные методики, можно определить результирующие перепад давления в каждом из проемов и их величины использовать в расчетных формулах для определения скорости и объемов проходящего через проемы воздуха. В случае несовпадения результирующего баланса по воздуху необходимо соответствующим образом изменить размеры проемов.
Естественная вентиляция, аэрация зданий
2. Принципиальная схема и конструктивные элементы канальной системы естественной вентиляции. Аэрация зданий.
3. Преимущества системы механической вентиляции
4.Схемы и конструкции приточной и вытяжной систем вентиляции
Современные условия жизни человека требуют эффективных искусственных средств оздоровления воздушной среды. Этой цели служит техника вентиляции. К факторам, вредное действие которых устраняется с помощью вентиляции, относятся: избыточная теплота (конвекционная, вызывающая повышение температуры воздуха, и лучистая); избыточные водяные пары — влага; газы и пары химических веществ общетоксичного или раздражающего действия; токсичная и нетоксичная пыль; радиоактивные вещества. В помещениях, где бывает много людей (зрелищные предприятия, магазины, столовые и др.), тепловыделения создают неблагоприятные условия, вредно отражающиеся на самочувствии, здоровье и работоспособности людей. В цехах и отделах промышленных предприятий избы точная теплота возникает при значительных тепловыделениях машинами, станками, производственной аппаратурой, различными печами, трубопроводами, нагретыми изделиями, остывающими в помещении, людьми, от солнечной радиации и от других источников тепла. При отсутствии вентиляции перечисленные и другие тепловыделения значительно повышают температуру воздуха и затрудняют процесс терморегуляции в организме человека и, кроме того, могут отрицательно влиять на технологический процесс производства.
Системы естественной вентиляции. Канальными системами естественной вентиляции называются системы, в которых подача наружного воздуха или удаление загрязненного осуществляется по специальным каналам, предусмотренным в конструкциях здания, или приставным воздуховодам. Воздух в этих системах перемещается вследствие разности давлений наружного и внутреннего воздуха.
Рекомендуемые материалы
В системах естественной вентиляции величина располагаемого давления, которое расходуется на преодоление сопротивления движению воздуха по каналам и другим элементам системы, незначительна и непостоянна. По-этому приточную канальную вентиляцию с естественным побуждением в настоящее время почти не применяют.
Вытяжная естественная канальная вентиляция осуществляется преимущественно в жилых и общественных зданиях для помещений, не требующих воздухообмена больше однократного. В производственных зданиях согласно СНиП 2.04.05—86 естественную вентиляцию следует проектировать, если она обеспечит нормируемые условия воздушной среды в помещениях и если она допустима по технологическим требованиям.
Вытяжная естественная канальная вентиляция состоит из вертикальных внутристенных или приставных каналов с отверстиями, закрытыми жалю-зийными решетками, сборных горизонтальных воздуховодов и вытяжной шахты. Для усиления вытяжки воздуха из помещений на шахте часто устанавливают специальную насадку — дефлектор. Загрязненный воздух из помещений поступает через жалюзийную решетку в канал, поднимается вверх, достигая сборных воздуховодов, и оттуда выходит через шахту в атмосферу. В современных крупнопанельных зданиях вентиляционные каналы изготовляют в виде специальных блоков или панелей из бетона, железобетона и других материалов. Вентиляционные блоки для зданий с числом этажей до пяти изготовляют с индивидуальными каналами для каждого этажа, а для зданий с числом этажей пять и более с целью сокращения площади, занимаемой каналами, выполняют по схеме с перепуском через один или несколько этажей. Такие блоки имеют сборный канал большого сечения, к которому подключаются вертикальные каналы из этажей. Устройство самостоятельных каналов из каждого помещения обеспечивает пожарную безопасность вентиляционных систем, звукоизоляцию и выполнение санитарно-гигиенических требований.
Если в зданиях внутренние стены кирпичные, то вентиляционные каналы устраивают в толще стен или бороздах, заделываемых плитами.
Аэрацией зданий называется организованный и управляемый естественный воздухообмен через открывающиеся фрамуги в окнах и вентиляционно-световые фонари с использованием теплового и ветрового давлений.
Аэрация широко применяется в производственных зданиях с большими теплоизбытками и позволяет осуществлять воздухообмены, достигающие миллионов кубических метров в 1 ч.
Системы механической вентиляции по сравнению с естественной более сложны в конструктивном отношении и требуют больших первоначальных затрат и эксплуатационных расходов. Вместе с тем они имеют ряд преимуществ. К основным их достоинствам относятся: независимость от температурных колебаний наружного воздуха и его давления, а также скорости ветра; подаваемый и удаляемый воздух можно перемещать на значительные расстояния; воздух, подаваемый в помещение, можно обрабатывать, т.е. нагревать или охлаждать, очищать, увлажнять и осушать. Вследствие этого механическая вентиляция, как приточная так и вытяжная, получила весьма широкое применение особенно в промышленности.
Приточные системы механической вентиляции состоят из следующих конструктивных элементов: 1) воздухоприемного устройства, через которое наружный воздух поступает в приточную камеру; 2) приточной камеры с оборудованием для обработки воздуха и подачи его в помещения; 3) сети каналов и воздуховодов, по которым воздух вентилятором распределяется по отдельным вентилируемым помещениям; 4) приточных отверстий с решетками или специальных приточных насадков, через которые воздух из приточных каналов поступает в помещения; 5) регулирующих устройств в виде дроссель клапанов или задвижек, устанавливаемых в воздухоприемных устройствах, на ответвлениях воздуховодов и в каналах.
Вытяжные системы механической вентиляции обычно состоят из следующих элементов: 1) жалюзийных решеток и специальных насадков, через которые воздух из помещений поступает в вытяжные каналы; 2) вытяжных каналов, по которым воздух, извлекаемый из помещений, транспортируется в сборный воздуховод; 3) сборных воздуховодов, соединенных с вытяжной камерой; 4) вытяжной камеры, в которой установлен вентилятор с электродвигателем; 5) оборудования для очистки воздуха, если удаляемый воздух сильно загрязнен; 6) вытяжной шахты, служащей для отвода в атмосферу воздуха, извлекаемого из помещений; 7) рейдирующих устройств (дроссель-клапанов или задвижек).
Отдельные приточные и вытяжные системы механической вентиляции могут не иметь некоторых из перечисленных элементов. Например, приточные системы вентиляции не всегда комплектуются фильтрами для очистки воздуха.
В настоящее время в общественных и производственных зданиях устраивают преимущественно механическую вентиляцию, в которой воздух перемещается по сети воздуховодов и другим элементам системы с помощью радиальных и осевых вентиляторов, приводимых в действие электродвигателями.
1. Каким образом можно усилить естественную вентиляцию
2. Расскажите кратко о конструктивных элементах канальной системы естественной вентиляции
3. Какую роль играют «теплые » чердаки зданий
4. Назовите конструктивные основные элементы приточных и вытяжных систем вентиляции
5. Какие типы вентиляторов применяются в системах вентиляции
6. Что понимают под местной приточной вентиляцией
1. Тихомиров К.В., Сергиенко З.С. Теплотехника, теплоснабжение и вентиляция: Учебник для вузов. - М.: Стройиздат, 1991. - 475 с., ил.
2. Внутренние санитарно-технические устройства в 3 ч. Ч.1. Отопление. Ю.Н.Саргин и др. / Под редакцией И.Г.Староверова и Ю.И.Шиллера. 4-е изд. - М.: Стройиздат, 1989. - 346 с., ил. (Спр. Проект.)
3. Богословский В.Н., Сканави А.Н. Отопление. Учебник для вузов. - М.: Стройиздат, 1991. - 735 с., ил.
4. Грудзинский М.М., Ливчак В.И., Поз М.Я. Отопительно-вентиляционные системы повышенной этажности.-М.:Стройиздат, 1982
ЕСТЕСТВЕННАЯ ВЕНТИЛЯЦИЯ
Воздухообмен при естественной вентиляции происходит вследствие разности температур воздуха в помещении и наружного воздуха, а также под действием ветра.
Разность температур воздуха внутри (более теплого) и снаружи помещения, следовательно, и разность плотностей вызывает поступление холодного воздуха в помещение и вытеснение из него теплого воздуха. При действии ветра с заветренной стороны зданий создается пониженное давление, вследствие чего происходит вытяжка теплого или загрязненного воздуха из помещения. В то же время с наветренной стороны здания создается избыточное давление, под действием которого в помещение поступает свежий воздух.
Естественная вентиляция производственных помещений может быть неорганизованной и организованной.
Неорганизованная естественная вентиляция — инфильтрация или естественное проветривание — осуществляется сменой воздуха в помещениях через неплотности в ограждениях и элементах строительных конструкций, через форточки и специальные проемы.
Такой воздухообмен зависит от случайных факторов — силы и направления ветра, температуры воздуха внутри и снаружи здания, вида ограждений и качества строительных работ. Однако инфильтрация может быть значительной и для жилых зданий достигать 0,5. 0,75 объема помещения в час, а для промышленных предприятий — до 1. 1,5 объема помещения в час.
Организованная естественная вентиляция может быть канальной и бесканальной вентиляцией (аэрация).

Рис. В.2. Схема естественной канальной приточно-вытяжной вентиляции
Канальная естественная вытяжная вентиляция без организованного притока воздуха (рис. 6.2) широко применяется в жилых и административных зданиях. Расчетное гравитационное давление таких систем вентиляции определяют при температуре наружного воздуха 5 °С, считая, что все оно расходуется на тракте вытяжного канала, без учета сопротивления входу воздуха в здание. При расчете сети воздуховодов, прежде всего, производят ориентировочный подбор их сечений, исходя из допустимых скоростей движения воздуха в каналах верхнего этажа v = 0,5. 0,8 м/с, в каналах нижнего этажа и сборных каналах на чердаке v = 1. 1,5 м/с.
Для увеличения располагаемого давления в системах естественной вентиляции на устье вытяжных шахт устанавливают насадки — дефлекторы. Усиление тяги происходит благодаря разрежению, возникающему при обтекании дефлектора ветром. На рис. 6.3 приведена схема дефлектора ЦАГИ. Ветер, обдувая обечайку дефлектора, создает разрежение, вследствие чего воздух из помещения движется по воздуховоду и патрубку и затем выходит наружу через две кольцевые щели. Эффективность работы дефлектора зависит главным образом от скорости ветра и высоты установки их над коньком крыши.

Рис. В.З. Схема дефлектора:
- 1 - козырек защиты от осадков; 2 - цилиндрический патрубок;
- 3 - крепление патрубка; 4 - вентиляционная труба
При ориентировочном расчете дефлекторов определяют диаметр вентиляционной трубы по формуле:
где La — производительность дефлектора, м 3 /ч; Кд — скорость воздуха в патрубке, м/с. Принимается равной половине скорости ветра (для каждой местности известна средняя скорость ветра за наиболее жаркие месяцы).
Аэрация осуществляется в холодных цехах за счет ветрового давления, в горячих цехах за счет совместного или раздельного действия теплового и ветрового давления. Аэрация осуществляется следующим образом.
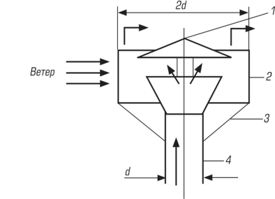
В здании цеха, оборудованном тремя рядами проемов со створками, в летнее время открываются проемы 1 и 3 (рис. 6.4а). Свежий воздух поступает в помещение через нижние проемы 1, расположенные на высоте 1. 1,5 м от пола, а удаляются через проемы 3 в фонаре здания. В зимнее время наружный воздух поступает через проемы 2, расположенные на высоте 4. 7 м от пола (рис. 6.46). Высота принимается с таким учетом, чтобы холодный наружный воздух, опускаясь до рабочей зоны, успел достаточно нагреться за счет перемешивания с теплым воздухом помещения. Воздухообмен можно регулировать, меняя положение створок.

Рис. 6.4. Аэрация зданий
Расчетная разность давлений, под действием которой происходит воздухообмен в помещении, обусловлена разностью плотностей (температур) наружного (вне здания) и внутреннего (в помещении) воздуха (тепловой напор АРТ) и в результате обдувания здания ветром (ветровой напор ДРв) и определяется по формуле:
Температура воздуха внутри помещения вследствие выделения избытков явной теплоты бывает, как правило, выше температуры наружного воздуха. Следовательно, плотность наружного воздуха больше плотности воздуха внутри помещения, что обусловливает наличие разности давлений наружного и внутреннего воздуха. На определенной высоте помещения, в так называемой плоскости равных давлений (рис. 6.5), эта разность равна нулю.

Рис. 6.5. Распределение давления воздуха в здании 96
Ниже плоскости равных давлений существует разрежение, обусловливающее поступление наружного воздуха:
где И] — расстояние от середины нижних отверстий до плоскости равных давлений, м; р ср п — средняя плотность воздуха в помещении, соответствующая средней температуре воздуха в помещении /ср п, определяемая по формуле /ср п = (Гр 3 + tBblT)/2; tp 3, Гвыт - температуры воздуха в рабочей зоне и воздуха, удаляемого из помещения.
Выше плоскости равных давлений существует избыточное давление, вызывающее вытяжку воздуха, которое на уровне центра верхних отверстий составляет:
где И2 — расстояние от плоскости равных давлений до центра верхних отверстий, м.
Величина теплового давления, под влиянием которого происходит воздухообмен в помещении, равна сумме давлений на уровне нижних проемов:
Расчет аэрации при совместном действии ветра и избытков явной теплоты производится по формуле:
где а — аэродинамический коэффициент, зависящий от конфигурации здания и определяемый по результатам обдува моделей зданий.
При расчете аэрации определяют площадь проемов.
Расчет проводят для летнего времени, как самого неблагоприятного для аэрации.
В начале расчета задаются площадью нижних проемов. Зная необходимое количество воздуха I, определяют необходимую площадь верхних проемов:
где р — коэффициент расхода, величина которого зависит от конструкции створок и угла их открытия, р = 0,15. 0,65.
Преимуществом аэрации является то, что большие объемы воздуха подаются и удаляются без применения вентиляторов и воздуховодов. Система аэрации значительно дешевле механических систем вентиляции.
К недостаткам аэрации следует отнести то, что в теплый период года эффективность аэрации может существенно падать вследствие повышения температуры наружного воздуха и, кроме того, поступающий в помещение воздух не проходит предварительную обработку, т.е. не очищается и не охлаждается.
Аэрация производственных помещений
Аэрацией называется организованный естественный воздухообмен, происходящий в цехах под действием ветра, а при наличии источников теплоты — под действием ветра и разности плотностей наружного и внутреннего воздуха.
Аэрация обеспечивает подачу в помещение большого количества наружного воздуха при незначительных перепадах давления. Одновременно с аэрацией может применяться и механическая вентиляция [1, 4, 5].
Аэрация под действием тепловыделения в помещениях
При расчете естественной вентиляции используют понятие о внутреннем избыточном давлении, под которым понимается разность давлений внутри и снаружи помещения на одном и том же уровне. Оно может быть как положительным, так и отрицательным. Плоскость, на уровне которой избыточное давление равно нулю, называется нейтральной зоной. В плоскостях, расположенных выше уровня нейтральной зоны, внутреннее избыточное давление будет положительным, а ниже нейтральной зоны — отрицательным. Такое изменение внутреннего избыточного давления по высоте характерно для помещений с внутренними тепловыделениями. При этом из объема помещения, расположенного выше уровня нейтральной зоны, воздух будет удаляться наружу, а в нижнюю часть помещения наружный воздух будет поступать.
Допустим, что снаружи цеха в произвольно выбранной горизонтальной плоскости АВ давление ра (рис. 2.13).
На этом же уровне, но внутри цеха давление составит: ра +ртб.
Разность давлений внутри и снаружи цеха на одном и том же уровне будем называть внутренним избыточным давлением (ртб). Оно может быть как положительной, так и отрицательной величиной.
Проведем плоскость CD ниже первоначальной АВ на /. м, и плоскость EF выше плоскости АВ на И2, м.
Вес столба наружного воздуха между плоскостями А В и CD будет равен AjPH.

Рис. 2.13. Изменение внутреннего избыточного давления внутри цеха при тепловых избытках
Вес такого же столба воздуха внутри цеха будет равен: /?, рср п, где рср п — плотность воздуха при средней температуре в помещении,
где / — площадь окна для удаления воздуха, м 2 ; tp 3 — температура воздуха в рабочей зоне, °С;
/ — температура уходящего (удаляемого) воздуха, °С.
Давление воздуха в плоскости CD снаружи составит: pa+hjpH, а внутри: рл +рт6 + А,рср.п-
Разница давлений внутри и снаружи в плоскости CD составит величину избыточного давления:
Таким образом, если под влиянием тепловых избытков в какой- нибудь плоскости внутри цеха имеется избыточное давление /?изб, то во всех плоскостях, лежащих на /?] ниже плоскости АВ, это избыточное давление уменьшается на величину
В плоскости EF барометрическое давление снаружи цеха будет меньше на величину h2рн и равно ра — h2рн.
Давление воздуха в цехе в плоскости ЕЁ составит:
Избыточное давление внутри цеха в плоскости EF составит:
Таким образом, избыточное давление во всякой вышележащей плоскости увеличивается на величину h2(pH — рсрп).
На основании вышерассмотренного понятия об избыточном давлении в различных сечениях по высоте цеха и решается задача аэрации.
Если избыточное давление в какой-то плоскости выше нуля, то при отсутствии ветра воздух будет выходить из цеха наружу через любое предусмотренное отверстие.
И наоборот, если избыточное давление в низко расположенных плоскостях объема цеха ниже нуля, то через любое отверстие в цех будет поступать наружный воздух.
Плоскость, в которой внутреннее избыточное давление равно нулю, называется нейтральной зоной. При ветровой нагрузке нейтральная зона исчезает. Если при отсутствии ветра в плоскости центра фрамуги цеха избыточное давление выше нуля, то величина избыточного давления будет практически равна динамическому давлению воздуха на выходе через фрамугу, не учитывая потери:
где рух — плотность уходящего (удаляемого) воздуха,W 2 ух — скорость уходящего (удаляемого) воздуха, м/с.
Если избыточное давление меньше нуля, то через фрамугу будет поступать воздух в цех. Величина его динамического давления определяется избыточным давлением в данной плоскости:
где рн — плотность поступающего (наружного) воздуха, кг/м 3 ;
Ж 2 вход — скорость поступающего (наружного) воздуха, м/с.
Допустим, что в здании имеются два отверстия (1 и 2), расположенные на разных высотах от пола. В помещении имеются теп- лоизбытки, а ветер отсутствует.
Допустим, что в плоскости ЛВ внутреннее избыточное давление равно нулю. В этом случае в плоскости центра 1-го отверстия внутреннее избыточное давление будет равно:
Следовательно, в плоскости нижнего отверстия давление снаружи будет больше, чем в помещении, на величину /ijAр, и равно динамическому давлению воздуха в первом отверстии:
В плоскости центра верхнего (второго) отверстия внутреннее давление будет равно: Р2изб = 0 — h2Ар, следовательно:
Разделив уравнения (2.40) и (2.41), получим: Учитывая, чтогде G — массовый расход поступающего наружного воздуха, кг/с.
С некоторым упрощением получается:Таким образом, если в здании имеются два отверстия, расположенные на различных высотах, то под действием теплоизбытков сечение с внутренним избыточным давлением, равным нулю (нейтральная зона), находится на расстоянии от этих отверстий, обратно пропорциональном квадратам их площадей. При условии /j = =f2, hy =h2 и плоскость с нулевым внутренним избыточным давлением находится посередине высоты между отверстиями, то из приведенного уравнения можно получить:
В этом случае расстояние от оси фрамуги до нейтральной зоны:
Определение воздухообмена в цехе под действием гравитационных сил, если известны все площади открывающихся фрамуг и они расположены по вертикали в соответствии со схемой, производится следующим образом.
- 1. По заданной температуре наружного воздуха и средней температуре воздуха в цехе определяется разность плотностей: Ар = рн —
- — Pcp.ir
- 2. В плоскости пола цеха необходимо задаться величиной внутреннего избыточного давления. Эта величина принимается (—3). (—8) Па. После этого определяется избыточное давление в центрах всех фрамуг.
- 3. Определяется скорость и расходы воздуха в фрамугах и составляется баланс расхода воздуха.
- 4. Проверяется равенство притока и вытяжки. Если равенство не получилось, то следует задаться другим внутренним давлением на полу и вновь провести расчет.
- 5. При вторичном несовпадении баланса следует построить график зависимости расходов от избыточных давлений. Из этого графика определяют действительный общий приток и общую вытяжку воздуха.
При условии, когда общий обмен получился больше необходимого вентиляционного обмена, расчет может быть закончен. В противном случае следует пропорционально увеличить площади фрамуг.
Для лучшей гарантии при внезапных изменениях направления ветра, а также для уменьшения явлений дутья, вызванных наружным холодным воздухом зимой, площадь нижних фрамуг для притока принимают несколько большей, чем площадь верхних фрамуг (ориентировочно принимают 1,25).
Читайте также:
- Синдром Вагнера-Унферрихта (Wagner-Unverricht)
- Рентгенограмма с патологией средостения при правосторонней дуге аорты: описание, заключение
- Хорионический гонадотропин человека (ХГЧ). Функции хорионического гонадотропина человека
- Неряшливость у пожилых людей
- Акустические феномены молочной железы. Внутренняя эхоструктура молочной железы
