Требования к местной механической вентиляции. Общая механическая вентиляция
Добавил пользователь Владимир З. Обновлено: 21.11.2025
Системы механической вентиляции применяются там, где недостаточно естественной вентиляции. В механических системах используется оборудование и приборы (вентиляторы, фильтры, воздухонагреватели и т.д.), позволяющие перемещать, очищать и нагревать воздух. Такие системы вентиляции могут удалять или подавать воздух в вентилируемые помещения не зависимо от условий окружающей среды.
Системы механической вентиляции также могут быть канальными и бесканальными. Наиболее распространены канальные системы. Затраты электроэнергии на их работу могут быть довольно большими. Такие системы могут подавать и удалять воздух из локальных зон помещения в требуемом количестве, независимо от изменяющихся условий окружающей воздушной среды.
Преимуществом механической вентиляции перед естественной является возможность обеспечения стабильного требуемого воздухообмена независимо от времени года, наружных метеорологических условий, а также скорости и направления ветра. Она позволяет обрабатывать подаваемый в помещения воздух, доводя его метеорологические параметры до значений, требуемых стандартом, и очищать от вредных примесей воздух перед выбросом в атмосферу. Поэтому она часто используется при работе инжиниринговых компаний. К недостаткам механической системы вентиляции можно отнести высокие расходы электроэнергии, однако эти расходы быстро окупаются.
Если выделяющиеся в помещении тепло, влага, газы, пыль, запахи или пары жидкостей поступают непосредственно в воздух всего помещения, то устанавливают общеобменную вентиляцию. Общеобменные вытяжные системы относительно равномерно удаляют воздух из всего обслуживаемого помещения, а общеобменные приточные системы подают воздух и распределяют его по всему объему вентилируемого помещения. В этом случае рассчитывается объём вытяжного воздуха таким образом, чтобы после его замещения приточным загрязнение воздуха упало бы до величин предельно допустимой концентрации (ПДК).
Обычно из помещения извлекается такое же количество воздуха, какое в него и подаётся. Однако бывают случаи, когда общий приток воздуха не равен вытяжке. Так, например, из помещений, в которых выделяются пахучие вещества или ядовитые газы, извлекается больше воздуха, чем подаётся через приточную систему, для того, чтобы вредные газы и запахи не распространялись по всему зданию. Недостающий объём воздуха подкачивается через открытые проёмы наружных ограждений или из соседних помещений с более чистым воздухом.
Общеобменная приточная вентиляция
Приточные системы служат для подачи в вентилируемые помещения чистого воздуха взамен удаленного. Приточный воздух в необходимых случаях подвергается специальной обработке (очистке, нагреванию, увлажнению и т.д.).
Схема приточной механической вентиляции (рис. 1) включает: воздухозаборное устройство 1; фильтр для очистки воздуха 2; воздухонагреватель (калорифер) 3; вентилятор 5; сеть воздуховодов 4 и приточные патрубки с насадками 6. Если нет необходимости к подогреве приточного воздуха, то его пропускают непосредственно в производственные помещения по обводному каналу 7.
Помещения могут быть оборудованы только системами приточной вентиляции. В таких случаях в помещение подается определенное расчетом количество воздуха. Удаление воздуха может происходить неорганизованно через неплотности в строительных ограждениях или через специально для этих целей предусмотренные отверстия.

Рис. 1. Схема приточной вентиляции
В установившемся состоянии количество приточного воздуха всегда равно количеству удаляемого воздуха независимо от суммарной площади неплотностей или отверстий в строительных конструкциях. Приточными системами, как правило, оборудуются наиболее «чистые» помещения, так как воздух движется из этих помещений, а не наоборот.
Местная приточная вентиляция
Местные приточные системы вентиляции осуществляют подачу свежего воздуха непосредственно на рабочее место или к месту отдыха. В зоне действия системы создаются условия, отличающиеся от условий во всем помещении и удовлетворяющие поставленным требованиям. К местной приточной вентиляции относятся воздушные души т оазисы. Воздушный душ представляет собой местный, направленный на человека, поток воздуха. В зоне действия воздушного душа создаются условия отличные от условий во всем объеме помещения. При помощи воздушного душа могут быть изменены такие параметры как: подвижность человека; температура; влажность; концентрация той или иной вредности. Наиболее часто воздушный душ применяется в горячих цехах, на рабочих местах подверженных тепловому излучению.
К местной приточной вентиляции относятся и воздушные оазисы - участки помещений, отгороженные от остального помещения передвижными перегородками высотой 2,0 - 2,5 метра, в которые нагнетается воздух с пониженной температурой.
Местная вентиляция требует меньших затрат, чем общеобменная.
Общеобменная вытяжная вентиляция
Вытяжная вентиляция используется для удаления из производственного или жилого помещения (цеха, корпуса) загрязненного или нагретого отработанного воздуха. В случае оборудования помещений только вытяжной системой вентиляции организованно производится удаление воздуха из помещений. Приток осуществляется неорганизованно или через неплотности в строительных конструкциях, либо через отверстия специально для этих целей предусмотренные.
Вытяжная вентиляция (рис. 2) состоит из очистительного устройства 1, вентилятора 2, центрального 3 и отсасывающих воздуховодов 4.
В отличие от приточных систем вентиляции, в помещениях, имеющих только вытяжные системы, давление устанавливается ниже атмосферного или ниже, чем в соседних помещениях.
При наличии в помещении только вытяжной системы вентиляции, так же как и в случае приточной вентиляции, происходит перетекание воздуха из зоны повышенного давления в зону пониженного. Таким образом, исключается или затрудняется движение воздуха в обратном направлении. Системами вытяжной вентиляции оборудуются наиболее «грязные» помещения, когда нужно предотвратить или сократить распространение из них воздуха в соседние помещения.

Рис. 2. Схема системы вытяжной вентиляции
Местная вытяжная вентиляция
Местную вытяжную вентиляцию применяют в ситуации, когда места выделения вредностей в помещении локализованы и можно не допустить их распространение по всему помещению. Местная вытяжная вентиляция в производственных помещениях обеспечивает улавливание и отвод вредных выделений: газов, дыма, пыли, взвесей и частично выделяющегося от оборудования тепла. Для удаления вредностей применяют местные отсосы (укрытия в виде шкафов, зонты, бортовые отсосы, укрытия в виде кожухов у станков и др.).
Основные требования, которым они должны удовлетворять:
место образования вредных выделений по возможности должно быть полностью укрыто;
конструкция местного отсоса должна быть такой, чтобы отсос не мешал нормальной работе и не снижал производительности труда;
вредные выделения необходимо удалять от места их образования в направлении их естественного движения (горячие газы и пары надо удалять вверх, холодные тяжелые газы и пыль - вниз).
Воздух, удаляемый из помещения при местной вытяжной вентиляции, перед выбросом его в атмосферу должен быть предварительно очищен от пыли. Наиболее сложными вытяжными системами являются такие, в которых предусматривают очень высокую степень очистки воздуха от пыли с установкой последовательно двух или даже трех пылеуловителей (фильтров).
Местные вытяжные системы, как правило, весьма эффективны, так как позволяют удалять вредные вещества непосредственно от места их образования или выделения, не давая им распространиться в помещении. Благодаря значительной концентрации вредных веществ (паров, газов, пыли), обычно удается при небольшом объеме удаляемого воздуха достичь хорошего санитарно-гигиенического эффекта.
Приточно-вытяжная вентиляция
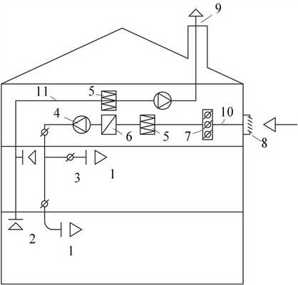
Система приточно-вытяжной вентиляции основывается на создании двух встречных потоков. Такая система может быть создана либо на основе независимых подсистем притока и вытяжки воздуха - с собственными вентиляторами, фильтрами и т.д., либо на основе одной соответствующей установки, работающей как на приток, так и на вытяжку. Схема приточно-вытяжной системы вентиляции показана на рис.3.

Рис. 3. Система приточно-вытяжной вентиляции: 1 - воздухораспределители; 2 - воздухоприемные устройства (решетки); 3 - заслонки; 4 - вентилятор (приточный, вытяжной); 5 - фильтр; 6 - воздухонагреватель; 7 - воздушный клапан; 8 - наружная решетка; 9 - зонт вытяжной; 10 - приточный воздуховод; 11 - вытяжной воздуховод
Удобство таких систем не только в облегчении установки и монтажа, но и в эксплуатации, а также в дополнительных свойствах таких систем. Одним из таких свойств является рекуперация тепла - процесс, при котором происходит частичное повышение температуры приточного воздуха за счет тепла вытягиваемого воздуха. При этом энергия затрачивается только на организацию воздухопотоков, т.е. не расходуется на нагрев поступающего воздуха. Нагрев поступающего воздуха за счет рекуперации может дополняться электрическим или водяным нагревателем. Приточно-вытяжная вентиляция обеспечивает принудительную замену воздуха в помещении; производит необходимую обработку воздуха (нагрев, очищение); некоторые системы предусматривают и увлажнение воздуха в определенных пределах.
Состав систем вентиляции
Состав системы вентиляции зависит от ее типа. Приточные искусственные (механические) системы вентиляции - наиболее сложные и часто используемые, поэтому именно их состав мы и рассмотрим.
Обычно приточная механическая система вентиляции состоит из следующих составляющих (расположенных по направлению движения воздуха, от входа к выходу):
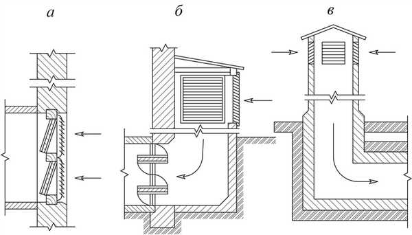
Воздухоприемное устройство. Воздухоприемные устройства в системах механической вентиляции выполняются в виде отверстий в ограждениях зданий, приставных или отдельно стоящих шахт (рис.4).
При заборе воздуха сверху воздухоприемные устройства размещают на чердаке или верхнем этаже здания, а каналы выводят выше кровли в виде шахт.
Расположение и конструкция воздухоприемных устройств выбираются с учетом обеспечения чистоты забираемого воздуха и удовлетворения архитектурных требований. Так, воздухоприемные устройства не должны находиться вблизи источников загрязнения воздуха (выбросов загрязненного воздуха или газов, дымовых труб, кухонь и т. д.).
Высотное взаиморасположение приточных отверстий должно назначаться с учетом объемной массы выделяющихся загрязнений. Отверстия для забора воздуха следует размещать на высоте более 1 м от уровня устойчивого снегового покрова, определяемого по данным гидрометеостанций или расчетом, но не ниже 2 м от уровня земли.

Рис.4. Воздухоприемные устройства: а - в наружной стене; б - у наружной стены; в - на крыше
Архитектурные требования выполняются соответствующим выбором расположения отверстий и их оформлением.
Наружные стены вытяжных каналов и шахт утепляются во избежание конденсации водяных паров из извлекаемого влажного воздуха и образования наледей.
Скорость движения воздуха в приточных каналах и шахтах принимается в пределах 2 - 5 м/с, в каналах и шахтах выбросных устройств - 4 - 8 м/с, но не менее 0,5 м/с, в том числе и для естественной вентиляции.
Воздушный клапан. Для предохранения помещений от поступления в них через вентиляционные каналы при неработающей вентиляции холодного наружного воздуха воздухоприемные устройства оборудуются многостворчатыми утепленными клапанами с ручным или механическим приводом. В последнем случае клапан блокируется с вентилятором и перекрывает отверстия при его остановке. При низкой расчетной температуре наружного воздуха клапаны снабжаются системой электроподогрева в целях предохранения от промерзания их створок. Электроподогрев включается на 10-15 мин перед пуском вентилятора.
Фильтр. Воздушный фильтр — это устройство в системах вентиляции, которое служит для очистки приточного, а в некоторых случаях, и вытяжного воздуха. Фильтр необходим, чтобы защищать как саму вентиляционную систему, так и вентилируемые помещения от попадания различных мелких частиц, таких как пыль, насекомые, пух и т.д. Конструктивное решение воздушного фильтра определяется характером пыли (загрязнений) и требуемой чистотой воздуха.
Коэффициент проскока (Р, %) - характеристика фильтра или фильтрующего материала, равная процентному отношению концентрации частиц после фильтра СП к концентрации частиц до фильтра СД
Эффективность (Е, %) - характеристика фильтра или фильтрующего материала, равная процентному отношению разности концентрации частиц до СД и после фильтра СП к концентрации частиц до фильтра СД
Размер наиболее проникающих частиц - размер частиц, соответствующий минимальной эффективности фильтрующего материала.
Производительность фильтра (расход воздуха) - объем воздуха в единицу времени, проходящего через фильтр.
Аэродинамическое сопротивление (перепад давления на фильтре) - разность полных давлений до и после фильтра при определенной производительности фильтра.
Фильтры классифицируют по назначению и эффективности на:
фильтры общего назначения - фильтры грубой очистки и фильтры тонкой очистки;
фильтры, обеспечивающие специальные требования к чистоте воздуха - фильтры высокой эффективности и фильтры сверхвысокой эффективности.
Механическая вентиляция помещений

Механическая вентиляция — оптимальное решение для организации регулируемого воздушного обмена в быту, на производстве и коммерческом объекте. Оборудование отличается широким функционалом, расширенными возможностями автоматизации и набором дополнительных опций. В чем заключается принцип работы механической вентиляции? Насколько она затратна и эффективна? В этой статье поговорим об устройстве и назначение оборудования, принятой классификации, особенностях проектирования и монтажа.

Что называется механической вентиляцией?
Механическая или принудительная вентиляция — комплекс оборудования, который обеспечивает приток воздушных масс в помещения с помощью вентиляционных каналов. Движение кислорода в воздуховодах осуществляется вентиляторами. Перед поступлением в помещения он подвергается обработке (фильтрации, подогреву, ионизации) с целью поддержания теплового комфорта и снижения количества энергии, необходимой для обогрева и охлаждения помещений.
Механический принцип используется для подачи свежего кислорода в помещения здания, а также для снижения влажности и снижения концентрации загрязняющих веществ, таких как пыль, микроорганизмы, неприятные запахи, углекислый газ и смог и др.
Как устроена механическая вентиляция?
Ключевые компоненты системы:
- Вентиляционные каналы — по ним движется воздух.
- Приточные и вытяжные вентиляторы в наборных установках или приточно-вытяжная установка в моноблочных — осуществляют забор и отведение потока.
- Фильтры — очищают воздух от грязи, пыли, смога, пыльцы.
- Ионизаторы и увлажнители — повышают качество приточных воздушных масс перед подачей в помещение.
- Канальные нагреватели и охладители — приборы термической подготовки в зимний и летний период.
- Акустические глушители — снижают шум работающей установки.
- Рекуператор — опция, повышающая энергоэффективность механической приточно-вытяжной вентиляции. В теплообменнике происходит передача тепла отработанного кислорода и предварительный нагрев приточного.
В набор оборудования также входят декоративные решетки, диффузоры, кронштейны. Модели высокого технического уровня оснащаются комплектом датчиков и блоком автоматического управления.
Сущность механической вентиляции
Скорость воздухообмена в здании имеет большое значение. Она не только обеспечивает приятный микроклимат в помещении, но и предотвращает структурные повреждения, вызванные, например, конденсатом.
В новых зданиях с герметичной конструкцией воздухообмен через неплотности здания отсутствует, поэтому для обеспечения хорошего его качества в помещении рекомендуется регулярное прерывистое проветривание или механическое. В промышленных зданиях или производственных помещениях, где помимо теплого воздуха вырабатывается в основном пар или выхлопные газы, регулярное прерывистое проветривание не всегда целесообразно. Чтобы в полной мере контролировать эти обстоятельства, используется управляемый принцип.
Свежий воздух — самый важный фактор на рабочем месте
Воздухообмен и связанный с ним свежий воздух в рабочей зоне играют особенно важную роль. Чтобы иметь оптимальное воздействие на рабочий день, подаваемый свежий воздух должен доходить до работающих как можно более чистым, прямым и несмешанным.
Поэтому его следует подавать как можно глубже в здание и как можно ближе к рабочей зоне. Это также имеет большое преимущество, заключающееся в том, что в рабочей зоне может быть достигнута максимальный воздухообмен за счет целевого потока с меньшими объемами кислорода. Спертый воздух может быть удален из здания с помощью естественной системы без дополнительных эксплуатационных затрат за счет теплового лифта.
Принцип работы механической вентиляции
Установка работает с целевым потоком ветра и одним или несколькими вентиляторами. Они обеспечивают необходимый воздухообмен в помещении или здании — полностью независимо от внешних воздействий, таких как давление ветра или температуры.
Механическая вентиляция: требования
Нормы организации вентиляционных систем изложены в нескольких документах: СП 336.1325800.2017, ГОСТ 12.4.021-75 ССБТ, СНиП 41-01-2003 и СНиП 2.04.05-91.
- Механической наружной вентиляцией оборудуются все помещения, которые не имеют естественной вентиляции.
- В помещении необходимое проветривание обеспечивается напрямую за счет притока, либо опосредованно за счет подачи из соседнего помещения.
- Требуемый минимальный расход вентиляционного воздуха в помещении может быть обеспечен за счет равного количества приточного или приточно- вытяжного потока.
- Проектировщик может заложить в расчеты повышенный уровень воздухообмена в зависимости от предпочтений владельца или конкретных потребностей объекта.
- Стандарты допускают прямую подачу из других помещений для смежных комнат при условии, что общее количество наружного воздуха достаточно.
- Воздухозаборники и вытяжки наружного потока должны иметь автоматические или гравитационные заслонки, закрывающиеся при неработающей системе.
- Требования к оборудованию должны обеспечивать баланс между здоровьем жильцов и энергосбережением.
- Воздухозаборные отверстия, выходящие наружу, должны быть защищены коррозионно стойкими экранами, жалюзи или решетками.
Соблюдение требований отраслевых стандартов — обязательное условие эффективной, безопасной и штатной эксплуатации основных систем.
В чем отличие естественной вентиляции от механической?
Естественная — работает благодаря вертикальным вентиляционным каналам в дымоходах, выведенных над крышей, и воздухозаборникам (или проветривателям) в оконных рамах, реже — непосредственно в стенах. Каналы дымохода обеспечивают вытяжку и приток кислорода, поступающего через диффузоры поступает в помещение. Само движение воздуха происходит без помощи вентиляторов. Движущей силой здесь является разница в температуре и плотности. Теплый, т.е. чуть менее плотный, воздух изнутри поднимается вверх по дымоходным каналам, в то же время прохладный и плотный наружный воздух поступает на его место через диффузоры. Отсутствие элементов механического побуждения (вентиляторов, работающих от электроэнергии) — ключевое отличие естественной и механической систем.
Несомненным преимуществом обычной установки является то, что этот тип не требует для работы вентиляторов или каких-либо других механических устройств. Следовательно, нет необходимости в электричестве, поэтому возможный выход из строя электросети не является проблемой. Кроме того, этот тип проветривания практически бесшумный, за исключением случайного шума в воздуховодах или в диффузорах из-за сильного ветра.

Главный недостаток естественного воздухообмена состоит в том, что работу такой системы очень трудно контролировать на практике. Ее интенсивность зависит от внешних факторов: увеличивается зимой, когда на улице намного прохладнее, чем внутри, и заметно ослабевает летом. Приходится считаться с тем, что в теплое время года возникает необходимость открывать окна и создавать сквозняк. Хотя самотечный воздухообмен не потребляет электроэнергии, на самом деле она чрезвычайно энергозатратна. В течение отопительного сезона вместе с удаляемым воздухом уходит тепло, используемое для подогрева подаваемого снаружи холодного воздуха.
Какие вентиляционные системы относятся к механическим?
В зависимости от способа воздухообмена механическую вентиляцию можно разделить на общую, местную, гибридную. В классификацию также включают аварийную установку. О функционале и назначении каждой группы оборудования — в следующих разделах.
Общеобменные
Отвечают за организацию микроклимата и поддержание воздухообмена во всем помещении. Равномерно распределяют воздух по помещению и снижают предельно допустимую концентрацию вредных веществ. На предприятиях с большим объемом вредных выбросов комбинируются с локальными вытяжками.
Местные
К местным устройствам механического воздухообмена относятся:
- местные вытяжки;
- шкафы;
- отсосы;
- воздушные завесы.
Удаляют загрязняющие веществ непосредственно на месте их образования. Воздушные завесы используются для защиты помещений от проникновения холодного наружного воздуха (зимой) или горячего (летом) через часто открываемые ворота и входные двери в производственных или общественных зданиях.
Смешанные
Гибридные установки сочетают в себе принцип действия механического и естественного проветривания. Оснащаются насадками (дефлекторами), опускающимися при падении тяги в каналах и ограничивающими работу системы при сильном ветре. Гибридный способ — разумный компромисс для бытовых решений и производств с низкими требованиями к качеству воздуха.
К смешанным системам можно отнести:
- механическую вытяжную вентиляцию;
- механическая приточную вентиляцию;
- механическую приточно-вытяжная вентиляцию.

Аварийные
Аварийные вентсистемы срабатывает при возникновении внештатной ситуации — пожаре, резком повышении концентрации ядовитых веществ, задымлении. При возгорании обеспечивают приток воздуха на путях эвакуации и эффективно удаляют дым. При выбросе паров и газов вытяжные вентиляторы работают на повышенных оборотах и оперативно устраняют негативные факторы.
Преимущества механической вентиляции
Рассмотрим основные плюсы работы механической вентиляции:
- Предварительно очищает воздух от пыли, пыльцы, насекомых. Система фильтров и ионизаторов позволяет избавиться от микробной пыльцы и смога из воздуха. Зимой это имеет большое значение.
- Для нашего комфорта мы можем настроить систему на интенсивность воздухообмена, что важно в зимний или летний периоды. Рекуперация экономит 30-50% расходов на отопление.
- Экономия энергии.
- Повышает качество воздуха и качество времени, проведенного в здании.
- Повышает самочувствие и качество работы тех, кто работает в здании.
- Возможность контроля температуры.
- Предотвращает рост плесени.
Такое оборудование для помещений на 100% управляемо. Мы можем задать скорость движения воздушного потока, увеличить или ограничить интенсивность.
Для коммерческих и производственных объектов принудительная вентсистема — зачастую единственный способ организовать воздухообмен на предприятии в соответствии с отраслевыми стандартами и технологическими требованиями.
Минусы
Недостаток — дополнительные капиталовложения в начале строительства. Решение об установке механической вентиляции чаще всего приходится принимать на начальном этапе строительства. Оборудовать уже готовый дом принудительной вентсистемой сложнее. Это связано с необходимостью распределения каналов, пробития стен здания, обхода других установок и интеграции в существующие инженерные сети.
Требует профессиональной установки и выбора соответствующего устройства. Некорректно спроектированная и установленная система может быть источником шума и низкой эффективности. Устройство требует обслуживания и ремонта, что влечет за собой сопутствующие расходы.
Особенности проектирования механических систем вентилирования
Индивидуальное проектирование механической вентиляционной системы — ключевой и обязательный процесс, гарантирующий корректную работу установки. При разработке проекта инженеры выполняют точные математические расчеты пропускной способности воздуховодов и мощностных характеристик оборудования. Составляют подробные сметы с указанием техники и набора комплектующих. Каждый документ сопровождается графической схемой расположения сети, 3D-визуализацией и пояснительной запиской.
Установки могут быть спроектированы как децентрализованные или централизованные для подачи воздуха в вентиляцию, а зимой и для отопления. В обоих случаях тип направления имеет решающее значение для оптимального успеха работы.

Монтаж
Проведение монтажных работ квалифицированной бригадой обеспечит точное соответствие проекту. Задача монтажников — точно интерпретировать информацию в документе и выполнить установку оборудования с учетом отраслевых стандартов и рекомендаций производителя.
Перечень работ инженерной компании Квент включает:
- подготовку помещения;
- строительные работы;
- разметку трассы;
- крепление кронштейнов;
- сборка оборудования на полу в крупные узлы;
- монтаж воздуховодов и агрегатов.

Пусконаладочные работы
Чтобы обеспечить правильную работу механической приточно-вытяжной вентиляции, по завершении монтажа выполняется пусконаладка. С помощью измерительного оборудования измеряется скорость движения воздуха. Тестируется работа установки во всех пользовательских режимах. Выполняется калибровка оборудования в соответствии с проектными требованиями. Перед сдачей объекта проводится обучение заказчика работе с вентоборудованием.
Ответы на часто задаваемые вопросы
Какая система вентиляции может удалять или подавать воздух в помещения независимо от условий окружающей среды?
Приточно-вытяжная установка с механическим принципом работы. Скорость движения воздушного потока регулируется частотой вращения лопастей вентилятора и не зависит от температуры воздуха и перепадов давления.
Какие комплектующие системы вентиляции уменьшают расход электроэнергии?
На энергоэффективность влияет несколько факторов: расчетная мощность вентиляторов, материал воздуховодов и сопротивляемость воздушному потоку, падение давления на фильтрах. Самый мощный энергосберегающий эффект оказывает рекуператор — нагревает приточный холодный воздух теплом отработанного. Прибор способен сократить затраты на отопление на 30-50%, но требует значительных инвестиций в оборудование.
Как подразделяются системы механической вентиляции?
Классификаций несколько. По зоне воздухообмена — общие и местные. По направлению движения воздуха — приточные, вытяжные, приточно-вытяжные.
В чем сущность естественной и механической вентиляции?
Задача каждой вентиляционной системы — организация воздухообмена. Механическая система вентиляции делает это эффективнее, так как работает от сети и не зависит от погодных факторов. Естественная — работает на разнице давления приточного и вытяжного воздуха. Плотный и холодный приточный воздух вытесняет легкий и теплый, который удаляет за пределы помещения по воздуховодам. Это процесс практически останавливается летом, когда отсутствует разница температур в помещении и на улице.
Механическая вентиляция
Механической вентиляцией называется вентиляция, с помощью которой воздух подается в производственные помещения или удаляется из них по системам вентиляционных каналов с использованием для этого специальных механических побудителей.
Механическая вентиляция по сравнению с естественной имеет ряд преимуществ:
- большой радиус действия вследствие значительного давления, создаваемого вентилятором;
- возможность изменять или сохранять необходимый воздухообмен независимо от температуры наружного воздуха и скорости ветра;
- подвергать вводимый в помещение воздух предварительной очистке, осушке или увлажнению, подогреву или охлаждению;
- организовывать оптимальное воздухораспределение с подачей воздуха непосредственно к рабочим местам;
- улавливать вредные выделения непосредственно в местах их образования и предотвращать их распространение по всему объему помещения, а также возможность очищать загрязненный воздух перед выбросом его в атмосферу.
К недостаткам механической вентиляции следует отнести значительную стоимость сооружения и эксплуатации ее и необходимость проведения мероприятий по борьбе с шумом.
Системы механической вентиляции подразделяются на:
- общеобменные системы механической вентиляции;
- местные системы механической вентиляции;
- смешанные системы механической вентиляции;
- аварийные системы механической вентиляции.
Общеобменная вентиляция применяется в том случае, если вредные выделения поступают непосредственно в воздух помещения, рабочие места не фиксированы, а располагаются по всему помещению. Обычно объем воздуха, подаваемого в помещение при общеобменной вентиляции, равен объему воздуха, удаляемого из помещения.
Однако в ряде случаев возникает необходимость нарушить это равенство. Так, в особо чистых цехах электровакуумного производства, для которых большое значение имеет отсутствие пыли, объем притока воздуха делается больше объема вытяжки, за счет чего создается некоторый избыток давления в производственном помещении, что исключает попадание пыли из соседних помещений. В общем случае разница между объемами приточного и вытяжного воздуха не должна превышать 10. 15 %.
По способу подачи и удаления воздуха различают четыре схемы общеобменной вентиляции:
- приточная;
- вытяжная;
- приточно-вытяжная;
- системы с рециркуляцией.
По приточной системе воздух подается в помещение после подготовки его в приточной камере. В помещении при этом создается избыточное давление, за счет которого воздух уходит наружу через окна, двери или в другие помещения. Приточную систему применяют для вентиляции помещений, в которые нежелательно попадание загрязненного воздуха из соседних помещений или холодного воздуха извне.
Вытяжная система предназначена для удаления воздуха из помещения. При этом в нем создается пониженное давление и воздух соседних помещений или наружный воздух поступает в данное помещение. Вытяжную систему целесообразно применять в том случае, если вредные выделения данного помещения не должны распространяться на соседние, например, для вредных цехов, химических и биологических лабораторий.
Приточно-вытяжная вентиляция - наиболее распространенная система, при которой воздух подается в помещение приточной системой, а удаляется вытяжной; системы работают одновременно.
В производственных помещениях с объемом воздуха на каждого работающего 20 м 3 расход воздуха на одного работающего, должен быть не менее 30 м 3 /ч. В случае отсутствия естественной вентиляции (герметичные кабины) расход воздуха на одного работающего должен составлять не менее 60 м 3 /ч.
Приточные вентиляционные системы обычно состоят из (рисунок 7.2):
- воздухозаборных устройств, устанавливаемых снаружи здания в тех местах, где воздух наименее загрязнен (1);
- устройств, предназначенных для придания воздуху необходимых качеств (2), к ним относятся фильтры и калориферы;
- воздуховодов для перемещения воздуха к месту назначения (3);
- возбудителей движения воздуха - вентиляторов и эжекторов (4);
- воздухораспределительных устройств (патрубков, насадок), обеспечивающих подачу воздуха в нужное место с заданной скоростью и в требуемом количестве (5).
Вытяжные вентиляционные системы обычно состоят из:
- воздухозаборных устройств, предназначенных для удаления воздуха из помещения (6);
- вентилятора (7);
- воздуховодов для перемещения воздуха к месту выброса (8);
Рис. 7.2. Обобщенная схема механической вентиляции
С помощью местной вентиляции необходимые метеорологические параметры создаются на отдельных рабочих местах. Например, улавливание вредных веществ непосредственно у источника возникновения, вентиляция кабин наблюдения и т.д. Наиболее широкое распространение находит местная вытяжная локализующая вентиляция. Основной метод борьбы с вредными выделениями заключается в устройстве и организации отсосов от укрытий.
Смешанная система вентиляции является сочетанием элементов местной и общеобменной вентиляции. Местная система удаляет вредные вещества из кожухов и укрытий машин. Однако часть вредных веществ через неплотности укрытий проникает в помещение. Эта часть удаляется общеобменной вентиляцией.
Аварийная вентиляция предусматривается в тех производственных помещениях, в которых возможно внезапное поступление в воздухе большого количества вредных или взрывоопасных веществ.
Производительность аварийной вентиляции принимается такой, чтобы она вместе с основной вентиляцией обеспечивала в помещении не менее восьми воздухообменов за 1 ч.
Вентиляция производственных помещений
Вентиляция производственных помещений - это совокупность мероприятий и устройств, необходимых для обеспечения заданного качества воздушной среды в рабочих помещениях. Вентиляции принадлежит главенствующая роль в нормализации воздушной среды на рабочих местах и в производственных помещениях.
Виды вентиляции и типы вентиляционных установок
По способу перемещения воздуха вентиляция может быть:
По способу организации воздухообмена механическая вентиляция может быть:
Типы вентиляционных установок
- Вытяжные (предназначенные для удаления воздуха) - местные и общие.
- Приточные (осуществляют подачу воздуха) - местные (воздушные души, завесы, оазисы) и общие (рассеянный или сосредоточенный приток).
1. Естественная вентиляция - это вентиляция, при которой воздухообмен происходит за счет разности температур под влиянием теплового напора. Естественная вентиляция производственных помещений может быть: неорганизованной и организованной.
Неорганизованная естественная вентиляция (проветривание) осуществляется за счет поступления и удаления воздуха через окна, форточки, фрамуги, специальные проемы, а также через неплотности наружных ограждений (инфильтрация).
Организованная (регулируемая) естественная вентиляция производственных помещений называется аэрацией, которая осуществляется с помощью аэрационных фонарей. При отсутствии аэрационных фонарей естественная вентиляция может быть улучшена с помощью специальных каналов или шахт. С целью повышения эффективности ветрового напора эти шахты снабжаются специальными насадками - дефлекторами.
2. Механическая вентиляция позволяет производить предварительную обработку приточного воздуха - увлажнение, нагрев или охлаждение и очистку от пыли, газов, аэрозолей и других примесей.
К установкам местной вентиляции относятся местные отсосы открытого типа, включающие защитно-обеспыливающие кожухи, вытяжные шкафы, бортовые отсосы, шарнирно-телескопические отсосы (встроенные в рабочие места, инструменты), перемещаемые отсосы, а также вытяжные зонты, укрытия-боксы, камеры и кабины.
Общеобменная вентиляция применяется в тех случаях, когда вредные вещества, избыточное тепло и влага выделяются рассредоточено по всему рабочему помещению, и удалить их с помощью местных отсосов не представляется возможным. Принцип действия общеобменной вентиляции основан на разбавлении загрязненного, перегретого или переувлажненного воздуха до уровней, соответствующих гигиеническим нормативам.
Приточная вентиляция предназначена для обработки воздуха: его подогрев, охлаждение, очистка от пыли или увлажнение.
Вытяжная вентиляция предназначена для удаления отработанного воздуха.
Кондиционирование воздуха производственных помещений
Кондиционирование воздуха - создание и автоматическое регулирование в помещениях заданных параметров микроклимата и санитарно-гигиенических параметров (температуры, влажности, подвижности воздуха).
Системами кондиционирования должен подаваться воздух, очищенный от пыли. Иногда предъявляются требования по очистке воздуха от бактерий, по его ионизации, дезодорации или ароматизации.
Требования к вентиляции производственных помещений
Основные санитарно-гигиенические требования к вентиляции производственных помещений определены гигиеническими нормативами, а также строительными нормами и правилами. Для эффективной работы вентиляции важно, чтобы еще на стадии ее проектирования было предусмотрено выполнение ряда санитарно-гигиенических и технических требований.
Количество воздуха, необходимого для вентиляции производственных помещений и обеспечения требуемых параметров воздушной среды в рабочей зоне, устанавливается расчетным способом. Расчет ведется по избытку тепла, влаги или по количеству выделяющихся вредных веществ (пыли, газов, паров). При одновременном выделении в помещении тепла, влаги и вредных веществ необходимый воздухообмен должен устанавливаться по превалирующей вредности.
Система вентиляции не должна быть источником шума и загрязнения окружающей среды. В процессе эксплуатации вентиляционные системы должны обслуживаться, очищаться от загрязнений, ремонтироваться в соответствии с установленным графиком подготовленным персоналом.
Механические системы вентиляции.
В отличие от естественной механическая вентиляция позволяет производить предварительную обработку приточного воздуха — увлажнение, нагрев или охлаждение и очистку от пыли, газов и др. примесей. К установкам местной механической вентиляция. относятся местные отсосы открытого типа, включающие защитно-обеспыливающие кожухи, вытяжные шкафы, бортовые отсосы, шарнирно-телескопические отсосы (встроенные в рабочие места, инструменты), перемещаемые отсосы, а также вытяжные зонты, укрытия-боксы, камеры и кабины
В механических системах вентиляции используются оборудование и приборы (вентиляторы, электродвигатели, воздухонагреватели, пылеуловители, автоматика и др.), позволяющие перемещать воздух на значительные расстояния. Затраты электроэнергии на их работу могут быть довольно большими. Такие системы могут подавать и удалять воздух из локальных зон помещения в требуемом количестве, независимо от изменяющихся условий окружающей воздушной среды. При необходимости воздух подвергают различным видам обработки (очистке, нагреванию, увлажнению и т.д.), что практически невозможно в системах с естественным побуждением.
Следует отметить, что в практике часто предусматривают так называемую смешанную вентиляцию, то есть одновременно естественную и механическую вентиляцию. В каждом конкретном проекте определяется, какой тип вентиляции является наилучшим в санитарно-гигиеническом отношении, а также экономически и технически более рациональным.
Приточные системы служат для принудительной подачи в вентилируемые помещения чистого воздуха взамен удаленного. Приточный воздух в необходимых случаях подвергается специальной обработке (очистке, нагреванию, увлажнению и т.д.)
Вытяжная вентиляция удаляет из помещения (цеха, корпуса) загрязненный или нагретый отработанный воздух. В общем случае в помещении предусматриваются как приточные, так и вытяжные системы. Их производительность должна быть сбалансирована с учетом возможности поступления воздуха в смежные помещения или из смежных помещений.
Как приточная, так и вытяжная вентиляция может устраиваться на рабочем месте (местная), или для всего помещения (общеобменная).
Местной вентиляцией называется такая, при которой воздух подают на определенные места (местная приточная вентиляция) и загрязненный воздух удаляют только от мест образования вредных выделений (местная вытяжная вентиляция).
Местная вентиляция требует меньших затрат, чем общеобменная. В производственных помещениях при выделении вредностей (газов, влаги, теплоты и т.д.) обычно применяют смешанную систему вентиляции - общую для устранения вредностей во всем объеме помещения и местную (местные отсосы и приток) для обслуживания рабочих мест.
К местной приточной вентиляции относятся воздушные души (сосредоточенный приток воздуха с повышенной скоростью). Они должны подавать чистый воздух к постоянным рабочим местам, снижать в их зоне температуру окружающего воздуха и обдувать рабочих, подвергающихся интенсивному тепловому облучению.
К местной приточной вентиляции относятся воздушные оазисы - участки помещений, отгороженные от остального помещения передвижными перегородками высотой 2-2.5 м, в которые нагнетается воздух с пониженной температурой.
Местную приточную вентиляцию применяют также в виде воздушных завес (у ворот, печей и т.д.), которые создают как бы воздушные перегородки или изменяют направление потоков воздуха.
Местную вытяжную вентиляцию применяют, когда места выделения вредных веществ и выделений в помещении локализованы и можно не допустить их распространения по всему помещению. Местная вытяжная вентиляция в производственных помещениях обеспечивает улавливание и отвод вредных выделений: газов, дыма, пыли и частично выделяющегося от оборудования тепла. Для удаления вредностей применяются местные отсосы (укрытия в виде шкафов, зоны, бортовые отсосы, завесы, укрытия в виде кожухов у станков и др.) Основные требования, которым они должны удовлетворять:
-Место образования вредных выделений по возможности должно быть полностью укрыто.
-Конструкция местного отсоса должна быть такой, чтобы отсос не мешал нормальной работе и не снижал производительность труда.
-Вредные выделения необходимо удалять от места их образования в направлении их естественного движения (горячие газы и пары надо удалять вверх, холодные тяжелые газы и пыль - вниз).
При устройстве местной вытяжной вентиляции для улавливаемой пылевыделений удаляемый из цеха воздух, перед выбросом его в атмосферу, должен быть предварительно очищен от пыли. Наиболее сложными вытяжными системами являются такие, в которых предусматривают очень высокую степень очистки воздуха от пыли с установкой последовательно двух или даже трех пылеуловителей (фильтров).
Местные вытяжные системы вентиляции, как правило, весьма эффективны, так как позволяют удалять вредные вещества непосредственно от места их образования или выделения, не давая им распространиться в помещении. Благодаря значительной концентрации вредных веществ (паров, газов, пыли), обычно удается достичь хорошего санитарно-гигиенического эффекта при небольшом объеме удаляемого воздуха.
Однако местные системы вентиляции не могут решить всех задач, стоящих перед вентиляцией. Не все вредные выделения могут быть локализованы этими системами. Например, когда вредные выделения рассредоточены на значительной площади или в объеме, подача воздуха в отдельные помещения не может обеспечить необходимые условия воздушной среды. То же самое, если работа производится на всей площади помещения или ее характер связан с перемещениями и т.д.
Общеобменные системы вентиляции - как приточные, так и вытяжные, предназначены для осуществления вентиляции в помещении в целом или в значительной его части. Общеобменные вытяжные системы относительно равномерно удаляют воздух из всего обслуживаемого помещения, а общеобменные приточные системы подают воздух и распределяют его по всему объему вентилируемого помещения.
Общеобменная приточная вентиляция устраивается для ассимиляции избыточного тепла и влаги, разбавления вредных концентраций паров и газов, не удаленных местной и общеобменной вытяжной вентиляцией, а также для обеспечения расчетных норм и свободного дыхания человека в рабочей зоне.
При отрицательном тепловом балансе, то есть при недостатке тепла, общеобменную приточную вентиляцию устраивают с механическим побуждением и с подогревом всего объема приточного воздуха. Как правило, перед подачей воздух очищают от пыли. При поступлении вредных выделений в воздух цеха количество приточного воздуха должно полностью компенсировать общеобменную и местную вытяжную вентиляцию.
Простейшим типом общеобменной вытяжной вентиляции является отдельный вентилятор (обычно осевого типа) с электродвигателем на одной оси (рис.8. 4), расположенный в окне или в отверстии стены. Такая установка удаляет воздух из ближайшей к вентилятору зоны помещения, осуществляя лишь общий воздухообмен. В некоторых случаях установка имеет протяженный вытяжной воздуховод. Если длина вытяжного воздуховода превышает 30-40 м и соответственно потери давления в сети составляют более 30-40 кг/кв.м., то вместо осевого вентилятора устанавливается вентилятор центробежного типа.
Читайте также:
- Теории состава зубного микробного налета. Зубной камень
- Ларингофарингеальный рефлюкс
- Жировоск или сапонификация. Характеристика организма в состоянии жировоск
- Координация сократительной деятельности. Медленные ритмические колебания. Продольный мышечный слой. Влияние катехоламинов на миоциты.
- Теории развития стоматитов при съемных протезах. Механизмы развития стоматитов
