Электретный капсуль как подключить

- Введение
- Введение в электретные микрофоны
- Основные схемы питания электретных микрофонов
- Звуковые карты и электретные микрофоны
- Plug-in power
- Фантомное питание в профессиональной аудиотехнике
- T-Powering
- Другая полезная информация
Микрофонам большинства видов для работы требуется электропитание, как правило это конденсаторное микрофоны, а так же микрофоны сходные с ними по принципу действия. Электропитание необходимо для работы внутреннего предусилителя и поляризации мембран микрофонного капсюля. В случае, если встроенного источника питания (батареи, аккумулятора) в микрофоне нет, напряжение к микрофону подается по тем же проводам что и сигнал от микрофона к предусилителю.
Электретные микрофоны обладают наилучшим соотношением цена/качество. Эти микрофоны могут быть очень чувствительными, достаточно прочными, предельно компактными, а так же обладать малым энергопотреблением. Электретные микрофоны находят широчайшее применение, в силу компактных размеров их часто встраивают в готовые изделия, сохраняя при этом высокие рабочие характеристики. Согласно некоторым оценкам, электретный микрофон используется в 90% случаев, что, учитывая вышеизложенное, более чем оправданно. Большинство петличных микрофонов, микрофонов используемых в любительских видеокамерах и микрофонов применяемых совместно с компьютерными звуковыми картами, являются электретными микрофонами.
Электретные микрофоны схожи с конденсаторными по принципу преобразования механических колебаний в электрический сигнал. Конденсаторные микрофоны преобразуют механические колебания в изменение емкости конденсатора, получаемого при подаче напряжения на мембраны микрофонного капсюля. Изменение емкости, в свою очередь, ведет к изменению напряжения на обкладках пропорционально звуковым волнам. В то время как капсюль конденсаторного микрофона нуждается во внешнем (фантомном) питании, мембрана капсюля электретного микрофона имеет свой заряд в несколько вольт. Питание ему необходимо для встроенного буферного предусилителя [1], а не для поляризации мембран.
В связи с тем, что электретный микрофон имеет в своем составе буферный предусилитель, который добавляет к полезному сигналу собственный шум, он и определяет отношение сигнал/шум (обычно в районе 94 дБ), что эквивалентно акустическому отношению сигнал/шум 20-30 дБ.
Электретные микрофоны нуждаются в напряжении смещения для встроенного буферного предусилителя. Это напряжение должно быть стабилизировано, не содержать пульсаций, так как в противном случае они поступят на выход в составе полезного сигнала.
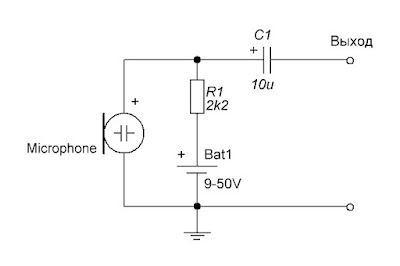
Эта схема (Рис.04) может быть использована совместно с бытовыми магнитофонами и звуковыми картами, изначально предназначенными для работы с динамическими микрофонами. Когда вы соберете эту схему внутри корпуса микрофона (или в небольшом внешнем боксе), ваш электретный микрофон найдет универсальное применение.
| Рис.04 - Схема питания электретного микрофона от батарейки |
В большинстве случаев допустимо использовать одну/две батарейки 1,5 В (в зависимости от используемого микрофона) для питания микрофона. Батарейка включается последовательно с микрофоном (Рис.05).
| Рис.05 - Простейшая схема питания электретного микрофона |
Если вы не знаете правильную полярность батарейки, попробуйте включить ее в двух направлениях. В подавляющем большинстве случаев неправильная полярность при низком напряжении не вызывает никаких повреждений микрофонного капсюля.
В данном разделе рассматриваются варианты подачи питания на микрофоны от звуковых карт.
Звуковые карты Sound Blaster (SB16, AWE32, SB32, AWE64) от Creative Labs используют 3,5 мм stereo jack-и для подключения электретных микрофонов. Распиновка jack-а представлена на Рисунке 06.
| Рис.06 - Распиновка jack-а для подключения к звуковой карте Sound Blaster |
- Тип входа: небалансный (несимметричный), низкоомный
- Чувствительность: около -20дБВ (100 мВ)
- Входное сопротивление: 600-1500 Ом
- Разъем: 3,5 мм stereo jack
- Распиновка: Рисунок 07
| Рис.07 - Распиновка разъема с сайта Creative Labs |
| Рис.08 - Микрофонный вход звуковой карты Sound Blaster |
Звуковые карты других моделей/производителей могут использовать метод рассмотренный выше, а могут иметь собственный вариант. Звуковые карты, которые используют 3,5 мм разъем mono jack для подключения микрофонов, как правило имеют перемычку, позволяющую в случае необходимости подать питание на микрофон, либо его отключить. Если перемычка находится в положении при котором осуществляется подача напряжения к микрофону (обычно +5 В через резистор 2-10 кОм), то это напряжение подается по тому же проводу что и сигнал от микрофона к звуковой карте (Рис.09).
| Рис.09 - Распиновка jack-а для подключения микрофона к звуковой карте |
Это подключение также используется в компьютерах Compaq, выпускаемых со звуковой картой Compaq Business Audio (микрофон Sound Blaster хорошо работает с Compaq Deskpro XE560). Напряжение смещения, измеренное на выходе Compaq, 2,43 В. Ток короткого замыкания 0,34 мА. Это говорит о том, что напряжение смещения подается через резистор около 7 кОм. Кольцо 3,5 мм jack-а не используется, и ни к чему не присоединяется. Руководство пользователя Compaq говорит, что этот микрофонный вход используется только для подключения электретного микрофона с фантомным питанием, например микрофона поставляемого самим Compaq. Если верить Compac, этот метод подачи питания называется фантомным питанием, однако не следует путать этот термин с тем, что используется в профессиональной аудио технике. Согласно заявленным техническим характеристикам входное сопротивление микрофона 1 кОм, а максимально допустимый уровень входного сигнала 0,013 В.
Эта схема (Рис.10) подходит для подключения трех- проводного капсюля электретного микрофона к звуковой карте Sound Blaster, которая поддерживает подачу напряжения смещения (НС) к электретному микрофону.
| Рис.10 - Подключение трех- проводного электретного капсюля к звуковой карте |
Приведенная ниже схема питания (Рис.13) может применяться с микрофонами, напряжение смещение которым подается по тому же проводу, по которому передается аудио сигнал.
| Рис.13 - Подключение электретного микрофона с mono jack-ом к SB16 |
Согласно некоторым новостным статьям на портале comp.sys.ibm.pc.soundcard.tech, этаже схема может использоваться для подключения к звуковой карте Sound Blaster электретного капсюля телефонной трубки. В первую очередь необходимо убедиться что микрофон в выбранной трубке электретный. Если это так, то необходимо отсоединить трубку, открыть ее и найти плюс микрофонного капсюля. После этого капсюль подключается как показано на рисунке выше (Рис.13). Если вы хотите использовать разъем RJ11 телефонной трубки, то микрофон подключен к проводам внешней пары. Различные трубки имеют разные уровни сигнала на выходе, и уровня некоторых может быть недостаточно для использования со звуковой картой Sound Blaster.
Если вы хотите использовать динамик трубки, то подключите его к Tip [2] и вставьте в звуковую карту. Перед этим убедитесь что он имеет сопротивление более 8 Ом, в противном случае усилитель на выходе звуковой карты может сгореть.
Основная идея питания мультимедийного (ММ) микрофона приведена ниже (Рис.14).
| Рис.14 - Питание мультимедийного микрофона |
| Рис.15 - Общая схема питания компьютерного микрофона |
Примечание 2: обычно напряжение питания микрофонов, подключаемых к звуковой карте составляет около 5 вольт, подаваемых через резистор 2,2 кОм. Микрофонные капсюли обычно не восприимчивы к к постоянному току от 3 до 9 вольт, и будут работать (хотя уровень подаваемого напряжения может повлиять на выходное напряжение микрофона).
| Рис.16 - Подключение ММ микрофона к обычному входу |
Множество небольших видео камер и рекордеров используют 3,5 мм микрофонный стерео штекер для подключения стерео микрофонов. Некоторые устройства предназначены для микрофонов с внешним источником питания, в то время как другие подают питание через тот же разъем, по которому передается аудио сигнал. В характеристиках устройств, которые обеспечивают питание капсюлей через микрофонный вход, этот вход называется "Plug-in power".

- Что это такое?
- Устройство и характеристики
- Принцип работы
- Правила подключения
Электретные микрофоны стали одними из самых первых – они были созданы в 1928 году и по сей день остаются важнейшими электретными приборами. Однако если в прошлом использовались восковые термоэлектреты, то в наши дни технологии существенно продвинулись вперед.
Остановимся подробнее на особенностях таких микрофонов и их отличительных характеристиках.


Что это такое?
Электретные микрофоны считаются одним из подвидов конденсаторных устройств. Визуально они напоминают небольшой конденсатор и отвечают всем современным требованиям к мембранным устройствам. Обычно изготавливаются из поляризованной пленки с нанесенным на нее тончайшим слоем металла. Такое покрытие представляет собой одну из граней конденсатора, вторая при этом выглядит как твердая плотная пластина: звуковое давление действует на колышущуюся диафрагму и тем самым вызывает изменение характеристик емкости самого конденсатора.
Устройство электронного слоя предусматривает статичное покрытие, оно выполняется из самых качественных материалов с высокими акустическими и механическими характеристиками.
![]()
Как и любое другое устройство, электретный микрофон имеет свои достоинства и недостатки.
К преимуществам такой техники относят ряд факторов:
- имеют низкую себестоимость, благодаря чему такие микрофоны и считаются одними из наиболее бюджетных на современном рынке;
- могут применяться в качестве устройств для проведения конференций, а также устанавливаться в бытовых микрофонах, персональных компьютерах, видеокамерах, а также в домофонах, приспособлениях для прослушивания и мобильных телефонах;
- более современные модели нашли свое применение в производстве измерителей качества звучания, а также в оборудовании для вокала;
- потребителям доступны как изделия с разъемами типа XLR, так и устройства с разъемом 3,5 мм, а также проводными клеммами.
![]()
Как и многие другие установки конденсаторного типа, электретная техника характеризуется повышенной чувствительностью и продолжительной стабильностью. Такие изделия отличаются высокой стойкостью к повреждениям, ударам и воздействию воды.
![]()
Впрочем, не обошлось и без недочетов. Минусами моделей стали некоторые их особенности:
- они не могут использоваться для каких-то больших серьёзных проектов, так как подавляющее большинство звукорежиссеров считает такие микрофоны худшим из предлагаемых вариантов;
- так же, как и типовым конденсаторным микрофонам, электретным установкам необходим дополнительный источник подпитки – хотя в данном случае будет вполне достаточно только 1 В.
![]()
Электретный микрофон довольно часто становится элементом общей системы визуального и звукового мониторинга.
За счет компактных размеров и высокой гидростойкости их можно установить почти везде. В комбинации с миниатюрными камерами они оптимально подходят для того, чтобы вести наблюдение за проблемными и труднодоступными местами.
![]()
Устройство и характеристики
Электретные конденсаторные устройства в последние годы все чаще устанавливаются в бытовых микрофонах. Они имеют довольно широкий диапазон воспроизводимых частот – от 3 до 20000 Гц. Микрофоны такого вида дают выраженный электрический сигнал, параметры которого в 2 раза больше, чем у традиционного угольного устройства.
Современная радиопромышленность предлагает пользователям электретные микрофоны нескольких видов.
МКЭ-82 и МКЭ-01 – по своим габаритам они идентичны угольным моделям.


МК-59 и их аналоги – их допускается устанавливать в самый обычный телефонный аппарат без его переделки. Электретные разновидности микрофонов намного дешевле, чем стандартные конденсаторные, потому радиолюбители отдают предпочтение именно им. Российские производители также наладили выпуск большого ассортимента электретных микрофонов, среди которых максимальное распространение получила модель МКЭ-2. Это устройство односторонней направленности, предназначенное для использования в катушечных магнитофонах первой категории.


Отдельные модели пригодны для монтажа в любую радиоэлектронную технику — МКЭ-3, а также МКЭ-332 и МКЭ-333.
Такие микрофоны обычно изготавливаются в пластиковом корпусе. Для фиксации на лицевой панели предусмотрен фланец, подобные устройства не допускают сильной тряски и силовых ударов.
Пользователи часто задаются вопросом о том, какой микрофон (электретный либо же традиционный конденсаторный) предпочтительнее. Выбор оптимальной модели зависит от каждой конкретной ситуации с учетом особенностей будущего использования оборудования и финансовых ограничений покупателя. Электретный микрофон намного дешевле конденсаторных емкостных, в то же время по качеству вторые значительно выигрывают.


Если говорить о принципе действия, то в обоих микрофонах он одинаков, то есть внутри заряженного конденсатора при малейших колебаниях одной либо нескольких обкладок возникает напряжение. Единственное различие заключается в том, что в стандартном конденсаторном микрофоне необходимая зарядка поддерживается при помощи непрерывного поляризующегося напряжения, которое подается в устройство.
В электретном устройстве предусмотрен слой специального вещества, которое представляет собой некий аналог постояннодействующего магнита. Оно создаёт поле без какой-либо наружной подпитки – таким образом напряжение, которое подается на электретный микрофон, предназначается не для того, чтобы зарядить конденсатор, а для поддержки питания усилителя на едином транзисторе.
![]()
В большинстве случаев электретные модели представляют собой компактные дешевые установки со средними электрозвуковыми характеристиками.
В то время как классические конденсаторные относятся к категории дорогостоящего профессионального оборудования с завышенными эксплуатационными параметрами и фильтром нижних частот. Их даже зачастую применяют при проведении акустических измерений. Параметры чувствительности конденсаторного оборудования гораздо ниже, нежели электретного, потому им непременно нужен дополнительный звукоусилитель со сложным механизмом подачи напряжения.
![]()
Если вы планируете использовать микрофон в профессиональной сфере, допустим, для записи песни или звучания музыкальных инструментов, то предпочтение лучше отдавать классическим емкостным изделиям. В то время как для любительского применения в кругу друзей и близких будет вполне достаточно электретных установок вместо динамических – они идеально работают в качестве конференц-микрофона и компьютерного микрофона, при этом могут быть поверхностными либо галстучными.
![]()
Принцип работы
Для того чтобы понять, что представляет собой устройство и механизм работы электретного микрофона, сперва нужно узнать, что представляет собой электрет.
Электрет – это особый материал, который обладает свойством долгое время находиться в поляризованном состоянии.
Электретный микрофон включает несколько конденсаторов, у них определённая часть плоскости выполняется из плёнки с электродом, эту плёнку натягивают на кольцо, после чего она подвергается действию заряженных частиц. Электрические частицы проникают внутрь плёнки на незначительную глубину – как следствие, в зоне возле него формируется заряд, который может работать довольно долгое время.
![]()
Пленка покрывается тонким слоем металла. Кстати, именно он используется как электрод.
На незначительном удалении размещается ещё один электрод, который представляет собой миниатюрный металлический цилиндр, плоской частью он поворачивается к пленке. Полиэтиленовый мембранный материал создает определенные звуковые колебания, которые дальше передаются на электроды – и в результате образуется ток. Его сила ничтожно мала, поскольку выходное сопротивление имеет повышенное значение. В связи с этим и передача акустического сигнала осуществляется с трудом. Для того чтобы слабый по силе ток и повышенное сопротивление были согласованы друг с другом, в устройство монтируется специальный каскад, он имеет форму униполярного транзистора и располагается в небольшом капсюле в корпусе микрофона.
![]()
Функционирование электретного микрофона основано на способности разных типов материалов под действием звуковой волны менять свой поверхностный заряд, при этом все используемые материалы должны иметь повышенную диэлектрическую проницаемость.
![]()
Правила подключения


Именно поэтому даже невзирая на отсутствие постоянной необходимости в поддержании поляризующего напряжения, подобные микрофоны в любом случае нуждаются во внешнем источнике электрического питания.
В целом схема включения выглядит следующим образом.
Для поддержания нормальной работы устройства важно подать на него питание с соблюдением полярности. Для трехвходного устройства типично соединение минуса с корпусом, в этом случае питание производится через плюсовой вход. Затем через разделяющий конденсатор, откуда и производится параллельное подключение ко входу усилителя мощности.

Двухвыходная модель питается через ограничительный резистор, также на положительный вход. Тут же снимается и выходной сигнал. Далее принцип тот же – сигнал идет на разделительный конденсатор, а затем на усилитель мощности.


Как подключить электретный микрофон, смотрите далее.
ну да, только вот материал там не с помойки взят
мембраны позолочены, специальный диэлектрик, а не просто пленка
герметично собранный блок с кучей винтов
именно поэтому конденсаторный микрофон имеет огромное чутье и динамические диапазон
читал даже, что при сборке микрофонов за 500 баксов капсуль нельзя трога руками вообще, только в перчатках и любая пылинка на мембране приводит к браку
так что если нет задачи записывать голос с высоким качеством без помех, то лучше купить готовые электретные капсули без транзистора и с большой мембраной
они конечно подороже электретных микрофонов в виде таблетки, но и получше будут
_________________
тематические ответы только в форуме, в приват не пишите
JLCPCB, всего $2 за прототип печатной платы! Цвет - любой!
Зарегистрируйтесь и получите два купона по 5$ каждый:https://jlcpcb.com/quote
Сборка печатных плат от $88 + БЕСПЛАТНАЯ доставка по всему миру + трафарет
Был у меня конденсаторник за 40к, нойман, студийный. Когда ставил его на стойку для записи, то если открыть окно и дверь, то все слышится с поразительной четкостью и громкостью. На предусилителе если выкрутить громкость, слышно как бапки на лавке шепчутся, и таракан на кухне скребется, так будто рядом находишься. На нем конденсаторный капсюль состоял из 2х пленок, диаметром в 1,5". Был переключатель на 3 диаграммы направленности: кардиоида, круговая, 2х сторонняя кардиоида. Осуществление диаграммы опесбечивалось внутренней электронной схемой. То есть схема в зависимости от положения переключателя использовала обе обкладки капсюля.
Старые мики 40-60х годов были немного "несовершенны", и имели жесткую диафрагму, что дает тот самый "винтажный" звук. Если надо обеспечить реалистичный звук как в современных миках, то брать надо тонкую пленку диаметром около 1". Для винтажа лучше взять жесткий материал типа фольги и диаметр делать около 0.7".
Развитие техники предъявляет все более высокие требования к разъемам и скорости передачи данных. Соединения становятся прецизионными и наукоемкими изделиями. На сегодня Molex – это не только высокотехнологичные разъёмы, но и инновационные устройства передачи данных.

12 микрон). Просто повезло, всё же она иногда подлипает.
Удалось из моей узкой пленки сделать полноразмерный капсюль 1 дюйм. Задняя пластина из монеты 50 руб 93 г. И то для этого пришлось хитрить с приклеиванием, получился "безрамочный" капсюль в духе новых нойман.
По бокам примеры неудачных пластин, слишком мало дырочек, слишком большой их диаметр и слишком редкое их расположение. Хотя и так будет работать, просто тише и глуше.
Еще интересный момент с чувствительностью. Кажется дошел до какого-то предела, и даже увеличение диаметра не помогает. Тут много ньюансов, нельзя сделать два одинаковых капсюля в домашних условиях. Прикол в том что мой удачный капсюль из 10 коп. монеты (17 мм) по громкости одинаковый с тем что из 50 руб. (24 мм). И разница по шумам от прироста ёмкости уже не ощущается.
Так что кто будет пробовать делать, не гонитесь за большими капсюлями, вот 50 коп. до 2006 г (19 мм) и зазор 20-30 микрон нормальный вариант я считаю.
Правая фотка - пытался повторить заднюю пластину нойман km84, он работал, звук довольно натуральный был, мне не понравился по громкости, и проблемы с обеспечением кардиоиды, такие капсюли собираются скручиванием, по мне это сложнее повторить чем клеить.![]()
![]()

kolhegen, трудно посчитать параметры микрофона в целом, капсюль+усилитель.
я однажды измерял через программу rmaa. пускал сигнал прямиком на одну обкладку капсюля, без поляризации. добивался уровня примерно как при разговоре обычной громкости (хз сколько это в децибелах при 15 см от микрофона):![]()
динамический диапазон не очень, сверху он ограничивается используемым транзистором k596, +неизвестно сколько сам капсюль добавляет искажений. я явно не оптимизировал капсюли под громкий вокал, а скорее наоборот под тихие звуки издалека. 1% при средней громкости это довольно много. но вы можете сделать другую, хорошую схему, с нормальными транзисторами типа 2sk30a и т.п.
по шумам вышло довольно неплохо. чуть повышенный шум от встроенного в полевик высокоомного резистора (из-за меньшего его номинала по сравнению с входными каскадами фирменных микрофонов с 1 Гом) должен компенсироватся большой емкостью капсюля в моем случае (больше 100 пФ). а сами транзисторы думаю шумят примерно одинаково. так что здесь проблем быть не должно. тем более что этот шум находится ближе к низким частотам и не так режет ухо.
по теории еще сам капсюль добавляет свой тепловой механический шум. по всему спектру как его ачх. это вообще трудно измерить. и можно наверное не брать в расчет, если он уж не совсем экстремальной конструкции. вон добиваются же некоторые фирмы так называемого "отрицательного шума" на вполне стандартных капсюлях типа нойман k67 и подобных. ну ладно, тут я конечно не знаю все секреты.
еще важный и хитрый момент - чувствительность капсюля. хорошо, мы не можем много выжать повысив поляризационное напряжение или уменьшая зазор (мембрана прилипнет). зато есть другие способы:
увеличение внутреннего воздушного объема капсюля поднимает чувствительность (думаю прямо пропорционально).
снижение акустического сопротивления повышает чувствительность. чем больше открыта задняя стенка капсюля. и чем больше (до определенного предела) насверлено отверстий в электроде.
только первое сокращает высокие частоты. есть определенный компромисс. часто микрофоны для звукозаписи (ну всмысле не измерительные) имеют резонанс на 10-13 кгц, пока он спадает + различные дифракционные и эффекты отражения расширяют его до 20 кгц.
а второй способ сильно поднимает пик этого резонанса (при увеличении кол-ва или диаметра отверстий). а при манипуляциях с задней частью капсюля пик еще больше вырастает, но частота снижается и становится равной резонансу самой мембраны (около 800 гц - 2 кгц в зависимости от размера мембраны). и мы получаем гнусавый телефонный звук. но громкий. иной раз можно добится прироста 15 дб на средних частотах. но честен ли такой способ? наверное это может пригодится в особых случаях когда не важно качество и тембр.
и наоборот если мы хотим продлить и выровнять ачх на высоких путем уменьшения полости + увеличенным демпфированием, то теряем в чувствительности.
ну если не впадать в крайности я хочу верить что мои микрофоны с дюймовыми капсюлями имеют сигнал/шум 75-80 дб. по кривой А естественно.
Читайте также:


