Связь токсичности нефтяных продуктов с их физико-химическими свойствами
Добавил пользователь Владимир З. Обновлено: 13.12.2025
Токсичность нефтей заключается в том, что их пары оказывают отравляющее действие на организм человека. При этом наблюдается повышенная заболеваемость органов дыхания, функциональные изменения со стороны нервной системы, изменение кровяного давления и замедление пульса. [1]
Токсичность нефти объясняется присутствием летучих ароматических углеводородов ( толуол, ксилол, бензол), нафталина и ряда других фракций нефти. Эти соединения легко разрушаются и удаляются из почвы. Поэтому период острого токсического действия нефти сравнительно короток. В составе нефти также содержатся метан и пропан, которые окисляются соответствующими видами микроорганизмов: представители группы аэробных грамотрицательных бактерий родов Pseudomonas, Methylococcus, Methylobacter, Methylosinus. Метаноокисля-ющие микроорганизмы широко распространены в почвах газоносных районов, а также там, где идет энергичный распад органических веществ в анаэробных условиях. Микроорганизмы, использующие высшие члены гомологического ряда алканов, являются обычными обитателями почв нефтеносных районов и служат индикаторами нефтяных месторождений или нефтяных загрязнений. [2]
Токсичность нефти и нефтепродуктов проявляется при вдыхании их паров. Иногда отравление может произойти в результате попадания жидкого продукта на кожу или слизистые оболочки. [3]
Токсичность нефти и нефтяного газа зависит от их состава: чем больше углеводородов, тем сильнее наркотическое действие. Токсическое свойство усиливается при содержании в них сернистых соединений. [4]
Токсичность нефтей и нефтепродуктов заключается в том, что их пары оказывают отравляющее действие на организм человека. [5]
Присутствие серы повышает токсичность нефти и ее составных компонентов, предъявляет повышенные требования к герметизации и надежности технологического оборудования вследствие высокой коррозирующей активности соединений серы. [6]
Опыты по определению токсичности нефти показывают, что средняя выживаемость карасей в концентрированных вытяжках нефти - 7 суток, но указанная токсичность исчезает при разбавлении в 10 раз. [7]
Этим же институтом подтверждена токсичность нефтей месторождения Нефтяные Камни и установлено, что моллюски минеля-стер менее чувствительны к действию нефтей, чем моллюски кардиум и синдем ия. [8]
С уменьшением содержания легкой фракции токсичность нефти снижается, но возрастает токсичность ароматических соединений, относительное содержание которых растет. Легкая фракция нефти разлагается и улетучивается еще на поверхности почвы или смывается водными потоками. Испарением из почвы удаляется 20 - 40 % легкой фракции ( в большей степени это касается легких и средних нефтей); частично нефть на земной поверхности подвергается фотохимическому разложению. [9]
Многообразие отдельных представителей гетероатомных соединений и минеральных компонентов, исчисляемое многими сотнями наименований, и главное их очень малое содержание не позволяют выделить конкретные соединения, в какой-либо мере влияющие в целом на токсичность нефти . Наибольшее внимание в этой группе токсикантов заслуживают отдельные представители серосодержащих соединений - сероводород и меркаптаны, определяющим действием которых помимо токсичности является резко выраженный специфический труднопереносимый запах. [10]
Многообразие отдельных представителей гетероатомных соединений и минеральных компонентов, исчисляемое многими сотнями наименований, и главное их очень малое содержание не позволяют выделить конкретные соединения, в какой-либо мере влияющие в целом на токсичность нефти . [11]
Нефть и ее фракции ( бензиновая, лигроиновая, керосиновая), а также предельные и непредельные углеводородные газы и ароматические вещества ( бензол, толуол, ксилол) являются одновременно наркотическими ядами и ядами крови. Токсичность нефтей , нефтяных газов и продуктов их переработки значительно возрастает при содержании в них сернистых соединений H2S, SC2, SO3, 82 и др. Даже кратковременное вдыхание паров этих веществ при концентрациях выше ПДК может привести к замедлению пульса, понижению кровяного давления, потере сознания и смерти. Особенно опасны пары бензина с ароматическими соединениями, способные в течение 10 мин при концентрации 10 мг / л вызывать расстройство нервной системы и всего организма с симптомами головокружения, головной боли, сердцебиения, тошноты, судорог, потери сознания. [12]
Из почвенных водорослей наиболее чувствительны к нефтяному загрязнению желто-зеленые и диатомовые, менее - синезеленые, особенно азотфщксаторы. Нефтяное загрязнение почвогрунтов ведет к резкому сокращению видового состава и численности водорослей в целом и активной части альгофлоры в частности Стерилизующий эффект нефти на водоросли особенно ярко проявлен на глубине 10 - 20 см, Токсичность нефти и проникновение ее в глубь почвы зависит от типа; хозяйственного пользования почвы и на лугу проявляется меньше, чем на пашне; с увеличением влажности токсичность падает. [13]
При санитарной охране водоемов мы должны иметь в виду возможность длительного воздействия малых концентраций вредного вещества, поэтому основной задачей санитар-но-токсикологического опыта является изучение вредного влияния вещества на животных в хроническом опыте. Описанные в литературе санитарно-токсикологйческие опыты, проведенные Хлопиным и его учениками по влиянию нефти и нафтеновых кислот на животных, носили характер острых опытов и не могли быть использованы в целях разработки норматива, хотя они и указывали на относительно невысокую токсичность нефти и нефтепродуктов для животного организма. [14]
Опытами по изучению влияния загрязненных нефтью сточных вод на выживаемость и дыхательный ритм рыб ( карась) установлено, что сырая нефть более токсична, чем ее водная вытяжка. Токсичность водной вытяжки нефти значительно падает, если производить ее аэрацию, так как при этом происходит окисление и улетучивание части ядовитых компонентов. Токсичность нефти находится в прямой зависимости от ее концентрации и толщины поверхностной пленки. [15]
Физико-химические свойства нефтепродуктов
К основным физико-химическим свойствам нефтепродуктов, так пли иначе влияющим на технологию их приема, хранения и отпуска, относятся плотность, вязкость, температура застывания, испаряемость, пожаровзрывоопасность, электризация и токсичность.
Плотностью называют величину, численно равную массе нефтепродукта в единице его объема. Плотность измеряется в граммах на кубический сантиметр, килограммах на кубический метр, тоннах на кубический метр. В отдельных случаях пользуются относительной плотноностыо , численно равной отношению плотности нефтепродукта при 20 °С к плотности воды при 4 °С.
Плотность различных нефтепродуктов при 20 °С (293 К) находится в пределах (кг/м 3 ): бензины — 700-780, дизельные топлива — 830-860, реактивные топлива — 755-840, котельные топлива — 870-900, масла —880-915, мазуты — 940-970.
Плотность нефтепродуктов при произвольной температуре Т может быть рассчитана по формуле
где ρ293 — известная величина плотности при температуре 293 К, кг/м 3 ; ζ — температурная поправка плотности, (кг/м 3 • град), равная
ζ = 1,825 0,001315 • р293
Под вязкостью понимают силу сопротивления смещению одного слоя жидкости относительно другого. Чем больше вязкость, тем меньше текучесть нефтепродукта.
Для маловязких жидкостей, относящихся к ньютоновским, достаточно знать кинематическую и динамическую вязкость при соответствующей температуре. К таким жидкостям относятся светлые нефтепродукты, а также мазуты и масла при высоких температурах.
Кинематическая вязкость ньютоновских жидкостей при температуре Т может быть вычислена с использованием одной из формул:
где а, в — эмпирические коэффициенты, равные
v1, v2, v* — кинематическая вязкость нефтепродукта при температурах T 1 Т 2 , Т* соответственно; и — коэффициент крутизны вискограммы, определяемый по известным значениям кинематической вязкости нефтепродукта при двух температурах, т.е
Исходная формула Вальтера путем простых алгебраических преобразований может быть приведена к более удобному для вычислений виду
где Ат — расчетный числовой коэффициент
Кинематическая вязкость исчисляется в м 2 /с, а также Стоксах (1 Ст = см 2 /с) или их производных, которые связаны между собой соотношениями:
1 сантиСтокс(сСт)= 1 мм 2 /с = 10 -2 Ст = 10 -6 м 2 /с
Динамическая вязкость жидкости в гидравлических расчетах, как правило, не используется. Поэтому если она задана, то ее следует пересчитать в кинематическую, используя соотношение
где μT — динамическая вязкость нефтепродукта при температуре Т
Единицей измерения динамической вязкости в системе СГС является Пуаз (Пз) или кратный ему сантиПуаз (сПз). В системе СИ динамическая вязкость измеряется в Паскаль-секундах (Па-с) или ее производных, например, миллиПаскаль-секундах (мПа-с). Эти единицы измерения связаны между собой соотношениями:
1 мПа-с = 10 -3 Па с = 1 сПз = 10 -2 Пз .
В нефтебазовом деле нередко пользуются так называемой условной вязкостью. Ею называют отношение времени истечения 200 мл нефтепродукта, измеренного в вискозиметре типа ВУ при заданной температуре, ко времени истечения такого же количества дистиллированной воды при 20 °С. Для пересчета условной вязкости в кинематическую используют эмпирическую формулу Уббелоде
К неньютоновскям относятся жидкости, для которых кривая зависимости напряжения сдвига тн от градиента скорости сдвига (dw/drf (кривая течения) выходит не из начала координат и/или имеет нелинейный характер

Зависимость напряжения сдвига от скорости для различных жидкостей:
1 — ньютоновских; 2 — пластичных (бингамовских); 3 — псевдопластичных; 4 — дилатантных
Этим они отличаются от ньютоновских жидкостей, у которых кривая течения 1 представляет собой прямую линию, выходящую из начала координат и описываемую уравнением
где μ - динамическая вязкость жидкости.
Все неньютоновские жидкости делятся на три типа: пластичные, псевдопластичные и дилатантные. Кривая
течения пластичной жидкости 2 при |dw/dr| = 0 выходит из точки τ0 на оси ординат и представляет собой прямую линию. Для начала течения такой жидкости в трубопроводе диаметром D и длиной L необходимо создать перепад давления ΔP=τ0·π·D·L
Кривая течения пластичных жидкостей описываются уравнением
где т0 начальное напряжение сдвига;η — пластическая вязкость
Уравнение выше называется также уравнением Шведова Бингама, поэтому пластичные жидкости также нередко называют бингамовскими.
Кривая течения псевдопластичных жидкостей выходит из начала координат и постепенно переходит в прямую. На криволинейном участке она описывается уравнением
где К — характеристика консиетентности; n — индекс течения
динамической вязкости, а величина п безразмерна.
Кривая течения дилатантных жидкостей 4 также описывается уравнением (1.11). Но в отличие от псевдопластичных жидкостей, для которых п < 1, для дилатантных жидкостей п >1.
Формулы для гидравлического расчета течения неньютоновских жидкостей относительно сложны. Поэтому этот расчет выполняют по тем же формулам, что и для ньютоновских жидкостей, используя эффективную кинематическую вязкость vэф= μэф/р, где эффективная динамическая вязкость при условиях перекачки μэф находится как
Расчетное значение градиента скорости при расходе жидкости Q в трубе радиусом R равно
В отличие от динамической вязкости μ эффективная динамическая вязкость μэф при неизменной температуре зависит от расхода жидкости, уменьшаясь по мере его увеличения.
Еще раз подчеркнем, что в зависимости от температуры один и тот же нефтепродукт может быть как ньютоновским, так и неньютоновской жидкостью. Так, ньютоновское поведение сохраняют при температуре: мазут М-100 — выше +35 С, трансмиссионные масла — выше +10 °С, автомобильные масла АС-10 — выше 0 С и т.д.
Температурой застывания Tз называется наивысшая температура, при которой нефтепродукт теряет свою подвижность. Для определения величины Тз его наливают в пробку стандартных размеров и охлаждают. Далее, наклонив пробирку на 45°, ее содержимое нагревают. В качестве Тз принимают наивысшую температуру, при которой уровень нефтепродукта в пробке остается неподвижным в течение 1 мин.
Величина температуры застывания прямо пропорциональна содержанию смол и парафинов в нефтепродукте.
Испаряемостью называется свойство нефтепродуктов переходить из жидкого состояния в газообразное при температуре меньшей, чем температура кипения. Испарение углеводородной жидкости происходит при любой температуре до тех пор, пока газовое пространство над ней не будет полностью насыщено углеводородами.
Согласно закону Дальтона давление в газовом пространстве (ГП) резервуаров Рг равно сумме парциальных давлений воздуха Рв и паров нефтепродукта Ру, т.е. Рг = Рв + Ру. Если ГП полностью насыщено углеводородами,
то Ру = Ps — давлению насыщенных паров нефтепродукта при условиях хранения.
Величина Ps зависит от давления насыщенных паров по Рейду РR, температуры Т и соотношения объемов паровой и жидкой фаз в резервуаре W. Величина PR определяется экспериментально при Т = 311К и W = 4. Для нахождения Ps рекомендуются формулы:

■ для других нефтяных топлив

где bs — эмпирический коэффициент; F(W) — поправка, учитывающая влияние соотношения фаз на давление насыщенных паров
Выражение для расчета F(W)
0,81 +0,486 • W -0 ’ 68
1,15-0,063 • W 0 ’ 629
Как правило, газовое пространство резервуаров с нефтепродуктами недонасыщено, т.е. Ру < РS.
Отношение парциального давления углеводородов к общему давлению в ГП численно равно объемной концентрации паров нефтепродукта в нем.
Пожаровзрывоопасность нефтепродуктов характеризуется способностью смесей их паров с воздухом воспламеняться и взрываться.
Взрывоопасность нефтепродуктов характеризуется величинами нижнего и верхнего пределов взрываемости. Нижний предел взрываемости — это концентрация паров жидкости в воздухе, ниже которой при внесении в эту смесь горящего предмета не происходит вспышки изза избытка в ней воздуха и недостатка паров. Верхний предел взрываемости соответствует такой концентрации паров нефтепродуктов в воздухе, выше которой смесь не взрывается, а горит. Значения концентрации паров между нижним и верхним пределами взрываемости называют интервалом взрываемости. Для некоторых нефтепродуктов интервал взрываемости составляет: бензин — от 0,76 до 8,4%, керосин— от 1,4 до 7,5%, уайт-спирит — от 1,4 до 6,0%.
Электризация углеводородных жидкостей обусловлена их высоким электрическим сопротивлением, т.е. диэлектрическими свойствами. Сведения о величине удельного объемного электрического сопротивления гуд некоторых нефтепродуктов приведены в таблице ниже
При трении их частиц между собой, о стенки трубопроводов и емкостей, а также о воздух возникают заряды статического электричества величиной до нескольких десятков киловольт. Для воспламенения же достаточно разряда с энергией 4-8 кВ
Методы оценки токсичности горюче-смазочных материалов
Источник материала: Кузнецов А.И., Тимофеев Ф.В., Кузнецов А.А., Кормилицына В.Е. Учебно-справочное пособие. Нефтепродукты. в 2 ч. Часть 2. Основные характеристики. Методы оценки качества. Изд. Ульяновский государственный университет, Ульяновск, 2018 г. 250 с. :
Токсичность - эксплуатационное свойство, характеризующее воздействие нефтепродукта или продуктов его сгорания и разложения на человека и окружающую среду.
Уровень воздействия нефтепродуктов на окружающую среду оценивается классом опасности и предельно допустимыми концентрациями паров нефтепродуктов в воздухе и непосредственно нефтепродуктов в водной среде.
Согласно требований ГОСТ 12.1.007-76 «Система стандартов безопасности труда. Вредные вещества. Классификация и общие требования безопасности» вредные вещества делят на четыре класса: 1 — чрезвычайно опасные, 2 — высокоопасные, 3 — умеренно опасные и 4 — малоопасные.
К вредным веществам относятся вещества, которые при контакте с организмом человека могут вызывать производственные травмы, профессиональные заболевания или отклонения в состоянии здоровья, как в процессе работы, так и в отдаленные сроки жизни человека, а также отразится на здоровье последующих поколений.
Токсичность вредных веществ определяется их химическим составом, степенью концентрации в окружающей среде, чувствительностью живых организмов к воздействию определенных классов вредных веществ.
Наличие в составе ряда нефтепродуктов химических соединений обладающих повышенным уровнем токсичности, определяет необходимость
в соблюдении соответствующих мер предосторожности при обращении с ними. Степень опасности токсичных нефтепродуктов, наряду с химическим составом может определяться такими физическим свойствами, как летучесть и испаряемость токсичных элементов. В связи с этим, устанавливаются правила обращения с токсичными нефтепродуктами и меры защиты от их воздействия.
Таким образом, проявление токсичности оказывает влияние на экологическую безопасность применения нефтепродуктов. В зависимости от направления воздействия токсичных свойств нефтепродуктов, они характеризуются соответствующими свойствами (рис. 1).

Рис. 1. Физико-химические свойства ГСМ, характеризующие уровень их токсичности
1. Биологическая активность
Биологическая активность - свойство, характеризующее степень воздействия нефтепродукта или продуктов его превращения на биологические объекты.
Вредные вещества могут проникать в организм человека через
дыхательные пути, слизистые оболочки, желудочно-кишечный тракт, кожу и глаза.
Большинство нефтепродуктов могут легко проникать в организм через кожные покровы, так как они хорошо растворяются в жирах и жироподобных веществах (липоидах), покрывающих кожу, и сами их растворяют. На слизистые оболочки и глаза горючее способно действовать как в жидком, так и в парообразном состоянии
Вредное воздействие нефтепродуктов на организм человека может привести к острым (вплоть до летальных) и хроническим отравлениям.
Кроме непосредственно химических соединений, входящих в состав нефтепродуктов, высокой степенью токсичности могут обладать продукты сгорания, например отработавшие газы двигателей внутреннего сгорания. Химически активные продукты сгорания могут вступать в реакции с элементами окружающей среды и образовывать соединения приводящие к отравлениям и раздражением слизистых оболочек. Для оценки уровня биологической активности, используют показатели качества, отражающие степень воздействия нефтепродуктов на биологические объекты (рис. 2).

Рис. 2. Свойства ГСМ, характеризующие уровень биологической активности
1.1 Определение предельно допустимой концентрации продукта в воздухе рабочей зоны
ПДК в воздухе рабочей зоны - показатель, характеризующий количественный предел паров горюче-смазочных материалов, при котором в течение определенного времени отсутствует вредное воздействие на здоровье человека и его потомство.
Определение предельно-допустимых концентраций паров горюче-смазочных материалов в воздухе рабочей зоны осуществляется хроматографическим или другими метрологически аттестованными методами анализа.
1.2 Определение летальной дозы
Летальная доза - показатель качества, количественно оценивающий дозу испытуемого вещества, в различных условиях, приводящую к гибели 50% подопытных животных.
При оценке летальной дозы рассматриваются три основных варианта:
средняя смертельная доза при введении в желудок - доза вещества, вызывающая гибель 50% животных при однократном введении в желудок;
средняя смертельная концентрация в воздухе - концентрация вещества, вызывающая гибель 50% животных при двух-четырехчасовом ингаляционном воздействии;
средняя смертельная доза при нанесении на кожу - доза вещества, вызывающая гибель 50% животных при однократном нанесении на кожу.
2. Экологическая активность
Экологическая активность - свойства горюче-смазочных материалов, характеризующие степень их воздействия на экологические объекты окружающей среды.
Экологическая активность горюче-смазочных материалов в первую очередь зависит от наличия в них элементов, оказывающих вредное воздействие на экологические объекты, а также их сохраняемость в течение определенного промежутка времени и при различных условиях. Кроме того, большое значение в оценке экологической безопасности применения ГСМ имеют процессы, при которых происходит попадание активных экологоопасных элементов во внешнюю среду.
Основные показатели, рассматриваемые при оценке экологической активности ГСМ, представлены на рисунке 3.

Рис. 3. Показатели, характеризующие уровень
экологической активности ГСМ
2.1 Определение содержания экологоопасных соединений
Наличие экологоопасных соединений - показатель, характеризующий уровень опасности горюче-смазочных материалов в зависимости от его элементного и углеводородного состава.
К наиболее опасным элементам, с точки зрения экологии, относятся сера, свинец, хлор и их соединения. Также большое значение имеет содержание в ГСМ различных углеводородных соединений, например бензола и полициклических аренов.
Методы испытаний, позволяющие оценить содержание в ГСМ серы, приведены ранее в п. 1.2.
2.1.1 Определение свинца и его соединений
Наиболее значительное количество свинца, содержится в этилированных бензинах, в которые свинец вводится в составе антидетонатора - этиловой жидкости. Для определения содержания свинца в этилированных бензинах используется метод испытаний по ГОСТ 13210-72 «Бензины. Метод определения содержания свинца комплексометрическим титрованием».
Сущность метода заключается в разложении соединений свинца кипячением пробы испытуемого продукта с соляной кислотой и последующем комплексометрическом титровании раствором динатриевой соли этилендиаминтетрауксусной кислоты в присутствии индикатора ксиленологово оранжевого.
Испытание осуществляется следующим образом:
осуществляют приготовление буферного раствора (уротропин растворяют в бидистиллированной воде), 0,01 М водного раствора азотнокислого свинца, смешанного индикатора (индикатор ксиленоловый оранжевый в сухом виде растирают с азотнокислым калием в соотношении 1:100), Приготовление 0,01 М раствора трилона Б;
устанавливают фактор трилона Б, для чего к 20 см азотнокислого свинца добавляют 5 см соляной кислоты, 2 смФактор раствора (f) вычисляют по формуле:
где 20 - объем раствора 0,01 моль/дм ;
V - объем раствора трилона Б, израсходованный на титрование, см
в аппарат для испытаний в зависимости от предполагаемого содержания свинца, наливают бензин и разбавитель - ТС-1 (табл. 1) и 50 смэкстрагируют полученный раствор кипячением, сливают полученный экстракт (солянокислый раствор хлористого свинца), остаток в колбе обрабатывают дистиллированной водой, кипятят, после чего нижний слой сливают к раствору хлористого свинца;
полученный экстракт, упаривают приблизительно до 2 смпараллельно проводят контрольный опыт.
Концентрацию свинца (С, в г/дм 3 )вычисляют по формуле:
где V1 - объем раствора трилона Б, израсходованный на титрование, см
V2 - объем раствора трилона Б, израсходованный на контрольный опыт, см
2,072 - масса свинца, эквивалентная 1 см раствора трилона Б, г;
f - фактор раствора трилона Б;
V - объем пробы, см
При необходимости определения массы свинца (М, г) в 1 кг бензина можно использовать формулу:
где ρ - плотность бензина, измеренная при температуре (15,0±0,5) °С по ГОСТ 3900.
Для определения массы тетраэтилсвинца (Мтэс, г) в 1 кг бензина используется формула:
где 1,561 - коэффициент пересчета свинца в тетраэтилсвинец.
Сущность метода заключается в экстрагировании соединений свинца раствором монохлорида йода, разрушении монохлорида йода растворами аммиака и серноватистокислого натрия и спектрофотометрическом определении свинца в виде комплекса с 4- (2-пиридил-азо-)-резорцинолом (ПАР) или с сульфарсазеном (плюмбоном).
Для проведения испытаний используются спектрофотометр или фотоэлектроколориметр, обеспечивающие полосу пропускания в области 500-540 нм.
Перед испытаниями строят градуировочную кривую зависимости оптической плотности от массы свинца, для чего:
Для определения зависимости оптической плотности от массы свинца, в соответствии с методикой испытаний готовят калибровочные растворы, содержащие азотнокислый свинец, и производят разложение соединений свинца с использованием реактивов. Осуществляют измерение оптической плотности градуировочных растворов, по полученным результатам строят кривую.
После построения градуировочной кривой, проводят экстрадирование из испытуемого бензина, свинецсодержащих элементов и их дальнейшее разложение. Осуществляют, с использованием спектрофотометра или фотоэлектроколориметра измерение оптической плотности полученного в ходе испытаний раствора. Массу свинца в бензине находят по градуировочной кривой, путем нахождения точки ее пересечения с прямой, откладываемой от полученного значения оптической плотности и построения прямой от точки пересечения до оси, по которой откладывались значения массы.
Массовую концентрацию свинца (С), г/дмгде m - масса свинца, найденная по градуировочной кривой, г;
V - объем бензина, взятый для анализа, см
Для проведения испытаний, необходимый объем навески бензина берется в зависимости от предполагаемой концентрации свинца (табл. 2).
Для определения содержания свинца в бензинах также используются современные методы исследования состава веществ, в том числе метод испытаний по ГОСТ Р 51942-2002 «Бензины. Определение свинца методом атомно-абсорбционной спектрометрии».
Сущность метода заключается в оценке спектров алкильных соединений свинца в установленной полосе при использовании пламенной атомно-абсорбционной спектрометрии в сравнении с результатами, полученными на стандартных образцах.
По результатам испытаний стандартных образцов (растворы хлорида свинца, различной концентрации) строят график зависимости величин поглощения (абсорбции) от концентрации свинца в рабочих стандартах и рассчитывают по графику концентрацию свинца в анализируемом образце.
2.1.2 Определение содержания хлора и хлорсодержащих соединений
К одним из наиболее вредных элементов, содержащихся в нефтепродуктах, относятся хлор и хлорсодержащие соединения. Для определения содержания хлора применяется метод испытаний по ГОСТ 20242-74 «Присадки и масла с присадками. Метод определения хлора».
Сущность метода заключается в сжигании испытуемого нефтепродукта в калориметрической бомбе в атмосфере кислорода с поглощением продуктов сгорания раствором углекислого натрия и последующем титровании раствором азотнокислой окисной ртути в присутствии индикатора.
При подготовке к проведению испытания осуществляют приготовление 0,01 моль/дм 3 раствора азотнокислой окисной ртути, и вычисляют поправочный коэффициент (К) к ее титру, по результатам титрования раствора хлористого натрия (0,002-0,003 г на 20 см 3 дистиллированной воды) и 1 см 3 0,5 моль/дм 3 азотной кислоты в присутствии индикатора, по формуле:
где m - масса хлористого натрия, взятая для титрования, г;
V - объем раствора азотнокислой окисной ртути, израсходованной на титрование, см 3 ;
0,00585 - количество хлористого натрия, соответствующее 1 см 3 точно 0,01 моль/дм 3 раствора азотнокислой окисной ртути.
При проведении испытания, навеску продукта, масса которой зависит от содержания хлора (табл. 3), сжигают в калориметрической бомбе в соответствии с установленной требованиями стандарта методикой. Полученный раствор подкисляют раствором азотной кислоты и титруют раствором азотнокислой окисной ртути в присутствии индикатора. Параллельно проводят контрольный опыт, где в качестве образца для испытания (сжигания в калориметрической бомбе и последующего титрования) берется медицинское вазелиновое масло. Массовую долю хлора (Х, %) вычисляют по формуле:
где V1 - объем раствора азотнокислой окисной ртути, израсходованной на титрование испытуемого продукта, см 3 ;
V2 - объем раствора азотнокислой окисной ртути, израсходованной на титрование в контрольном опыте, см 3 ;
К - поправочный коэффициент к титру раствора азотнокислой окисной ртути;
М - масса испытуемого продукта, г;
0,0003546 - количество хлора, соответствующее 1 см 3 точно
0,01 моль/дм 3 раствора азотнокислой окисной ртути.
2.1.3 Определение бензола
Определение наличия бензола регламентировано при испытаниях бензинов и может осуществляться с использованием ряда методов испытаний: ГОСТ 29040-91 «Бензины. Метод определения бензола и суммарного содержания ароматических углеводородов»; ГОСТ Р 51930-2002 «Бензины автомобильные и авиационные. Определение бензола методом инфракрасной спектроскопии»; ГОСТ Р 51941-2002 «Бензины. Газохроматографический метод определения ароматических углеводородов».
Сущность метода испытаний по ГОСТ 29040-91, заключается в хроматографическом разделении углеводородов бензина на высокополярной селективной неподвижной фазе, обеспечивающей элюирование бензола после насыщенных и олефиновых углеводородов и определении содержания бензола в испытуемом продукте.
Проведение испытаний осуществляется на хроматографе ЛХМ-80 или аналогичного типа.
При подготовке к проведению испытаний, осуществляют калибровку детектора хроматографа, для чего готовят 3-5 калибровочных смесей из индивидуальных углеводородов (в том числе бензола), различного процентного (по массе) состава и определяют поправочный коэффициент чувствительности детектора к углеводороду в зависимости от площади полученных пиков и массы компонентов в калибровочных и стандартной (бензол) смесях.
После получения результатов хроматографического испытания анализируемого бензина, с использованием полученного поправочного коэффициента, вычисляют процентное по массе содержание бензола.
При проведении испытаний по ГОСТ Р 51930-2002, для определения содержания бензола в составе бензина также используются калибровочные смеси, с известным содержанием данного углеводорода.
Сущность метода испытаний состоит в проведении ИК-спектроскопии анализируемого бензина и последующем сравнении полученных данных с результатами испытания калибровочных смесей и учетом поправки на мешающие факторы.
Для осуществления испытаний необходимо использование двухлучевого или однолучевого ИК-спектрометров, обеспечивающих запись точных измерений от 690 см (22,73 мкм).
При подготовке к проведению испытаний готовят стандартные смеси бензола, представляющие собой растворитель (свежая широкая фракция бензина с объемной долей бензола менее 1%) и вводимый бензол. Также готовится стандартный раствор толуола в изооктане или n-гептане.
Далее осуществляется калибровка ИК-спектрометра по полосам поглощения на приготовленных стандартных смесях.
По полученным результатам строят калибровочную кривую стандартных смесей.
После испытания анализируемого бензина рассчитывают объемную долю бензола в бензине в процентах, используя калибровочную кривую и данные полученные в ходе анализа.
Метод испытаний по ГОСТ Р 51941-2002, представляет собой аутентичный перевод метода испытаний ASTM D 4420, в котором предусмотрено определение бензола (от 0,1 до 5,0 %), толуола от (1,0 до 20,0 %), ароматических углеводородов C и более тяжелых (от 5,0 до 30,0 %) и общей объемной доли ароматических углеводородов (от 10,0 до 80,0 %) методом газовой хроматографии.
2.2 Биоразлагаемость
Под биоразлагаемостью понимается разложение горюче-смазочных материалов или их компонентов в окружающей среде в результате воздействия различных микроорганизмов.
Для определения уровня биоразлагаемости ГСМ могут применяться различные методы исследования:
спектрографические и хроматографические, которые позволяют оценить остаточное содержание исследуемого продукта в среде за определенное время испытания;
количественные методы исследования, которые оценивают количество образующейся за время испытаний биомассы, осаждающейся на мембранных фильтрах;
опосредованные, например оценка уровня биоразлагаемости ГСМ по количеству выделяемого в результате биохимических процессов углекислого газа.
2.3 Токсичность отработавших газов
Под токсичностью отработавших газов понимается степень их воздействия на биологические объекты.
Отработавшие газы представляют собой многокомпонентную смесь продуктов сгорания ГСМ, в том числе обладающих токсичными и канцерогенными свойствами. К таким веществам относятся: окись углерода CO; окислы азота NOx; углеводороды CnHn различного строения, в том числе полициклические ароматические углеводороды; альдегиды; сажа; окислы серы; сероводород; соединения Pb.
Для определения уровня канцерогенности отработавших газов могут быть использованы как газоанализаторы, показывающие процентное содержание в газах различных элементов, так и методы, основанные на улавливании с помощью фильтров частиц отработавших газов и их последующей оценке и измерении.
Свойства нефтепродуктов
Нефтепродукты применяются практически везде: изготовление топлива, резины, пластика, медикаментов, косметики и пр. Такая универсальность обусловлена тем, что сырая нефть и продукты ее перегонки обладают уникальными характеристиками, определенный набор которых позволяет получать самые разные по назначению вещества. Основные свойства нефтепродуктов, в том числе физико-химические, вытекают из их плотности, вязкости, температуры вспышки и плавления, коэффициента объемного расширения, испаряемости и др.
Физические свойства нефтепродуктов

Представляя собой маслянистую жидкость определенной консистенции, нефтепродукты практически всегда имеют темно-коричневый цвет. Они не растворяются в воде, не проводят электрический ток и независимо от своей относительной и абсолютной плотности являются горючими. Важнейший физический параметр любого нефтепродукта - вязкость. Так называют силу трения, возникающую между несколькими слоями жидкости при их движении. На величину вязкости нефтепродукта влияют следующие факторы:
- химический состав
- плотность вещества
- температура
Все эти факторы являются переменными, поскольку с повышением температуры уменьшаются плотность и вязкость, а в некоторых случаях меняется даже химический состав продукта.
Химические свойства нефти
Любые нефтепродукты, рассматриваемые по элементарному составу, будут во многом схожи между собой. Прежде всего, в каждом из них можно обнаружить углерод и водород, которые образуют углеводородные группы различного строения. Из последних образуются газы (углероды С1-С4), жидкости (С5-С16 жидкости) и парафины (от С17).
К примеру, образование одновременно из 5 углеводородных групп позволяет получить более плотные нафтены, используемые при создании смазочных и моторных масел. С6H6 - цепочка из 6 групп с двойными связями - это бензолы, плотность которых гораздо больше плотности воды, что позволяет им выступать в качестве растворителей.
Опасные свойства нефтепродуктов

Некоторые специфические свойства нефтепродуктов относят к опасным свойствам. К примеру, данные вещества являются огнеопасными, что объясняется присущей для них горючестью и легковоспламеняемостью. Определяет степень этой опасности температура вспышки паров - минимальная температура, при которой смесь мгновенно вспыхивает при контакте с огнем.
Еще одно опасное свойство - взрывоопасность. В данном случае речь идёт о высоком процентном содержании паров нефтепродукта, которое при поднесении открытого огня приводит к взрыву. Также стоит упомянуть электризацию нефтяных продуктов, т.е. образование статического электричества в результате действия сил трения нефти о стенки трубопровода при транспортировке. Данный эффект возможен и при трении веществ о воздух (так называемый эффект Ленарда).
Среди опасных свойств данных веществ специалисты упоминают испаряемость, с которой борются при помощи использования герметизированных резервуаров; вязкость, которая приводит к затруднению ее транспортировки; и вредность паров, которые являются ядовитыми, в частности, если речь идет о тяжелых или этилированных бензинах.
Токсичность продуктов горения
Токсичность продуктов горения - это свойство летучих химических веществ (токсичных газов и материалов) выделять токсичные вещества при термическом разложении и горении материалов (в виде тления или пламени) и оказывать поражающее действие на организм человека или животного.
Токсичные газы - это газообразные и парообразные компоненты продуктов горения, от которых в наибольшей мере зависит токсический (летальный) эффект.

Токсичные твердые продукты горения (дым от сигареты)
Согласно статистическим данным доля общего числа погибших при пожарах от действия продуктов горения составляет 75-80%. Токсичность продуктов горения определяется токсической дозой (токсодозой).
Токсичность продуктов горения является одним из основных показателей пожаровзрывоопасности веществ и материалов и определяется по стандартной методике в режиме пламенного горения или тления материалов.
Показатель токсичности продуктов горения используется при:
- оценке токсичности продуктов горения различных веществ и материалов, их классификации;
- определении области применения;
- для сравнительной оценки полимерных отделочных и теплоизоляционных материалов;
- в качестве исходных данных при расчете необходимого времени эвакуации людей при пожаре в здании (помещении);
- при математическом моделировании развития пожара.
Для получения данных о концентрациях выделившихся токсичных соединений в анализируемой среде могут быть использованы газоанализаторы, химические газоопределители и методы лабораторного инструментального анализа (газовая хроматография, масс-спектрометрия и др.).
Наиболее опасными токсичными газами - газо- и парообразными компонентами продуктов горения, от которых в наибольшей мере зависит токсический (летальный) эффект, являются оксид углерода (СО), циановодород (HCN) и хлороводород (HCl). На токсический эффект продуктов горения может оказывать влияние высокое содержание диоксида углерода (СО2). Этот эффект усиливается при уменьшении концентрации кислорода (О2).
В зависимости от состава материала в продуктах горения могут также присутствовать оксиды азота (NхOу ), акролеин (CH2CHCHO), фтороводород (HF), бромоводород (HBr), диоксид серы (SO2) и др.
Группы
Согласно п. 10 ст. 13 Федерального закона РФ № 123-ФЗ по токсичности продуктов горения горючие строительные материалы подразделяются на следующие 4 группы:
- Т1 (малоопасные);
- Т2 (умеренно опасные);
- Т3 (высокоопасные);
- Т4 (чрезвычайно опасные).
Классы опасности
Классификация горючих строительных материалов по значению показателя токсичности продуктов горения приводится в таблице № 2 ГОСТ 12.1.044-89.
Показатель токсичности продуктов горения - это отношение количества материала к единице объема замкнутого пространства, в котором образующиеся при горении материала газообразные продукты вызывают гибель 50% подопытных животных.
| Класс опасности | HCL50, г × м -3 , при времени экспозиции, мин | |||
| 5 | 15 | 30 | 60 | |
| Чрезвычайно опасные | До 25 | До 17 | До 13 | До 10 |
| Высокоопасные | 25-70 | 17-50 | 13-40 | 10-30 |
| Умеренно опасные | 70-210 | 50-150 | 40-120 | 30-90 |
| Малоопасные | Свыше 210 | Свыше 150 | Свыше 120 | Свыше 90 |
Метод испытания (определения)
Для определения показателя токсичности (п. 4.20 ГОСТ 12.1.044-89), устанавливают зависимость летального эффекта продуктов сгорания от массы материала, отнесенной к единице объема замкнутого пространства.
Установка состоит из камеры сгорания вместимостью не менее 3×10 -3 м 3 , выполненной из нержавеющей стали толщиной 2 мм. Внутренняя поверхность камеры теплоизолирована асбестоцементными плитами и облицована алюминиевой фольгой. На верхней стенке камеры под углом 45° к горизонтали установлена электронагревательная панель размерами 120×120 мм. В камере сгорания на ее дверце укреплен держатель образца, выполненный из листовой жаростойкой стали в виде рамки размерами 100x100x10 мм, в которой закреплен поддон из асбестоцемента. Поддон имеет углубление для фиксированного размещения асбестоцементного вкладыша с образцом испытуемого материала.

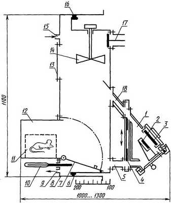
Установка для определения токсичности продуктов горения:
1 - камера сгорания; 2 - держатель образца; 3 - электронагревательный излучатель; 4 - заслонки; 5, 18 - переходные рукава; 6 - стационарная секция экспозиционной камеры; 7 - дверца предкамеры; 8 - подвижная секция экспозиционной камеры; 9, 15 - штуцеры; 10 - термометр; 11 - клетка для подопытных животных; 12 - предкамера; 13 - предохранительная мембрана; 14 - вентилятор; 16 - резиновая прокладка; 17 - клапан продувки
Нагреваемая поверхность держателя образца и поверхность электронагревательной панели параллельны, расстояние между ними равно 60 мм. Над держателем образца расположена газовая горелка таким образом, что при испытании ее пламя длиной 10-12 мм касается поверхности верхней части образца. На боковой поверхности камеры сгорания имеется окно из кварцевого стекла для наблюдения за образцом при испытании.
Экспозиционная камера, соединенная с камерой сгорания переходными рукавами с заслонками, состоит из стационарной и подвижной секций. В верхней части камеры находится четырехлопастный вентилятор перемешивания. Кроме того, камера снабжена предохранительной мембраной из алюминиевой фольги, клапаном продувки, штуцерами для присоединения газоанализатора и ввода термометра. Перемещением подвижной секции изменяют вместимость экспозиционной камеры от 0,1 до 0,2 м 3 . В предкамеру вместимостью 1,5×10 -2 м 3 , оборудованную наружной и внутренней дверцами и смотровым окном, помещают клетку с подопытными животными.
Испытания проводят в двух режимах: термоокислительного разложения (тления) при температуре поверхности образца 400 °С и пламенного горения при температуре поверхности образца 750 °С с зажженной газовой горелкой.
В предварительных испытаниях определяют для каждого материала температурный режим, способствующий выделению более токсичных продуктов горения. Для герметизации камеры нагнетают воздух в надувную прокладку, вставляют в держатель образца вкладыш с контрольным образцом из асбестоцемента размерами 60x60x10 мм. На центральном участке нагреваемой поверхности образца закрепляют термопару. Закрывают заслонки переходных рукавов и внутреннюю дверцу предкамеры, выводят установку на режим пламенного горения.
После выхода электронагревательной панели на стационарный режим открывают заслонки переходных рукавов и дверцу камеры сгорания. Вынимают вкладыш с контрольным образцом и термопарой, зажигают газовую горелку. Устанавливают в держатель вкладыш с образцом исследуемого материала. После воспламенения образца газовую горелку немедленно отключают. Продолжительность горения образца определяют по времени достижения максимальных значений концентрации оксида и диоксида углерода в экспозиционной камере или принимают равным 15 мин. Затем закрывают заслонки переходных рукавов и включают вентилятор перемешивания. Клетку с животными помещают в предкамеру, наружную дверцу которой закрывают. После снижения температуры газов в нижней части экспозиционной камеры до 30 °С открывают внутреннюю дверцу предкамеры и фиксируют время начала экспозиции животных. Экспозицию проводят в течение 30 мин при концентрации кислорода не менее 16 %. В каждом испытании используют десять белых мышей массой по 20 г.
После завершения экспозиции открывают клапан продувки, заслонки переходных рукавов, наружную дверцу предкамеры, включают вентилятор и вентилируют установку в течение 10 мин. Регистрируют число погибших животных и характерные признаки интоксикации.
Испытания в режиме тления проводят при 400 °С, при этом газовую горелку не зажигают. Термостойкие материалы испытывают при 600 °С. В случае самовоспламенения образца температуру испытания снижают с интервалом 50 °С.
Критерием выбора режима испытаний служит наибольшее число летальных исходов в сравниваемых группах подопытных животных. При выбранном температурном режиме в основных испытаниях находят ряд значений зависимости летальности животных от величины отношения массы образца к вместимости экспозиционной камеры. Для получения токсических эффектов меньше и больше уровня летальности 50% изменяют вместимость экспозиционной камеры, оставляя постоянными размеры образца исследуемого материала.
При определении токсичности учитывают гибель животных, наступившую во время экспозиции, а также в течение последующих 14 суток. В зависимости от состава материалов при анализе их продуктов сгорания определяют количество оксида и диоксида углерода, цианистого водорода, акрилонитрила, хлористого водорода, бензола, оксидов азота, альдегидов и других веществ. Для оценки вклада оксида углерода в токсический эффект измеряют содержание карбоксигемоглобина в крови подопытных животных.
Полученный ряд значений зависимости летальности от массы материала используют для расчета показателя токсичности HCL50. Расчет проводится при помощи пробит-анализа или других способов расчета средних смертельных доз и концентраций.
Источники: Федеральный закон РФ от 22.07.2008 № 123-ФЗ «Технический регламент о требованиях пожарной безопасности»; ГОСТ 12.1.044-89 ССБТ. Пожаровзрывоопасность веществ и материалов. Номенклатура показателей и методы их определения; Пожаровзрывоопасность веществ и материалов и средства их тушения. Часть 1. Корольченко А.Я., Корольченко Д.А. -М.: 2004.
Читайте также:
- Влияние гипофиза на менструальный цикл. Гонадотропины
- Ткани нервной системы. Гистогенез нервной системы.
- Примеры однородительских дисомий импринтированных участков. Синдром Беквитта-Видемана
- Рентгенограмма, КТ, МРТ при травматическом остеолизе костей лучезапястного сустава у детей
- Показания, техника, осложнения медиастиноскопии
