Методика теста саккад
Добавил пользователь Владимир З. Обновлено: 01.01.2026
При выполнении теста саккад глаза пациента должны следить за целью, создаваемой генератором стимулов. Однако, при этом цель двигается не непрерывно, как в тесте плавного слежения, а скачкообразно, от одной позиции к следующей. Пациент должен попытаться зафиксировать взгляд на цели, а затем переместить взгляд к следующей позиции быстрыми движениями глаз (саккадами). В идеале, саккады должны состоять из одного быстрого движения, которое приводит к точной фиксации взгляда на новой цели.
Для тестирования саккадированных движений важно контролировать, чтобы пациент следил за целью только глазами. Во время теста голова должна оставаться неподвижной. Перед тем, как запустить тест саккад, следует выполнить калибровку. Измеренные саккады анализируются в отношении их латентности, скорости и точности.
Латентность
Латентность, или время реакции, равна времени между моментом изменения позиции цели и начала саккады (Рис. 1). Чтобы чётко различать начало саккадического движения от колебаний позиции глаза, за начало саккады принимается момент, когда глаз произвел определённую часть пути в процентах от полной амплитуды саккады. Эта часть обычно составляет 10% и может быть установлена на закладке Analysis (Анализ) теста саккад диалогового окна конфигурации (поле THRESHOLD FOR LATENCY - ПОРОГ ЛАТЕНТНОСТИ).
Скорость
Скорость движения глаза во время саккады.
Точность
Точность показывает, насколько правильно выполняется саккада. Она равна:
- значение около 100% указывает на оптимальную фиксацию на цели
- значение меньше 100% говорит о слишком малой амплитуде саккады (недобор)
- значение больше 100% говорит о слишком большой амплитуде саккады (перебор)
Слишком малая или слишком большая амплитуда означают, что пациенту требуются дополнительные саккады для того, чтобы зафиксировать взгляд на цели в новой позиции.
Рис. 1: Опорные точки времени графика саккады. На этом рисунке показана саккада со слишком маленькой амплитудой. Для концентрации на цели требуется дополнительные корректирующие движения.
Временное разрешение измерений саккад
Временное разрешение измерений саккад: саккады - очень быстрые движения глаз с длительностью от 10 мсек до 80 мсек. Для того, чтобы измерить их точно, регистрирующая система должна иметь минимальную частоту кадров не менее 200 Гц. Поскольку обычно система видео нистагмографии (видео окулографии) оборудована стандартными видеокамерами, реальная частота кадров составляет 25 Гц для системы PAL и 30 Гц для NTSC. Поэтому для регистрации саккад необходимы либо скоростные видеокамеры, либо другие методы исследований саккадических движений глаз.
Поскольку система VF5 оборудована стандартными видеокамерами, то она не является наилучшим инструментом для изучения саккад. Тем не менее, для клинического исследования временного разрешения системы VF5 может быть вполне достаточным, для чего необходимо обеспечить следующие условия для снижения погрешности измерений:
- Амплитуда саккад должна составлять как минимум 10°
- Саккада должна измеряться два, а лучше три раза
Оба этих параметра устанавливаются при помощи диалогового окна конфигурации теста саккад. Впоследствии, измерения саккад, не соответствующие этим условиям, не будут включены в статистические данные.
Диаграммы теста саккад:
Статистические данные

Рис. 2: Поле статистических данных теста саккад
В этом тесте рассчитываются такие данные измерений для левого и правого глаз:
Аббревиатура
Описание
Единица измерения
target movements (right, left, up, down) (движения цели (вправо, влево, вверх, вниз))
Количество движений цели в данном направлении
accepted saccades (распознанные саккады)
Количество саккад, которые были включены в анализ
Время реакции, измеренное между изменением позиции цели и превышением порога x1
Средняя скорость саккады
Определяет, насколько точно саккада приводит к новой позиции цели
Горизонтальная и вертикальная позиция глаза и цели
Горизонтальная и вертикальная позиции глаза отображаются на двух разных графиках. Положительные значения углов соответствуют движениям глаз вправо и вверх. Соответственно, отрицательные значения углов соответствуют движениям глаз влево и вниз. Кроме того, позиция цели отмечается зеленым цветом для сравнения с движениями глаз.
Латентность, скорость и точность
Три главных параметра (латентность, скорость и точность) отображаются на различных графиках для горизонтальных и вертикальных саккад. Каждая саккада представлена отдельной точкой. Саккады влево и вниз видны на левой половине диаграммы, саккады вправо и вверх отображены на правой половине диаграммы.
«Проект: Аудиология» - сборник научно-практических материалов для профессионалов в области аудиологии и слухопротезирования, включающий материалы конференций, статьи по кохлеарной имплантации, отоневрологии и законодательные акты по сурдологии.

Мастер-класс «Современные методы диагностики и лечения головокружения». 22-24 мая 2018 года, Москва

Ассоциация междисциплинарной медицины при поддержке Interacoustics (Дания) и группы Компаний «ИСТОК - АУДИО» (Россия) представляет учебно-практический мастер-класс «Современные методы диагностики и лечения головокружения», 22-24 мая 2018 г. Лекционная часть мастер-класса будет проходить в конференц-зале гостиницы «Салют» (Ленинский проспект, 158), практическая часть - в клинике «Радуга звуков» (проспект Вернадского, 105к2).
Лекторы: Леонел Люис - доктор медицины ( MD), д.м.н.( PhD), руководитель отоневрологичесого отделения Больницы Св. Марии; научный сотрудник медицинского факультета Лиссабонского Университета, Лиссабон, Португалия. Мишель Петрак - д.м.н. (PhD), аудиолог Северо-западного центра слуха и речи, Иллиноис, США.
Язык курса - английский. Будет осуществляться последовательный перевод на русский язык доц. кафедры оториноларингологии РНИМУ им. Н.И.Пирогова Гусевой А.Л.
Подана заявка на аккредитацию мастер-класса в системе НМО.
Этот интенсивный трехдневный курс направлен на повышение уровня диагностики вестибулярных расстройств, выбор адекватной терапии при различных заболеваниях вестибулярной системы и освоение репозиционных маневров при доброкачественном пароксизмальном позиционном головокружении.
Курс включает углубленные данные по анатомии и физиологии вестибулярной системы, тесты, применяемые при клиническом обследовании пациента с головокружением, а также особенности применения современных инструментальных методик. Представленные методики клинического обследования пациента с головокружением не требуют специального сложного оборудования и могут быть широко использованы в амбулаторной практике врача для диагностики и дифференциальной диагностики периферических и центральных поражений вестибулярной системы.
Практическая часть фокусируется на освоении и интерпретации клинических тестов, видеонистагмографии, калорической пробы, вращательных тестов, видеоимпульсного теста, вызванных вестибулярных миогенных потенциалов, электрокохлеографии и других электрофизиологических методов.
Врачи смогут научиться самостоятельно выполнять диагностические тесты и лечебные маневры при различных типах доброкачественного пароксизмального позиционного головокружения. В практические занятия также входит использование TRV- кресла для репозиции при ДППГ. Отдельное внимание будет уделено дифференциальной диагностике и лечению таких заболеваний как вестибулярная мигрень, вестибулярный нейронит, болезнь Меньера, двусторонняя вестибулопатия, а таже особенностям вестибулярной патологии в детском возрасте. Подробная программа в приложении.
Демонстрация проведения экстратимпанальной электрокохлеографии и вызванных шейных и окулярных вестибулярных миогенных потенциалов с помощью демонстрационного оборудования с последующим самостоятельным выполнением исследования слушателями. В ходе демонстрации слушателям продемонстрируют особенности расположения пациента во время тестирования, крепления электродов, а также обозначения и анализа пиков, получаемых при тестировании.
Слушателям демонстрируются возможности выполнения диагностических и репозиционных тестов с использованием позиционного кресла, а также проводится отработка практические навыки по самостоятельному выполнению диагностических тестов Dix-Hallpike, и roll-теста. Будут представлены модификации репозиционых маневров для позиционного кресла: ускоренный маневр Lempert и специальный протокол для репозиции канало- и купулолитиаза на позиционном кресле.
Демонстрация проведения экстратимпанальной электрокохлеографии и вызванных шейных и окулярных вестибулярных миогенных потенциалов с помощью демонстрационного оборудования с последующим самостоятельным выполнением исследования слушателями. В ходе демонстрации слушателям продемонстрируют особенности расположения пациента во время тестирования, крепления электродов, а также обозначения и анализа пиков, получаемых при тестировании.
Слушателям демонстрируются возможности выполнения диагностических и репозиционных тестов с использованием позиционного кресла, а также отрабатываются практические навыки по самостоятельному выполнению диагностических тестов Dix-Hallpike, и roll-теста. Будут представлены модификации репозиционых маневров для позиционного кресла: ускоренный маневр Lempert и специальный протокол для репозиции канало- и купулолитиаза на позиционном кресле.
Методика теста саккад
Каталог продукции
Вы здесь
Тест саккад (Saccade Test)
Временное разрешение измерений саккад: саккады - очень быстрые движения глаз с длительностью от 10 мсек до 80 мсек. Для того, чтобы измерить их точно, регистрирующая система должна иметь минимальную частоту сканирования не менее 200 кадров в секунду. Поскольку обычно система видео нистагмографии (видео окулографии) оборудована стандартными видеокамерами, реальная частота кадров составляет только 25 кадров в секунду для системы PAL и 30 кадров в секунду для NTSC. Поэтому для регистрации саккад необходимы либо скоростные видеокамеры, либ о другие методы исследований саккадических движений глаз.

Описание тестов VNG
Спонтанный нистагм- неспровоцированные движения глаз, контролируемые мозгом. Спонтанный нистагм представляет собой неустойчивость тонических сигналов вестибулярной системы. У здоровых людей спонтанного нистагма не возникает.Спонтанный нистагм возникает в результате повреждений вестибулярного лабиринта, вестибулярного нерва, центральных вестибоокулярных нейронов и проводящих путей нервной системы. Горизонтальные вращательные движения глаз - это периферийный вестибулярный нистагм, в то время как вертикальный или торсионный нистагм - признак общей патологии. Очень сложно выявить поврежденную область только по направлению нистагма.
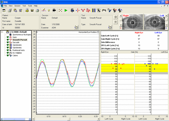
Тест плавного слежения
Локализация: Центральная Нервная Система (ЦНС). Правильная расшифровка движений глаз относительно периферийной нервной системы опирается на правильное функционирование проводящих путей. Симптомы головокружения могут быть результатом поражений центральных нервных путей или центрального ядра. Тест плавного слежения - метод регистрации глаз, при котором, в отличие от теста саккад, где слежении происходит скачкообразными повторяющимися саккадами, пациент следит за объектом наблюдения плавными продолжительными движениями, проецируя изображение на макуле глаза. Записываются движения глаз пациента, пока он следит за медленно двигающимся взад и вперед по проекционному полю маркером-меткой. На экране предъявляются синусоидальные стимулы с амплитудой в 30 градусов и частотой (0,2 — 0,7Hz).

Результаты теста при норме должны быть похожи на плавную синусоиду, которая повторяет траекторию движения метки. Прерывание в движении может означать наличие патологии ЦНС.
Тест саккад
Исследование подвижности глаз (тест саккад) разработана, чтобы измерить способность пациента произвольно перемещать глаза. Пациента просят следить за маркером - меткой глазами для определения скорости движения глаз. Измеряя движения глаз, можно определить, работают ли нервная система или мозг должным образом.
Оптокинетический тест
Локализация: ЦНС. Правильная интерпретация движения глаз относительно периферии может помочь восстановлению нормального функционирования проводящих путей нервной системы. Симптомы головокружения могут быть результатом поражения центральных нервных путей или центрального ядра.
Оптокинетическое тестирование возвратных движений глаз в форме скачкообразного нистагма во время наблюдения за движущимися объектами, которые занимают около 80-90 % обзорного поля. Такой нистагм нужен для поддержания образа на сетчатке глаза во время:
- Постоянного быстрого движения;
- Когда голова наблюдателя неподвижна, а объекты наблюдения движутся с постоянной скоростью;
- Когда человек и объект наблюдения движутся с постоянными разными скоростями.
Таким образом, построение изображения вестибоокулярными рефлексами обеспечивает постоянное четкое восприятие окружающего мира. Записываются движения глаз в течение времени, пока пациент следит за стимулом. Стимулы - полосы, шахматное поле, картинки, которые двигаются со скоростью 20-50 градусов/сек. Пациент не должен двигать головой.

Нормальный результат Оптокинетического Теста
При норме движения глаз, возникающие при слежении за движущимися объектами, имеют сходство с нистагмом. Если отклики не симметричны, это может быть признаком патологии ЦНС.
Позиционный тест
Во время этого теста голова пациента перемещается в различные положения специалистом, который проводит исследование. При этом исследуется и регистрируется характер непроизвольного движения глаз. В то время, как головой двигают, любое неправильное движение жидкости в полукруглых каналах внутреннего уха заставляют глаза автоматически корректироваться неправильным образом. Если тест оказывается положительным, он демонстрирует, что крошечные кристаллы в жидкости полукруглых каналов вызывают проблемы головокружения или дисфункцию системы баланса.
Калорическое (тепловое) тестирование
Существует два метода тестирования - водяной и воздушный. Однако физика процесса одна - стимуляция внутреннего уха через наружный слуховой проход поочередно теплой и холодной жидкостью или воздухом. Измеряя и регистрируя автоматическое глазное движение в ответ на стимуляцию и при различных температурах, этот тест показывает, отвечают ли движения глаз должным образом на стимулы или обнаруживается проблема взаимосвязи между ушами и глазами, которые проявляются как головокружение или неспособность поддержать баланс.
Тест VOR
Вестибулярный глазной рефлекс (VOR- vestibular - ocular reflex) использует два из четырех компонентов, необходимых, чтобы поддержать нормальный баланс. Система баланса интегрирует данные от глаз, полукруглых каналов, проприоцепторов ЦНС. Рефлекс VOR стабилизирует наши визуальные изображения, поддерживая надлежащую координацию глаз и головы во время физиологического движения для отражения реального мира в повседневной жизни. Этот механизм запускается при движениях головы со скоростью не менее 2 Гц. Если скорость движения головы ниже, то ЦНС используются механизмы саккад и пристального (фиксированного) взгляда для поддержания стабильности изображения во время нормального передвижения. Дисфункция системы баланса или нарушения диапазона толерантности может привести к осциллопсии - дрожания поля зрения и способствовать развитию синдрома симпатикотомической дистрофии, головокружению и/или нарушению баланса. Поэтому необходимо знать патофизиологический статус VOR по физиологически значащему скоростному диапазону в диапазоне до 6 Гц и в 2 измерениях.
Ухудшение вестибулярно-глазного рефлекса (VOR) может привести к хроническому головокружению и неустойчивости. Вестибулярный тест при вращении головой пациента (VAT) является высокочастотным, активным тестом вращения, чтобы субъективно оценить VOR и его функцию. Пациенту надевают на голову легкий держатель с датчиком, посредством которого измеряется скорость движения головы. При выполнении теста пациент следует инструкциям специалиста, покачать головой из стороны в сторону, а затем взад - вперед. Данные движения глаз регистрируются и представляются на экране дисплея в виде графических кривых в наглядном виде, легком для анализа.
Тест VAT предоставляет информацию о функции VOR через физиологически значащие главные скорости до 6 Гц и выявляет дисфункцию всех 3-х полукруглых каналов. Системы ENG или калорический тест оценивают функциональность только горизонтального канала.
Исследование глазодвигательных функций и диагностика нарушений
Чтобы понять каким образом происходят перемещения глазного яблока, необходимо представлять геометрию глаза и функциональные задачи глазодвигательных мышц. Глазное яблоко может вращаться по трем основным осям - вертикальной (z), горизонтальной (у) и носозатылочной (х). Центр глазного яблока является точкой пересечения этих осей.
Глазные вращения обеспечиваются скоординированными сокращениями и расслаблениями шести глазодвигательных мышц- это четыре прямых и две косых каждого глаза. Действия мышц глазного яблока определяются в центре вращения глазного яблока, он же определяет ход и прикрепление каждой из мышц. На движения глазного яблока, мышцы влияют и посредством соединительнотканных образований (pulleys) экстраокулярных мышц. Человек совершает глазами не менее 100 000 саккад ежедневно, поэтому глазодвигательные мышцы устойчивы к усталости. От других мышц скелета, глазодвигательные мышцы также отличны. Например, глазные волокна обеспечены множественной иннервацией, при этом, каждый мотонейрон (наименьшая моторная единица тела человека) иннервирует до 10 или 20 волокон мышцы.
Цены на лечение
Узнать цену процедуры, записаться на прием в "Московскую Глазную Клинику" можно по телефонам 8 (800) 777-38 81 и (499) 322-36-36 (ежедневно с 9:00 до 21:00) или с помощью формы онлайн-записи.
Основные движения глаз
К монокулярным движениям глаза относятся дукции - это движения отведения, приведения, поднимания, опускания, поворота глазного яблока кнутри или кнаружи.
Бинокулярные содружественные движения обоих глаз называют верзиями, они отвечают за перемещение визуальных осей в одном направлении. Верзии - это одновременный поворот глаз влево и вправо, поднимание и опускание их, ротационные движения.
Бинокулярным дизъюнктивным движением, является вергенция, она обеспечивает перемещение визуальных осей глаз в разноименных направлениях - конвергенция, дивергенция (расхождение, с ротацией).
Глазные вращения обеспечиваются скоординированным сокращением шести мышц каждого глаза.
Функции мышц глазного яблока, определяется центром вращения, местом прикрепления и ходом каждой мышцы. Через соединительнотканые образования, расположенные немного сзади от экватора и в 10 мм сзади от точек прикрепления мышц проходят сухожилия прямых мышц глаза.
Соединительнотканые образования прямых мышц, состоят из гладких мышечных волокон и волокнистой ткани, что позволяет ограничивать чрезмерные движения в ходе ротации глаз.
Мышца агонист обеспечивает движение глаз в заданном направлении, а мышца антагонист производит движение глаз в противоположном от заданного направлении.
По закону Шеррингтона о реципрокной иннервации, когда мышца агонист получает сигнал возбуждения для начала сокращения, одновременно, к мышце антагонисту этого глаза поступает сигнал подавления.
Эта реципрокная связь обусловлена центральным связям, существующим в стволе мозга. В одном направлении, глаза двигают пары мышц, по одной от каждого глаза. Например, правая наружная прямая с левой внутренней прямой, одновременно сокращаются при взгляде вправо.
В соответствии с законом Геринга об идентичности иннервации, в ходе одноименных движений глаз, для пар мышц синергистов поступает одинаковый сигнал и оба глаза двигаются вместе.
Мышцы, действующие вертикально, также имеют пары (правая верхняя прямая мышца составляет пару с левой нижней косой мышцей, а правая нижняя прямая мышца составляет другую пару с левой верхней косой мышцей). Характер их взаимодействия очень сложен, ведь даже при горизонтальных обычных движениях задействованы все мышцы глаза.
Глазодвигательные функции
При клинических исследованиях определяют все положения глаз: первичные — во время взгляда вперед, а также вторичное положение - при взгляде вправо, влево, вниз и вверх. Третичные положения вверх и влево, вниз и влево, вверх и вправо, вниз и вправо.
Например, главным элеватором при взгляде вправо является верхняя прямая мышца правого глаза, а также нижняя косая мышца левого глаза.
В такой позиции, правая верхняя прямая мышца становится главным элеватором при абдукции правого глаза (под воздействием наружной прямой мышцы), из-за ее прикрепления к глазному яблоку с образованием угла со зрительной осью величиной 23 градуса.
Левая косая нижняя мышца становится главным элеватором при аддукции левого глаза (под действием внутренней прямой мышцы) из-за ее прикрепления к глазному яблоку и образования со зрительной осью угла в 51 градус.
Кардинальные позиции взгляда при этом, не могут соответствовать первичному, вторичному или третичному действию мышц. Когда взгляд правого глаза направлен вправо и вверх, за поднимание или абдукцию глазного яблока, правая верхняя прямая мышца не отвечает. Третичное действие верхней прямой мышцы является аддукция, а не абдукция. При взгляде правым глазом вправо вверх, подъем глазного яблока обеспечивается сокращением верхней прямой мышцы, при том что абдукция обеспечивается сокращением наружной прямой мышцы.
Среди основных задач моторной системы, принято выделять:
- Увеличение объема наблюдения при преобразовании поля зрения в зону фиксации;
- Перенос изображений объектов внимания на фовеа с удержание их;
- Обеспечение правильного положения глаз, для нормального бинокулярногозрения.
Функциональная классификация систем движения глаз, включает:
- Система фиксации: устойчиво удерживает изображение статичного объекта на
ямке, при неподвижной голове. - Оптокинетическая: обеспечивает устойчивое изображение на сетчаткев случае длительных движений головой.
- Движения, направляющие фовеа к объекту интереса и быстрый перенос изображения объекта интереса на ямку посредством саккад.
- Дрейф: удержание изображения на фовеа небольшой движущейся цели.
- Вергенции: перемещение глаз в разноименных направлениях (конвергенция или дивергенция) для удержания изображения единственного объекта на обеих ямках одновременно.
Методы клинического исследования
В ходе диагностики нарушений глазодвигательных функций, сначала собирают анамнез, куда включаются жалобы пациента. Затем проводят осмотр, с обязательной инспекцией состояния зрачков, их реакции на свет, наличия анизокорни (положение головы и подбородка), отсутствия нистагма. Выявляется и определяется угол гамма (kappa).
Важен осмотр в первичном положении глаз, проверка их подвижности в девяти позициях. Исследование монокулярных движений (дукций) и бинокулярных содружественных движений (верзий), выявление нарушений подвижности и оценка возможной гиперфункции мышц соответственно роговичного рефлекса в отношении средней линии, проходящей через середину зрачка.
Тесты Cover-test (теста прикрытия) или Соver/uncover-test (теста прикрытия/открытия) важны для определения предпочитаемой фиксации, скрытого косоглазия, несодружественности движений. Тест чередования позволяет отличить явную девиацию от скрытой и измерить тропию. При тесте с призмой измеряют явную девиацию при одновременной окклюзии фиксирующего глаза и установкой призмы перед косящим глазом. При отсутствии фиксационного движения, величина призмы указывает на величину угла.
При диссоциированном вертикальном косоглазии (DVD) применятся Under-cover test (под прикрытием). Он выполняется с призмой и дает возможность измерить явную девиацию. Для его проведения выполняется окклюзия фиксирующего глаза, и одновременно перед косящим глазом устанавливается призма. Если фиксационного движения нет, то величина призмы равна всей величине угла.
При исследовании вергенции, определяют близкую точку конвергенции на синоптофоре с помощью призм. Проводятся тестирование на диплопию, цветотест, тест Баголини, метод последовательных образов.
Для исследования фории и фузии применяют двойной тест Маддокса с оценкой вертикального косоглазия или с ротационным компонентом. С целью оценки анизэйконии, применяют дуохромный тест и тест Ланкастера с целью оценки мышечного баланса.
Бинокулярное зрение проверяют Титмус-тестом, Рандом-тестом, тeстом Фрисби и тестом Ланга.
При явном косоглазии для проверки зрительных функций, измерение угла девиации проводят по Гиршбергу (положение роговичного рефлекса относительно зрачкового края). Выполняют Крымский тест (помещение перед косящим глазом призмы) и тест с помощью синоптофора.
Для исследования вертикальных и горизонтальных саккад, пациента просят перевести взгляд с объекта на объект в 30 градусах с обеих сторон от средней линии на удалении в 40 см. Малые саккады.
в норме 1-5 град, 200 мсек. Саккады 5-20 градусов, говорят о заболевании мозжечка и рассеянном склерозе. Нечеткость фиксации свидетельствует о нарушениях в стволовых центрах регуляции саккад и надъядерных. Для оценки состояния саккадической (фиксационной) системы глаз используют такеи тесты: Девика, Гриффина и пр.
Вестибулярные движения оцениваются по таким критериям: вестибулярный нистагм усиливается без объекта фиксации, с закрытыми глазами при пробе с линзой +20.0D c ухудшением остроты зрения на одну строку (исследование проводят до и после поворотов головы влево-вправо). Калорический тест для определения поражения вестибулярных, ядерных и инфраядерных путей проводят так: в ухо закапывают холодную и теплую воду. Определяет состояние: при холодной воде (быстрая фаза ОКН в противоположную сторону от уха), при теплой (быстрая фаза ОКН в сторону уха).
Оптокинетический нистагм (возращение изображения в фовеа в случае движения объекта) исследуется с помощью вращающегося барабана и последующей оценки, нистагма (его симметричность и направленность движения глаз). Может применяться и электронистагмография. Ее показатели нарушаются при повреждениях в височной и теменной зонах мозга, а также в сосудах головы и шеи.
Оценку состояния мышц глаз получают благодаря электромиографии.
Определяющий момент для хорошего результат исследования — уровень и выбор оборудования, практическая подготовка врача. В «Московской Глазной Клинике» работают специалисты с высоким уровнем практической подготовки, которые владеют имеющимся у нас оборудованием для диагностики зрения.
В нашем центре все пациенты могут пройти обследование на диагностической аппаратуре, а по результатам - получить консультацию специалиста. Мы открыты семь дней в неделю и работаем ежедневно с 9 ч до 21 ч.
Читайте также:
- Внутриутробное хирургическое лечение плода. Хирургическое устранение пороков развития
- Реконструкция заднего момента силы при массивном разрыве вращательной манжеты плечевого сустава
- Обмен жидкости через стенку капилляра
- Стимулирующие контактные и раздражающие слабительные средства. Диарея и ее причины
- Развитие эндонейрохирургии. История эндонейрохирургии.
